先頭
目次
1. 概要
1.1 ソルバー
1.2 解析タイプ
2. 解析モデルデータの作成方法
2.1 解析モデルデータの読み込み
2.2 解析モデルデータの変更
3. 例題モデル
3.1 モデル1(平板穴あき板要素モデル、節点変位)
3.1.1 解析条件
3.1.2 解析モデル
3.1.3 解析モデル作成例
3.2 モデル2(曲面板要素モデル、節点荷重)
3.2.1 解析条件
3.2.2 解析モデル
3.2.3 解析モデル作成例
3.3 モデル3(架台梁及び板要素モデル、加速度荷重及び固有値解析)
3.3.1 解析条件
3.3.2 解析モデル
3.3.3 解析モデル作成例
3.4 モデル4(管台軸対称要素、圧力)
3.4.1 解析条件
3.4.2 解析モデル
3.4.3 解析モデル作成例
3.5 モデル5(U字型6面体ソリッド要素、圧力)
3.5.1 解析条件
3.5.2 解析モデル
3.5.3 解析モデル作成例
3.6 モデル6(コンロッド4面体ソリッド要素、圧力)
3.6.1 解析条件
3.6.2 解析モデル
3.6.3 解析モデル作成例
3.7 モデル7(配管同径継手4面体ソリッドモデル、圧力)
3.7.1 解析条件
3.7.2 解析モデル
3.7.3 解析モデル作成例
3.8 モデル8(配管異径継手6面体ソリッドモデル、圧力)
3.8.1 解析条件
3.8.2 解析モデル
3.8.3 解析モデル作成例
3.9 モデル9(配管斜角継手6面体ソリッドモデル、圧力)
3.9.1 解析条件
3.9.2 解析モデル
3.9.3 解析モデル作成例
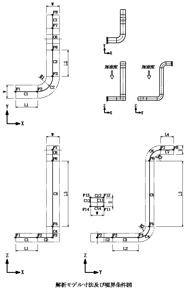
3.10 モデル10(ダクト板要素モデル、加速度荷重)
3.10.1 解析条件
3.10.2 解析モデル
3.10.3 解析モデル作成例
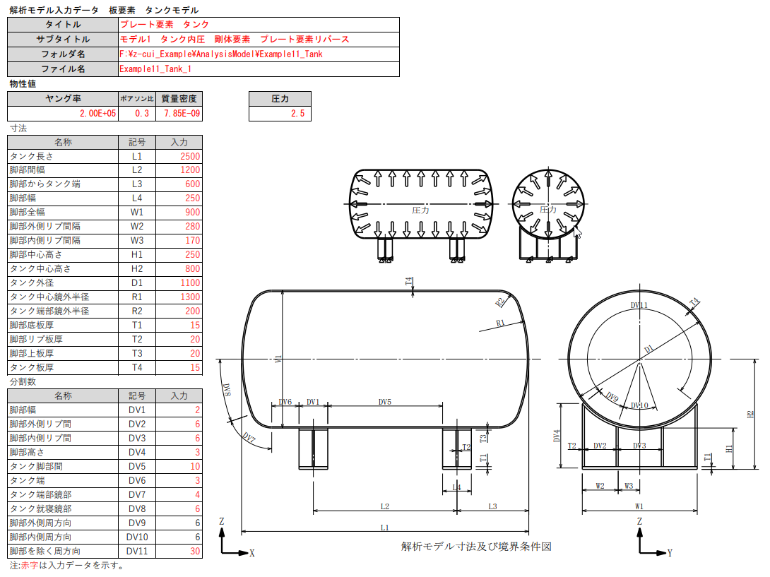
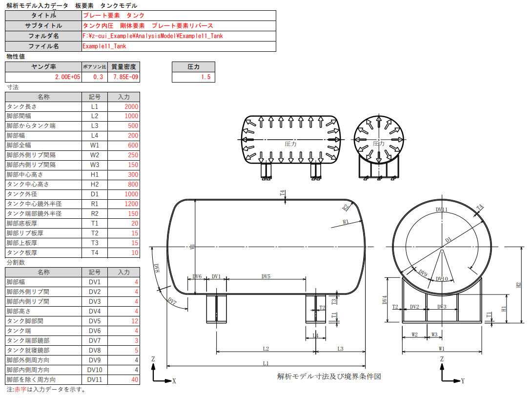
3.11 モデル11(タンク板要素モデル、圧力荷重)
3.11.1 解析条件
3.11.2 解析モデル
3.11.3 解析モデル作成例
4. Excelマクロを使用した解析モデル作成方法
4.1 モデルデータ
4.2 VBA概要
4.3 VBAコード
4.4 VBAフォーム
4.5 モデル作成結果
5. 例題モデルの実行方法
5.1 Z-CUI実行方法
5.2 例題モデル一覧

Femapを使用した自動解析システムZ-CUI

モデル作成例

Z-CUIはCSV形式のインプットデータを読込み自動でジオメトリモデルの作成から境界条件の作成、解析の実行まで行います。
本資料ではFemapに添付されているワークブック中の以5つのモデルと他に6つのモデルデータを作成した結果をまとめたものです。
注:Femapは、シーメンスPLMソフトウェアより販売されているWindows上で動作する有限要素法(FEM)解析のプリ・ポスト機能を提供するソフトフェアです。
解析モデル作成例
1
データ名 Example01_Plate
要素タイプ 板要素
荷重 強制変位
備考
2
データ名 Example02_Plate
要素タイプ 板要素
荷重 節点荷重
備考 ワークプレーン、マップドメッシュ
3
データ名 Example03_Plate_Bar
要素タイプ 梁、板要素
荷重 静解析(加速度)/固有値解析
備考 節点質量要素
4
データ名 Example04_Axisymmetric
要素タイプ 軸対称要素、剛体要素
荷重 圧力
備考 局所座標系
5
データ名 Example05_Solid-U
要素タイプ ソリッド6面体要素
荷重 圧力
備考 プリミティブ、フィレット、シェル
6
データ名 Example06_Conrod
要素タイプ ソリッド4面体要素
荷重 圧力
備考 ソリッド押し出し、和、差、スライス
7
データ名 Example07_Pipe1
要素タイプ ソリッド4面体要素
荷重 圧力
備考 ソリッド押し出し、和、差、スライス、フィレット
8
データ名 Example08_Pipe2
要素タイプ ソリッド6面体要素
荷重 圧力
備考 ソリッド押し出し、和、差、スライス、フィレット
9
データ名 Example09_Pipe3
要素タイプ ソリッド6面体要素
荷重 圧力
備考 ソリッド押し出し、和、差、スライス、フィレット
10
データ名 Example10_Duct
要素タイプ 板要素
荷重 加速度
備考 スウィープ
11
データ名 Example11_Tank
要素タイプ 板要素
荷重 圧力
備考 局所座標系、剛体要素

1.概要
本資料ではFemapに添付されているワークブック中の5つの解析モデル例と他に6つのモデルデータを作成した結果をまとめたものです。
基本のモデルと基本モデルからモデルの寸法、カーブ分割数等を変更したモデルのデータを作成し解析を行った結果を添付した。
なお、ワークブックのモデルデータの作成手順とZ-CUIのインプットデータの作成手順はジオメトリの作成方法などが異なるため手順が異なります。
この資料の例題ではExcelを使用して基本モデルの寸法などを変更できるようにしています。基本モデルを作成するのは多少時間がかかりますが寸法変更などは容易でありFemapを操作する必要がないためFemapの知識がない方でも解析結果を得ることが可能です。
1.1 ソルバー
ソルバーはNX/NASTRANとします。他のソルバーについては使用できるデータと使用できないものがあります。実際に使用して確認して下さい。なお、MSC/NASTRANについてはDOSコマンドの設定を行うことで実行できることを確認しています。
1.2 解析タイプ
解析タイプは以下とします。
・静解析
・固有値解析(例題モデル3のみ)
2.解析モデルデータの作成方法
解析モデルデータをZ-CUIの説明書に従いテキスト形式で作成します。Z-CUIのインプットデータはCSV形式ファイルなのでExcelに読み込み可能です。
Excelに読み込んだ座標値等のデータをセルに計算式を入力してモデルの寸法等を変更して異なる解析モデルデータを作成できるようにします。
このため、解析モデルデータを作成する際に容易に変更できるようにデータを作成しておいて下さい。
また、モデルの寸法等をパラメータとしてExcelマクロを使用して複数のデータを作成する方法を4項の「Excelマクロを使用した解析モデル作成方法」に説明しています。
2.1 解析モデルデータの読み込み
基本となる解析モデルデータを作成しExcelに読み込みます。例題モデル5(表3-5-2~表3-5-5)の読み込み結果の抜粋を図2-1-1及び図2-1-2に示す。
赤字のセルは計算式を入力したセルです。図2-1-1の125行目の「Jump」は図2-1-2の163行目の「endj」まで読み飛ばす命令です。この「Jump」を「$Jump」コメント行にすることにより126行目~162行目が有効なデータとなります。
この機能を使うことによりこの例題ではメッシュの分割方法選択できるようにしています。なお、126行目~162行目はマップドメッシュを行うデータです。
analysismode_picture/fig2-1-1.png
図2-1-1 例題モデル5 解析モデルデータの抜粋(1/2)
analysismode_picture/fig2-1-2.png
図2-1-2 例題モデル5 解析モデルデータの抜粋(2/2)
2.2 解析モデルデータの変更
解析モデルデータを変更するデータの入力シートを作成します。例題モデル5の例を図2-2-1に示す。
この例ではタイトル、ファイル名のように赤字セルが入力データです。また、荷重及び入力寸法の説明のために右側の図に入力する寸法の記号と境界条件を添付しています。
赤字セルのデータを参照し図2-1-1及び図2-1-2に示すセルに式を入力します。例として以下のように入力しています。データの入力を終了して「モデルデータ」シートをCSV形式で保存してZ-CUIで読み込み「Femap実行」コマンドで実行します。実行結果は3項を参照して下さい。
・セル1,2たまはB4(図2-1-1)
=入力データ!RC、または=入力データ!B4
・セル125,1またはA125(図2-1-2)
=IF(入力データ!R[-106]C[1]="なし","Jump","$Jump")、または
=IF(入力データ!B19="なし","Jump","$Jump")
analysismode_picture/fig2-2-1.png
図2-2-1 例題モデル5 モデル作成Excelインプットシート
3.例題モデル
全例題モデルの寸法図、ジオメトリID図、インプットデータ等と解析結果を以下に示す。
注1:ジオメトリID図のPnはポイント、Cnはカーブ(ラインを含む)、SnはサーフェイスのZ-CUIでの識別番号を示す。
注2:Z-CUIインプットデータで最初の文字が$の行はコメント行でありデータを読込み時には無視されます。またデータ中の$以降の文字も無視されます。
表2-1-2に示す例題モデル1のインプットデータは全体で92行ありますが実際に使用されるデータは28行です。
注3:例題はモデルが作成できるか機能を検討したモデルであり実際のモデル及び境界条件と異なります。
3.1 モデル1(平板穴あき板要素モデル、節点変位)
平板穴あきを板要素で作成したモデルの例題を示す。Z-CUIのインプットデータは下記に示す項目のデータで作成されている。
・ファイル設定
・タイトル
・計算制御
・計算条件
・ビュー
・物性値
・板プロパティ
・ポイント
・ライン
・サークル
・サーフェイス
・サーフェイスオートメッシュ
・拘束条件
・節点変位
3.1.1 解析条件
解析モデルの条件は表3-1-1とする。
表3-1-1 例題モデル1 解析条件
解析コード NX/NASTRAN
要素タイプ 板要素(1次)CQUAD4
解析タイプ 静荷重
荷重 節点変位

3.1.2 解析モデル
解析モデルの寸法図を図3-1-1に、インプットデータを作成するための寸法記号及びジオメトリIDと拘束条件及び荷重条件を図3-1-2に示す。
基本モデルのZ-CUIインプットデータを表3-1-2に示す。
analysismodel/example01_plate/picture/fig3-1-1_example1_plate_dimension.jpg
図3-1-1 例題モデル1 解析モデル寸法図
analysismodel/example01_plate/picture/fig3-1-2_example1_plate_condition.jpg
図3-1-2 例題モデル1 ジオメトリID及び解析条件図
表3-1-2 例題モデル1 Z-CUIインプットデータ
$------------------------------------
$ファイル設定
$------------------------------------
Fp , F:\z-cui_Example\AnalysisModel\Example01_Plate
Fe , Example01_Plate.dat
Ff , Example01_Plate.modfem
Fc , Example01_Plate.lst
$----------------------------------------------------
$タイトル
$----------------------------------------------------
Ti , テストモデル サーフェス
St , バウンダリサーフェス
$----------------------------------------------------
$計算制御データ
$anatype:解析タイプ番号 0=静解析、1=固有値解析、2=動解析
$solver:ソルバー番号 0=MSC/NASTRAN,1=NX/NASTRAN
$----------------------------------------------------
An , 0 , 1
$----------------------------------------------------
$計算条件データ
$step:処理ステップ№
$0=解析、1=エクスポート、2=モデル作成、3=ジオメトリ作成
$sid:拘束id、mid:多点拘束id、load:荷重id、meth:固有値計算id、dload:動解析荷重id
$----------------------------------------------------
Cn , 0 , 11 , 0 , 4 , 0 , 0
$----------------------------------------------------
$ビューデータ
$    ,ID , TITLE,TYPE, ROTAX , ROTAY , ROTAZ
$----------------------------------------------------
VIRO , 1 , XY   ,   1
$----------------------------------------------------
$物性値データ
$  , ID ,   TITLE   ,   E   ,     G  ,     P  ,     R
$----------------------------------------------------
Ma ,  1 , Material1 , 2.1E4 ,    0.0 ,    0.3 ,   8.0E-10
$----------------------------------------------------
$板プロパティデータ
$  ,ID ,  TITLE ,MID, THIC,ELEMSHAPE,MAPPEDLEVEL
$----------------------------------------------------
Sh , 1 , Plate1 , 1 , 1.0
$----------------------------------------------------
$ポイントデータ
$    , ID ,    X  ,    Y  ,   Z
$----------------------------------------------------
Po   ,  1 ,   0.0 ,   0.0 ,   0.0
CpPO ,  1 ,  1 ,  1 ,  1 ,  200.0 ,   0.0 ,   0.0 , 1 , 2 ,   0.0 , 100.0 ,   0.0
Po   ,  5 ,  100.0 ,  50.0 ,   0.0
$----------------------------------------------------
$ラインデータ
$     , ID , PID, P1 , P2 ,  DV
$----------------------------------------------------
LiP   ,  1 ,  0 ,  1 ,  2 , 16
CpLIP ,  1 ,  1 ,  1 ,  1 ,  2
LiP   ,  3 ,    ,  1 ,  3 ,  8
CpLIP ,  3 ,  3 ,  1 ,  1 ,  1
$----------------------------------------------------
$サークルデータ
$     , ID ,PID , P1 ,   P2 ,  DIA , DV ,  X  ,  Y  ,  Z
$----------------------------------------------------
CiPCPD,  5 ,  0 ,  5 ,      , 40.0 , 16
$----------------------------------------------------
$サーフェイスデータ
$     , ID ,PID ,  C1 , C2 , C3 , Cn
$----------------------------------------------------
SuBc  , 11 ,  1 ,   1 ,  4 ,  2 ,  3 ,  5
$----------------------------------------------------
$メッシュサイズデータ
$      ,ID , IDF, IDL,INC,NUMELEM,MESHSIZE,MINLINE,MINCLOSED,MINOTHER,BIASMETHOD,SPACING,BIAS,BIASLOC
$----------------------------------------------------
MCuSi  , 1 ,  1 ,  2 , 1 ,    16 ,      1 ,     1 ,      12 ,      2 ,        1 ,     0 , 1.2,   2
$----------------------------------------------------
$サーフェイスオートメッシュ
$      ,ID ,IDF ,IDL,INC , ELEMSHAPE,MESHER,MIDSIDEGEOM,MIDSIDEANGLE,CONNECTEDGENODETOL,SMOOTHLAPLACIAN,SMOOTHITER,SMOOTHTOLERANCE,OFFSETFROM,OFFSET,MAPPEDLEVEL,MAPANGLEDEVIATION,MAPMINCORNERANGLE,MAPEQUALONLY,MAPSUBDIVISIONS,MAPSPLITQUADS,MAPALTTRI,MAPRIGHTBIAS,POSTMESHCLEANUP,QUADMESHLAYERS,QUADCUTANGLE,MINBETWEEN,MAXASPECT,QUICKCUTNODES
$----------------------------------------------------
MSuAu  , 1 , 11 , 11 , 1 ,     4    ,   0  ,     0     ,     10     ,      1.0E-08     ,         0     ,    20    ,       0.001   ,     0    ,  0.0 ,     1     ,      30.0       ,       30.0      ,      0     ,        0      ,       0     ,     1   ,      0     ,       1       ,        2     ,     60.0   ,     1    ,    2.0  , 300
$----------------------------------------------------
$拘束条件データ
$     , ID ,SID ,  COMP  ,   X   ,   Y   ,  Z
$----------------------------------------------------
BCN   ,  1 , 11 , 123456 ,   0.0 ,  50.0 ,   0.0
BCC   ,  2 ,    , 135    ,  3
BCC   ,  3 ,    , 1      ,  4
$----------------------------------------------------
$節点変位データ
$  , ID ,LID,  TITLE   , TYPE ,  SC  ,LOAD, LOADY,LOADZ, C1
$----------------------------------------------------
LO , 14 , 4 , 節点変位 , DISC , 0.01 , 1.0 , 0.0 , 0.0 , 4
Z-CUIインプットをダウンロード

3.1.3 解析モデル作成例
表3-1-2に示すインプットデータを基に表3-1-3に示すモデル作成条件で解析モデルデータを作成しZ-CUIを使用して実行した結果を以下に示す。
なお、本モデルのライン及びカーブは全て分割数及び分割方法を指定している。
表3-1-3 例題モデル1 モデル作成条件
モデル作成条件 内容
1 基本モデル
2 基本モデルより寸法及びカーブ分割数の変更
3 基本モデルより一次要素から二次要素に変更

analysismodel/example01_plate/picture/fig3-1-1-1_example1_plate_input_form.png
図3-1-1-1 例題モデル1 モデル作成条件1 モデル作成Excelインプットシート
インプットシートを含むExcelファイルをダウンロード
Z-CUIのCSV形式ファイルをダウンロード
NX/NASTRANのインプットファイルをダウンロード
Femapモデルファイルをダウンロード(Femapがインストールされていないと使用できません)
analysismodel/example01_plate/picture/fig3-1-1-2_example01_plate_femap_model.bmp
図3-1-1-2 例題モデル1 モデル作成条件1 解析条件
analysismodel/example01_plate/picture/fig3-1-1-3_example01_plate_femap_output.bmp
図3-1-1-3 例題モデル1 モデル作成条件1 解析結果
analysismodel/example01_plate/picture/fig3-1-2-1_example1_plate_input_form_1.png
図3-1-2-1 例題モデル1 モデル作成条件2 モデル作成Excelインプットシート
インプットシートを含むExcelファイルをダウンロード
Z-CUIのCSV形式ファイルをダウンロード
NX/NASTRANのインプットファイルをダウンロード
Femapモデルファイルをダウンロード(Femapがインストールされていないと使用できません)
analysismodel/example01_plate/picture/fig3-1-2-2_example01_plate_1_femap_model.bmp
図3-1-2-2 例題モデル1 モデル作成条件2 解析条件
analysismodel/example01_plate/picture/fig3-1-2-3_example01_plate_1_femap_output.bmp
図3-1-2-3 例題モデル1 モデル作成条件2 解析結果
analysismodel/example01_plate/picture/fig3-1-3-1_example1_plate_input_form_higher_element.png
図3-1-3-1 例題モデル1 モデル作成条件3 モデル作成Excelインプットシート
インプットシートを含むExcelファイルをダウンロード
Z-CUIのCSV形式ファイルをダウンロード
NX/NASTRANのインプットファイルをダウンロード
Femapモデルファイルをダウンロード(Femapがインストールされていないと使用できません)
analysismodel/example01_plate/picture/fig3-1-3-2_example01_plate_higher_element_femap_model.bmp
図3-1-3-2 例題モデル1 モデル作成条件3 解析条件
analysismodel/example01_plate/picture/fig3-1-3-3_example01_plate_higher_element_femap_output.bmp
図3-1-3-3 例題モデル1 モデル作成条件3 解析結果
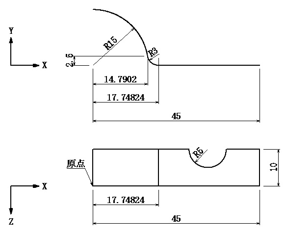
3.2 モデル2(曲面板要素モデル、節点荷重)
曲面を板要素モデルで作成した例題を示す。Z-CUIのインプットデータは下記に示す項目のデータで作成されている。
なお、穴部のカーブはXZ面になるためワークプレーンを使用して作成している。また、節点荷重はラインに与えるためサーフェイスIDとカーブ端点の座標値を指定してジオメトリID設定後に荷重データを作成している。
・ファイル設定
・タイトル
・計算制御
・計算条件
・ビュー
・物性値
・板プロパティ
・ポイント
・ライン
・サークル
・サーフェイス
・ワークプレーン
・ワークプレーン設定
・サーフェイス
・サーフェイスアプローチ
・サーフェイスメッシュサイズ
・ジオメトリID設定
・拘束条件
・節点変位
3.2.1 解析条件
解析モデルの条件は表3-2-1とする。
表3-2-1 例題モデル2 解析条件
解析コード NX/NASTRAN
要素タイプ 板要素(1次)CQUAD4
解析タイプ 静荷重
荷重 節点荷重

3.2.2 解析モデル
解析モデルの寸法図を図3-2-1に、インプットデータを作成するための寸法記号及びジオメトリIDと拘束条件及び荷重条件を図3-2-2に示す。
基本モデルのZ-CUIインプットデータを表3-2-2に示す。
解析モデルの寸法図を図3-2-1に、インプットデータを作成するための寸法記号及びジオメトリIDと拘束条件及び荷重条件を図3-2-2に示す。
analysismodel/example02_plate/picture/fig3-2-1_Example2_Plate_dimension.jpg
図3-2-1 例題モデル2 解析モデル寸法図
analysismodel/example02_plate/picture/fig3-2-2_example2_plate_condition.jpg
図3-2-2 例題モデル2 ジオメトリID及び解析条件図
表3-2-2 例題モデル2 Z-CUIインプットデータ
$------------------------------------
$ファイル設定
$------------------------------------
Fp , F:\z-cui_Example\AnalysisModel\Example02_Plate
Fe , Example02_Plate.dat
Ff , Example02_Plate.modfem
Fc , Example02_Plate.lst
$----------------------------------------------------
$タイトル
$----------------------------------------------------
Ti , テストモデル サーフェス
St , バウンダリ、押し出しサーフェス
$----------------------------------------------------
$計算制御データ
$anatype:解析タイプ番号 0=静解析、1=固有値解析、2=動解析
$solver:ソルバー番号 0=MSC/NASTRAN,1=NX/NASTRAN
$----------------------------------------------------
An , 0 , 1
$----------------------------------------------------
$計算条件データ
$step:処理ステップ№
$0=解析、1=エクスポート、2=モデル作成、3=ジオメトリ作成
$sid:拘束id、mid:多点拘束id、load:荷重id、meth:固有値計算id、dload:動解析荷重id
$----------------------------------------------------
Cn , 0 , 11 , 0 , 4 , 0 , 0
$----------------------------------------------------
$ビューデータ
$    ,ID , TITLE, TYPE, ROTAX , ROTAY , ROTAZ
$----------------------------------------------------
VIRO , 1 , XYZ  , 7
$----------------------------------------------------
$物性値データ
$  , ID ,   TITLE   ,   E   ,     G    ,     P    ,   R
$----------------------------------------------------
Ma , 1  , Material1 , 2.1E4 ,    0.0   ,    0.3
$----------------------------------------------------
$板プロパティデータ
$  ,ID ,  TITLE ,MID, THIC ,ELEMSHAPE,MAPPEDLEVEL
$----------------------------------------------------
Sh , 1 , Plate1 , 1 , 1.0
Sh , 2 , Plate2 , 1 , 1.0
$----------------------------------------------------
$ポイントデータ
$    , ID ,    X      ,    Y  ,    Z
$----------------------------------------------------
Po   ,  1 ,   0.0     ,   0.0 ,   0.0
Po   ,  2 ,  17.74824 ,   3.0
Po   ,  3 ,   0.0     ,  15.0
Po   ,  4 ,  14.7902  ,   2.5
Po   ,  5 ,  17.74824 ,   0.0
Po   ,  6 ,  45.0
Po   ,  7 ,  17.74824 ,   0.0 , -10.0
Po   ,  8 ,  26.0
Po   ,  9 ,  31.0
Po   , 10 ,  36.0
Po   , 11 ,  45.0
$----------------------------------------------------
$ラインデータ
$    , ID , PID, P1 , P2 , DV
$----------------------------------------------------
LiP  ,  1 ,  0 ,  5 ,  6 , 11
LiP  ,  4 ,    ,  5 ,  7 ,  5
LiP  ,  5 ,    ,  6 , 11
LiP  ,  6 ,    ,  7 ,  8 ,  4
LiP  ,  8 ,    , 10 , 11
$----------------------------------------------------
$カーブデータ
$     , ID ,PID , P1 , P2 , P3
$----------------------------------------------------
CUPCSE,  2 ,  0 ,  2 ,  4 ,  5
CUPCSE,  3 ,    ,  1 ,  4 ,  3
CUPCSE,  7 ,    ,  9 ,  10 , 8
$----------------------------------------------------
$ワークプレーンデータ
$    ,  ID ,TYPE,   X  ,   Y  ,   Z
$----------------------------------------------------
WSY  ,   1 ,  0 ,  0.0 ,  0.0 , -10.0
$----------------------------------------------------
$ワークプレーン設定データ
$    , ID ,WID ,ID1, IDn
$----------------------------------------------------
WPC  ,  1 ,  1 ,  7
$----------------------------------------------------
$サーフェイスデータ
$     , ID , PID,TYPE, EVX1 ,  EVY1 ,  EVZ1 ,  EVX2 ,  EVY2 ,  EVZ2 , C1 , Cn ,     ,DV1 ,DV2 ,DV3
$----------------------------------------------------
SuEx  , 11 ,  1 ,  0 ,  0.0 ,   0.0 ,   0.0 ,   0.0 ,   0.0 , -10.0 ,  2 ,  3 , END ,  3 , 10 ,  5
$----------------------------------------------------
$サーフェイスデータ
$     , ID ,PID , C1 , C2 , C3 , C4 , C5 , C6
$----------------------------------------------------
SuBc  , 12 ,  2 ,  1 ,  5 ,  8 ,  7 ,  6 ,  4
$----------------------------------------------------
$サーフェイスアプローチデータ
$     ,ID ,IDF ,IDL ,INC,APPROACH , P1 , P2 , P3 , P4
$----------------------------------------------------
MSuap , 1 , 12 , 12 , 1 ,    3    ,  7 ,  8 , 10 ,11
$----------------------------------------------------
$サーフェイスメッシュサイズ
$     ,ID ,IDF ,IDL ,INC, MESHSIZE,MINEDGE,MAXANGLE,MAXONSMALL,SMALLSIZE,VERTEXASPECT,MAPPEDREFINEMENT,GROWTHFACTOR,REFINERATIO
$----------------------------------------------------
MSusi , 1 , 12 , 12 , 1 ,  2.03252,    3  ,  25.0  ,      6   , 0.0     ,     0.0    ,       1        ,    1.0     ,    0.1
$----------------------------------------------------
$ジオメトリID設定データ サーフェイスのカーブ(座標値)
$      , ID ,PID ,  S , COORD11, COORD12, COORD13, COORD21, COORD22, COORD23, DV ,  X  ,  Y  ,  Z
$----------------------------------------------------
IdCuSuN, 31 ,  0 , 11 ,   0.0  ,  15.0  ,   0.0  ,   0.0  ,  15.0  ,  -10.0
$----------------------------------------------------
$拘束条件データ
$   , ID ,SID , COMP   ,  COOD
$   ,    ,    ,        ,  C1
$----------------------------------------------------
BCX ,  1 , 11 , 156    ,   0.0
BCZ ,  2 ,    , 345    , -10.0
BCC ,  3 ,    , 123456 ,  7
$----------------------------------------------------
$節点荷重データ カーブで設定
$  ,  ID , LID ,  TITLE   , TYPE ,  SC ,  LOADX,  LOADY, LOADZ, C1
$----------------------------------------------------
LO ,  11 ,   4 , 節点荷重 , FORC , 1.0 ,   0.0 ,   1.0 ,  0.0 , 31
Z-CUIインプットをダウンロード

3.2.3 解析モデル作成例
表3-2-2に示すインプットデータを基に表3-2-3に示すモデル作成条件で解析モデルデータを作成しZ-CUIを使用して実行した結果を以下に示す。
表3-2-3 例題モデル2 モデル作成条件
モデル作成条件 内容
1 基本モデル
2 基本モデルより寸法及びカーブ分割数の変更
3 モデル2よりマップドメッシュオフ
4 基本モデルより一次要素から二次要素に変更

analysismodel/example02_plate/picture/fig3-2-1-1_example02_plate_input_form.png
図3-2-1-1 例題モデル2 モデル作成条件1 モデル作成Excelインプットシート
インプットシートを含むExcelファイルをダウンロード
Z-CUIのCSV形式ファイルをダウンロード
NX/NASTRANのインプットファイルをダウンロード
Femapモデルファイルをダウンロード(Femapがインストールされていないと使用できません)
analysismodel/example02_plate/picture/fig3-2-1-2_example02_plate_femap_model.bmp
図3-2-1-2 例題モデル2 モデル作成条件1 解析条件
analysismodel/example02_plate/picture/fig3-2-1-3_example02_plate_femap_output.bmp
図3-2-1-3 例題モデル2 モデル作成条件1 解析結果
analysismodel/example02_plate/picture/fig3-2-2-1_example02_plate_input_form_1.png
図3-2-2-1 例題モデル2 モデル作成条件2 モデル作成Excelインプットシート
インプットシートを含むExcelファイルをダウンロード
Z-CUIのCSV形式ファイルをダウンロード
NX/NASTRANのインプットファイルをダウンロード
Femapモデルファイルをダウンロード(Femapがインストールされていないと使用できません)
analysismodel/example02_plate/picture/fig3-2-2-2_example02_plate_1_femap_model.bmp
図3-2-2-2 例題モデル2 モデル作成条件2 解析条件
analysismodel/example02_plate/picture/fig3-2-2-3_example02_plate_1_femap_output.bmp
図3-2-2-3 例題モデル2 モデル作成条件2 解析結果
analysismodel/example02_plate/picture/fig3-2-3-1_example02_plate_input_form_2.png
図3-2-3-1 例題モデル2 モデル作成条件3 モデル作成Excelインプットシート
インプットシートを含むExcelファイルをダウンロード
Z-CUIのCSV形式ファイルをダウンロード
NX/NASTRANのインプットファイルをダウンロード
Femapモデルファイルをダウンロード(Femapがインストールされていないと使用できません)
analysismodel/example02_plate/picture/fig3-2-3-2_example02_plate_2_femap_model.bmp
図3-2-3-2 例題モデル2 モデル作成条件3 解析条件
analysismodel/example02_plate/picture/fig3-2-3-3_example02_plate_2_femap_output.bmp
図3-2-3-3 例題モデル2 モデル作成条件3 解析結果
analysismodel/example02_plate/picture/fig3-2-4-1_example02_plate_input_form_higher_element.png
図3-2-4-1 例題モデル2 モデル作成条件4 モデル作成Excelインプットシート
インプットシートを含むExcelファイルをダウンロード
Z-CUIのCSV形式ファイルをダウンロード
NX/NASTRANのインプットファイルをダウンロード
Femapモデルファイルをダウンロード(Femapがインストールされていないと使用できません)
analysismodel/example02_plate/picture/fig3-2-4-2_example02_plate_higher_element_femap_model.bmp
図3-2-4-2 例題モデル2 モデル作成条件4 解析条件
analysismodel/example02_plate/picture/fig3-2-4-3_example02_plate_higher_element_femap_output.bmp
図3-2-4-3 例題モデル2 モデル作成条件4 解析結果
3.3 モデル3(架台梁及び板要素モデル、加速度荷重及び固有値解析)
架台を梁及び板要素で作成したモデルの例題を示す。Z-CUIのインプットデータは下記に示す項目のデータで作成されている。なお、付加質量は節点質量でモデル化している。
・ファイル設定
・タイトル
・計算制御
・計算条件
・ビュー
・物性値
・板プロパティ
・梁プロパティ
・ポイント
・ライン
・サーフェイス
・節点質量
・拘束条件
・加速度
3.3.1 解析条件
解析モデルの条件は表3-3-1とする。
表3-3-1 例題モデル3 解析条件
解析コード NX/NASTRAN
要素タイプ 梁要素CBAR
板要素(1次)CQUAD4
質量要素(CONM2)
解析タイプ 静荷重及び固有値解析
荷重 加速度

3.3.2 解析モデル
解析モデルの寸法図を図3-3-1に、インプットデータを作成するための寸法記号及びジオメトリIDと拘束条件及び荷重条件を図3-3-2に示す。
基本モデルのZ-CUIインプットデータを表3-3-2に示す。
なお、本モデルのカーブは全て分割数及び分割方法を指定している。
analysismodel/example03_plate_bar/picture/fig3-3-1_examples_plate_bar_dimension.jpg
図3-3-1 例題モデル3 解析モデル寸法図
analysismodel/example03_plate_bar/picture/fig3-3-2_examples_plate_bar_condition.jpg
図3-3-2 例題モデル3 ジオメトリID及び解析条件図
表3-3-2 例題モデル3 Z-CUIインプットデータ
$------------------------------------
$ファイル設定
$------------------------------------
Fp , F:\z-cui_Example\AnalysisModel\Example03_Plate_Bar
Fe , Example03_Plate_Bar.dat
Ff , Example03_Plate_Bar.modfem
Fc , Example03_Plate_Bar.lst
$----------------------------------------------------
$タイトル
$----------------------------------------------------
Ti , テストモデル バー、プレート、節点質量要素
St , 加速度
$----------------------------------------------------
$計算制御データ
$anatype:解析タイプ番号 0=静解析、1=固有値解析、2=動解析
$solver:ソルバー番号 0=MSC/NASTRAN,1=NX/NASTRAN
$----------------------------------------------------
An , 0 , 1
$----------------------------------------------------
$計算条件データ
$step:処理ステップ№
$0=解析、1=エクスポート、2=モデル作成、3=ジオメトリ作成
$sid:拘束id、mid:多点拘束id、load:荷重id、meth:固有値計算id、dload:動解析荷重id
$----------------------------------------------------
Cn , 0 , 11 , 0 , 4 , 0 , 0
$----------------------------------------------------
$ビューデータ
$    ,ID , TITLE, TYPE, ROTAX , ROTAY , ROTAZ
$----------------------------------------------------
VIRO , 1 , XYZ  , 8
$----------------------------------------------------
$物性値データ
$  ,ID  ,   TITLE   ,   E     ,   G      ,   P     ,  R
$----------------------------------------------------
Ma , 1  , Material1 , 2.10E10 ,   0.0    ,   0.3  , 800.0
Ma , 2  , Material2 , 0.73E10 ,   0.0    ,   0.31 , 300.0
Ma , 3  , Dummy     , 1.00E13 ,   0.0    ,   0.3  ,   0.0
$----------------------------------------------------
$板プロパティデータ
$  ,ID ,  TITLE ,MID, THIC, ELEMSHAPE,MAPPEDLEVEL
$----------------------------------------------------
Sh , 1 , Plate1 , 1 , 0.1
$----------------------------------------------------
$梁プロパティデータ
$  ,ID , TITLE            ,MID ,TYPE  ,  DIM1  , DIM2  , DIM3  , DIM4  , DIM5  , DIM6  , DIM7 , DIM8  , DIM9  , DIM10 , DIM11 , DIM12 , DIM13 , DIM14 , DIM15 , DIM16
$  ,   ,                  ,    ,      ,    A   ,  I1   ,  I2   ,  J    , NSM   ,  C1   ,  C2  ,  D1   ,  D2   ,  E1   ,  E2   ,  F1   ,  F2   ,  K1   ,  K2   ,  I12
$----------------------------------------------------
Ba , 2 , Rectangular Tube , 2 , BOX   , 0.2    , 0.2   , 0.025 , 0.025 ,       ,       ,      ,       ,       ,       ,       ,       ,       ,       ,       ,
Ba , 3 , I Beam           ,   , I     , 0.2    , 0.2   , 0.2   , 0.025 , 0.025 , 0.025 ,      ,       ,       ,       ,       ,       ,       ,       ,       ,
Ba , 4 , Rod              , 3 , INPUT , 0.0314 , 0.0   , 0.0   , 0.0   ,       ,       ,      ,       ,       ,       ,       ,       ,       ,       ,       ,
$----------------------------------------------------
$ポイントデータ
$    , ID ,    X  ,    Y  ,    Z
$----------------------------------------------------
Po   ,  1 ,   0.0 ,   0.0 ,   0.0
CpPO ,  1 ,  1 ,  1 ,  1 ,  3.0 ,   0.0 ,   0.0 , 1 , 2 ,   0.0 , 2.0 ,   0.0 , 2 , 4 ,   0.0 , 0.0 ,   2.0
Po   , 13 ,   2.0 ,   0.0 ,   2.0
CpPO , 13 , 13 ,  1 ,  1 ,  0.0 ,   0.0 ,   2.0 , 1 , 2 ,   0.0 , 2.0 ,   0.0
Po   , 21 ,   2.5 ,   1.3 , 5.0
$----------------------------------------------------
$ラインデータ
$     ,ID  , PID,  P1,  P2,  DV,  X  ,  Y  ,  Z
$----------------------------------------------------
LiP   ,  1 ,  2 ,  1 ,  5 ,  2 , 1.0 , 0.0 , 0.0
CpLIP ,  1 ,  1 ,  1 ,  1 ,  4 ,  3 , 2 , 1
LiP   , 11 ,  3 ,  5 , 13 ,  4 , 0.0 , 0.0 , 1.0
LiP   , 12 ,    , 13 ,  6 ,  2
CpLIP , 11 , 12 ,  1 ,  2 ,  2
LiP   , 15 ,    ,  5 ,  7 ,  4
LiP   , 16 ,    , 13 , 15
LiP   , 17 ,    ,  6 ,  8
LiP   , 21 ,    ,  9 , 14 ,  4
LiP   , 22 ,    , 14 , 10 ,  2
CpLIP , 21 , 22 ,  1 ,  2 ,  2
LiP   , 25 ,    ,  9 , 11 ,  4
LiP   , 26 ,    , 14 , 16
LiP   , 27 ,    , 10 , 12
$
LiP   , 31 ,  4 , 14 , 21 ,  1
LiP   , 32 ,    , 10 , 21 ,  1
LiP   , 33 ,    , 16 , 21 ,  1
LiP   , 34 ,    , 12 , 21 ,  1
$----------------------------------------------------
$サーフェイスデータ
$     , ID ,PID , C1 , C2 , C3 , C4
$----------------------------------------------------
SuBc  , 41 ,  1 , 12 , 17 , 14 , 16
$----------------------------------------------------
$節点質量データ
$     , ID,  MASS  ,OFFX ,OFFY ,OFFZ , P
$----------------------------------------------------
NMP   , 51, 1020.0 , 0.0 , 0.0 , 0.0 , 21
$----------------------------------------------------
$拘束条件データ
$   , ID ,SID , COMP      , COORD
$----------------------------------------------------
BCZ ,  1 , 11 , 123456    , 0.0
$----------------------------------------------------
$加速度データ
$  , ID , LID, TITLE, TYPE ,SC  ,LOADX,LOADY,LOADZ 
$----------------------------------------------------
LO , 11 ,  4 , Load , GRAV , 1.0 , 0.0 , 0.0 , -9.8
$----------------------------------------------------
$固有値解析条件
$    , ID , FREQMAX
$----------------------------------------------------
EI   ,  9 , 200.0
Z-CUIインプットをダウンロード

3.3.3 解析モデル作成例
表3-3-2に示すインプットデータを基に表3-3-3に示すモデル作成条件で解析モデルデータを作成しZ-CUIを使用して実行した結果を以下に示す。
なお、本モデルのラインは全て分割数及び分割方法を指定している。
表3-3-3 例題モデル3 モデル作成条件
モデル作成条件 内容
1 基本モデル 静解析
2 基本モデルより寸法及びカーブ分割数の変更 静解析
3 基本モデル 固有値解析

analysismodel/example03_plate_bar/picture/fig3-3-1-1_examples_plate_bar_input_form.png
図3-3-1-1 例題モデル3 モデル作成条件1(静解析) モデル作成Excelインプットシート
インプットシートを含むExcelファイルをダウンロード
Z-CUIのCSV形式ファイルをダウンロード
NX/NASTRANのインプットファイルをダウンロード
Femapモデルファイルをダウンロード(Femapがインストールされていないと使用できません)
analysismodel/example03_plate_bar/picture/fig3-3-1-2_examples_plate_bar_femap_model.bmp
図3-3-1-2 例題モデル3 モデル作成条件1(静解析) 解析条件
analysismodel/example03_plate_bar/picture/fig3-3-1-3_examples_plate_bar_femap_output[.bmp
図3-3-1-3 例題モデル3 モデル作成条件1(静解析) 解析結果
analysismodel/example03_plate_bar/picture/fig3-3-2-1_examples_plate_bar_input_form_1.png
図3-3-2-1 例題モデル3 モデル作成条件2(静解析) モデル作成Excelインプットシート
インプットシートを含むExcelファイルをダウンロード
Z-CUIのCSV形式ファイルをダウンロード
NX/NASTRANのインプットファイルをダウンロード
Femapモデルファイルをダウンロード(Femapがインストールされていないと使用できません)
analysismodel/example03_plate_bar/picture/fig3-3-2-2_examples_plate_bar_1_femap_model.bmp
図3-3-2-2 例題モデル3 モデル作成条件2(静解析) 解析条件
analysismodel/example03_plate_bar/picture/fig3-3-2-3_examples_plate_bar_1_femap_output[.bmp
図3-3-2-3 例題モデル3 モデル作成条件2(静解析) 解析結果
analysismodel/example03_plate_bar/picture/fig3-3-3-1_examples_plate_bar_input_form_2.png
図3-3-3-1 例題モデル3 モデル作成条件3(固有値解析) モデル作成Excelインプットシート
インプットシートを含むExcelファイルをダウンロード
Z-CUIのCSV形式ファイルをダウンロード
NX/NASTRANのインプットファイルをダウンロード
Femapモデルファイルをダウンロード(Femapがインストールされていないと使用できません)
analysismodel/example03_plate_bar/picture/fig3-3-3-2_examples_plate_bar_2_femap_model.bmp
図3-3-3-2 例題モデル3 モデル作成条件3(固有値解析) 解析条件
analysismodel/example03_plate_bar/picture/fig3-3-3-3_examples_plate_bar_2_femap_output.bmp
図3-3-3-3 例題モデル3 モデル作成条件3(固有値解析) 解析結果
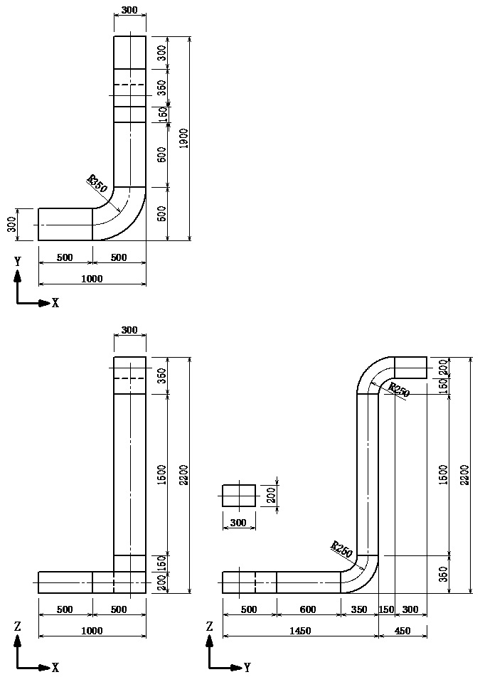
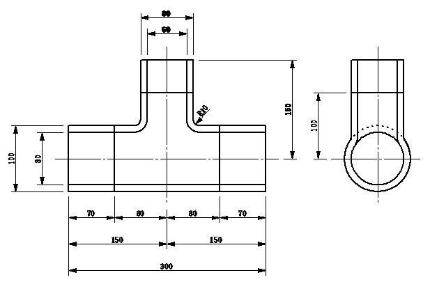
3.4 モデル4(管台軸対称要素、圧力)
管台を軸対称要素で作成したモデルの例題を示す。Z-CUIのインプットデータは下記に示す項目のデータで作成されている。ライン及びカーブは等分割以外のバイアス比を与えた分割も使用している。
なお、鏡部の拘束位置の節点は局所座標系とし、先端部の引張荷重はノズル部の圧力荷重を節点荷重として与える。このためノズル部の先端部節点は剛体要素で結合している。
・ファイル設定
・タイトル
・計算制御
・計算条件
・物性値
・軸対称プロパティ
・ポイント
・カーブ
・ライン
・メッシュサイズ
・ワークプレーン
・ワークプレーン設定
・サーフェイス
・剛体要素
・座標系
・局所座標系
・拘束条件
・面圧
・節点荷重
3.4.1 解析条件
解析モデルの条件は表3-4-1とする。
表3-4-1 例題モデル4 解析条件
解析コード NX/NASTRAN
要素タイプ 軸対称要素(1次)CQUADX4
解析タイプ 静荷重
荷重 面圧
節点荷重

3.4.2 解析モデル
解析モデルの寸法図を図3-4-1に、インプットデータを作成するための寸法記号及びジオメトリIDと拘束条件及び荷重条件を図3-4-2に示す。
Z基本モデルのZ-CUIインプットデータを表3-4-2に示す。
analysismodel/example04_axisymmetric/picture/fig3-4-1_example4_axisymmetric_dimension.jpg
図3-4-1 例題モデル4 解析モデル寸法図
analysismodel/example04_axisymmetric/picture/fig3-4-2_example4_axisymmetric_condition.jpg
図3-4-2 例題モデル4 ジオメトリID及び解析条件図
表3-4-2 例題モデル4 Z-CUIインプットデータ
$------------------------------------
$ファイル設定
$------------------------------------
Fp  , F:\z-cui_Example\AnalysisModel\Example04_Axisymmetric
Fe  , Example04_Axisymmetric.dat
Ff  , Example04_Axisymmetric.modfem
Fc  , Example04_Axisymmetric.lst
$----------------------------------------------------
$タイトル
$----------------------------------------------------
Ti  , Nozzle Type 1
St  , Press : 5
$----------------------------------------------------
$計算制御データ
$anatype   : 解析タイプ番号 0=静解析、1=固有値解析、2=動解析
$solver    : ソルバー番号 0=MSC/NASTRAN、1=NX/NASTRAN、4=ABAQUS
$dimension : 次元 2=2次元、3=3次元
$----------------------------------------------------
An  , 0 , 1 , 2
$----------------------------------------------------
$計算条件データ
$step:処理ステップ№
$0=解析、1=エクスポート、2=モデル作成、3=ジオメトリ作成
$sid:拘束id、mid:多点拘束id、load:荷重id、meth:固有値計算id、dload:動解析荷重id
$----------------------------------------------------
Cn  , 0 , 5 , 0 , 2 , 0 , 0
$----------------------------------------------------
$物性値データ
$   ,ID ,        TITLE      ,    E   ,  G ,  P
$----------------------------------------------------
Ma  , 1 ,  Material Type 1  , 200000 , 0.0 , 0.3
$----------------------------------------------------
$軸対称プロパティデータ
$   ,ID ,  TITLE   ,MID,THIC,ELEMSHAPE,FLAGMAP, ELEMSHAPE=4:四角形要素(低次)
$----------------------------------------------------
Sh  , 1 ,  軸対称  , 1 ,    ,    4    ,  1
$----------------------------------------------------
$ポイントデータ
$    , ID  ,     R     ,,      Z
$----------------------------------------------------
Po   ,   1 ,     0.0   ,,      0.0
Po   ,   2 ,    55.0   ,,   532.165
Po   ,   3 ,   250.0   ,,   433.012
Po   ,   4 ,   260.0   ,,   450.333
Po   ,   5 ,    51.402 ,,   497.351
Po   ,   6 ,    53.458 ,,   517.245
Po   ,   7 ,    20.0   ,,   532.165
Po   ,   8 ,    40.0
Po   ,   9 ,    20.0   ,,   590.0
Po   ,  10 ,    40.0
Po   ,  11 ,    20.0   ,,   610.0
Po   ,  12 ,    30.0
Po   ,  13 ,    20.0   ,,   650.0
Po   ,  14 ,    30.0
$----------------------------------------------------
$カーブデータ
$      ,ID ,PID,P1 ,P2 ,P3 ,DV ,  X  ,  Y  ,  Z
$----------------------------------------------------
CupCse , 1 , 0 , 1 , 3 , 5 , 6
CupCse , 2 ,   , 1 , 4 , 6
CupCse , 3 ,   , 2 , 7 , 5 , 4
CupCse , 4 ,   , 2 , 8 , 6
$----------------------------------------------------
$ラインデータ
$      ,ID ,PID,P1 ,P2 ,P3 ,DV ,  X  ,  Y  ,  Z
$----------------------------------------------------
LiP    , 5 , 0 , 7 , 9 , 5
CPLIP  , 5 , 5 , 1 , 1 , 1
LiP    , 7 ,      , 9 , 11 , 3
CPLIP  , 7 , 7 , 1 , 1 , 1
LiP    , 9 ,      , 11 , 13 , 4
CPLIP  , 9 , 9 , 1 , 1 , 1
$
LiP    , 11 ,      , 3 , 4 , 4
CPLIP  , 11 , 11 , 5 , 1 , 2
$----------------------------------------------------
$ワークプレーンデータ
$     ,ID ,TYPE,   X  ,  Y  ,  Z
$----------------------------------------------------
WSY   , 1 ,  0 ,  0.0 , 0.0 , 5.0
$----------------------------------------------------
$ワークプレーン設定データ
$     ,ID ,WID, P1,  P2 ,   Pn
$----------------------------------------------------
WPC   , 1 , 1 , 1 , -4
$----------------------------------------------------
$メッシュサイズデータ
$      ,ID , IDF, IDL,INC,NUMELEM,MESHSIZE,MINLINE,MINCLOSED,MINOTHER,BIASMETHOD,SPACING,BIAS,BIASLOC
$----------------------------------------------------
MCuSi  , 1 ,  1 ,  2 , 1 ,     6 ,      1 ,     1 ,      12 ,      2 ,        1 ,     0 ,  5 ,   1
MCuSi  , 2 ,  3 ,  4 , 1 ,     4 ,      1 ,     1 ,      12 ,      2 ,        0 ,     0 ,  2 ,   1
MCuSi  , 3 ,  5 ,  6 , 1 ,     5 ,      1 ,     1 ,      12 ,      2 ,        1 ,     0 ,  2 ,   3
MCuSi  , 4 ,  7 ,  8 , 1 ,     4 ,      1 ,     1 ,      12 ,      2 ,        1 ,     0 ,  2 ,   1
MCuSi  , 5 ,  9 , 10 , 1 ,     6 ,      1 ,     1 ,      12 ,      2 ,        1 ,     0 ,  2 ,   0
MCuSi  , 6 , 11 , 11 , 1 ,     4 ,      1 ,     1 ,      12 ,      2 ,        1 ,     0 ,  2 ,   3
CpMCuSi, 6 ,  6 ,  5 , 1 , 1
$----------------------------------------------------
$サーフェイスデータ
$      , ID , PID, C1 , C2 , C3 , C4 , Cn  , DV1 , DV2
$----------------------------------------------------
SuBc   , 21 ,  1 ,  1 , 11 ,  2 , 12 , END
SuBc   , 22 ,    ,  3 , 12 ,  4 , 13 , END
SuBc   , 23 ,    ,  5 , 13 ,  6 , 14 , END
SuBc   , 24 ,    ,  7 , 14 ,  8 , 15 , END
SuBc   , 25 ,    ,  9 , 15 , 10 , 16 , END
$----------------------------------------------------
$剛体要素データ
$       ,ID , COMP ,   ,   , P ,  C
$----------------------------------------------------
$ポイントIDとラインIDで選択
Rbe2PC  , 1 ,    3 ,   ,   , 13 , 16
$----------------------------------------------------
$座標系データ
$   ,ID ,TITLE  ,TYPE,  X  , Y , Z                ,  ROTX ,  TOTY ,  ROTZ
$----------------------------------------------------
Cs  , 5 ,   R   ,  0 , 260 , 0 , 450.333209967908 ,   0.0 , -60.0 ,   0.0
$----------------------------------------------------
$局所座標系データ 拘束節点
$    ,  ID ,DEFCSYS,OUTCSYS,ID1,ID2,IDn
$----------------------------------------------------
LnCu , 101 ,     0 ,     5 , 11
$----------------------------------------------------
$拘束条件データ
$    ,ID ,SID,COMP,C1
$----------------------------------------------------
BCC  , 1 , 5 ,  3 , 11
BCP  , 2 , 5 ,  5 , 13
$----------------------------------------------------
$面圧データ
$     ,ID ,LID,  TITLE ,  TYPE ,SC , C1
$----------------------------------------------------
Lo    , 3 , 2 ,  内圧  ,  PRES , 5 , 1
CPLOC , 3 , 3 , 4 , 1 , 2
$----------------------------------------------------
$節点荷重データ
$   , ID ,LID,    TITLE   , TYPE ,  SC  ,LOADX,LOAFY,LOADZ, P1
$----------------------------------------------------
Lo  , 11 , 2 ,  節点荷重  , FORP , 1000 , 0.0 , 0.0 , 1.0 , 13
Z-CUIインプットをダウンロード

3.4.3 解析モデル作成例
表3-4-2に示すインプットデータを基に表3-4-3に示すモデル作成条件で解析モデルデータを作成しZ-CUIを使用して実行した結果を以下に示す。
なお、本モデルのライン及びカーブは全て分割数及び分割方法を指定している。
表3-4-3 例題モデル4 モデル作成条件
モデル作成条件 内容
1 基本モデル
2 基本モデルより寸法及びカーブ分割数の変更
3 基本モデルより一次要素から二次要素に変更

analysismodel/example04_axisymmetric/picture/fig3-4-1-1_example4_axisymmetric_input_form.png
図3-4-1-1 例題モデル4 モデル作成条件1 モデル作成Excelインプットシート
インプットシートを含むExcelファイルをダウンロード
Z-CUIのCSV形式ファイルをダウンロード
NX/NASTRANのインプットファイルをダウンロード
Femapモデルファイルをダウンロード(Femapがインストールされていないと使用できません)
analysismodel/example04_axisymmetric/picture/fig3-4-1-2_example4_axisymmetric_femap_model.bmp
図3-4-1-2 例題モデル4 モデル作成条件1 解析条件
analysismodel/example04_axisymmetric/picture/fig3-4-1-3_example4_axisymmetric_femap_output.bmp
図3-4-1-3 例題モデル4 モデル作成条件1 解析結果
analysismodel/example04_axisymmetric/picture/fig3-4-2-1_example4_axisymmetric_input_form_1.png
図3-4-2-1 例題モデル4 モデル作成条件2 モデル作成Excelインプットシート
インプットシートを含むExcelファイルをダウンロード
Z-CUIのCSV形式ファイルをダウンロード
NX/NASTRANのインプットファイルをダウンロード
Femapモデルファイルをダウンロード(Femapがインストールされていないと使用できません)
analysismodel/example04_axisymmetric/picture/fig3-4-2-2_example4_axisymmetric_1_femap_model.bmp
図3-4-2-2 例題モデル4 モデル作成条件2 解析条件
analysismodel/example04_axisymmetric/picture/fig3-4-2-3_example4_axisymmetric_1_femap_output.bmp
図3-4-2-3 例題モデル4 モデル作成条件2 解析結果
analysismodel/example04_axisymmetric/picture/fig3-4-3-1_example4_axisymmetric_input_form_higher_element.png
図3-4-3-1 例題モデル4 モデル作成条件3 モデル作成Excelインプットシート
インプットシートを含むExcelファイルをダウンロード
Z-CUIのCSV形式ファイルをダウンロード
NX/NASTRANのインプットファイルをダウンロード
Femapモデルファイルをダウンロード(Femapがインストールされていないと使用できません)
analysismodel/example04_axisymmetric/picture/fig3-4-3-2_example4_axisymmetric_higher_element_femap_model.bmp
図3-4-3-2 例題モデル4 モデル作成条件3 解析条件
analysismodel/example04_axisymmetric/picture/fig3-4-3-3_example4_axisymmetric_higher_element_femap_output.bmp
図3-4-3-3 例題モデル4 モデル作成条件3 解析結果
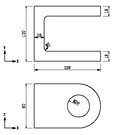
3.5 モデル5(U字型6面体ソリッド要素、圧力)
U字型を6面体ソリッド要素で作成したモデルの例題を示す。Z-CUIのインプットデータは下記に示す項目のデータで作成されている。メッシュの大きさはメッシュサイズを与えている。
・ファイル設定
・タイトル
・計算制御
・計算条件
・ビュー
・物性値
・ソリッドプロパティ
・直方体ソリッド
・ソリッドのフィレット
・円筒ソリッド
・ワークプレーン
・ワークプレーン設定
・ソリッドの差
・ソリッドのスライス
・サーフェイスアプローチ
・サーフェイスメッシュサイズ
・ソリッドオートメッシュ
・ソリッドメッシュサイズ
・ジオメトリID設定
・拘束条件
・面圧荷重
3.5.1 解析条件
解析モデルの条件は表3-5-1とする。
表3-5-1 例題モデル5 解析条件
解析コード NX/NASTRAN
要素タイプ ソリッド要素(1次)CHEXA
解析タイプ 静荷重
荷重 面圧(節点荷重)

3.5.2 解析モデル
解析モデルの寸法図を図3-5-1に、インプットデータを作成するための寸法記号及びジオメトリIDと拘束条件及び荷重条件を図3-5-2に示す。
基本モデルのZ-CUIインプットデータを表3-5-2に示す。
analysismodel/example05_solid-u/picture/fig3-5-1_examples5_solid-u_dimension.jpg
図3-5-1 例題モデル5 解析モデル寸法図
analysismodel/example05_solid-u/picture/fig3-5-2_examples5_solid-u_symbol.jpg
図3-5-2 例題モデル5 ジオメトリID及び解析条件図
表3-5-2 例題モデル5 Z-CUIインプットデータ
$------------------------------------
$ファイル設定
$------------------------------------
Fp , F:\z-cui_Example\AnalysisModel\Example05_Solid-U
Fe , Example05_Solid-U.dat
Ff , Example05_Solid-U.modfem
Fc , Example05_Solid-U.lst
$----------------------------------------------------
$タイトル
$----------------------------------------------------
Ti , U字型ソリッドの作成 6面体
St , プリミティブソリッドからシェル化 節点荷重
$----------------------------------------------------
$計算制御データ
$anatype:解析タイプ番号 0=静解析、1=固有値解析、2=動解析
$solver:ソルバー番号 0=MSC/NASTRAN,1=NX/NASTRAN
$----------------------------------------------------
An , 0 , 1
$----------------------------------------------------
$計算条件データ
$step:処理ステップ№
$0=解析、1=エクスポート、2=モデル作成、3=ジオメトリ作成
$sid:拘束id、mid:多点拘束id、load:荷重id、meth:固有値計算id、dload:動解析荷重id
$----------------------------------------------------
Cn , 0 , 11 , 0 , 5 , 0 , 0
$----------------------------------------------------
$ビューデータ
$    ,ID , TITLE,TYPE,  ROTAX   ,  ROTAY , ROTAZ
$----------------------------------------------------
VIRO , 1 , 二等角 ,  8 
$----------------------------------------------------
$物性値データ
$----------------------------------------------------
Ma , 1  , Material Type 1 , 2.1E4 ,    0.0 ,    0.3 ,   7.85E-09
$----------------------------------------------------
$ソリッドプロパティデータ
$  , PID, TITLE ,MID,TYPE,MAP
$----------------------------------------------------
So ,  1 , Solid1 , 1 ,  6 , 0
So ,  2 , Solid2 , 1 ,  6 , 0
$----------------------------------------------------
$ソリッドデータ プリミティブ 直方体-コーナー
$     ,  ID , PID , OPE, DIR,SHAPE, SIZE1 , SIZE2 , SIZE3 ,  ORIX ,  ORIY ,IDSOLID,  TITLE  ,DV1,DV2,DV3,DVn
$----------------------------------------------------
SoPr  ,   1 ,   0 ,  0 ,  0 ,   1 , 120.0 , 100.0 ,  80.0 ,   0.0 ,   0.0 ,     , Solid-1
$----------------------------------------------------
$ソリッドのカーブIDの設定 フィレット用
$       , ID , PID , SO , COORD11 , COORD12 , COORD13 , COORD21 , COORD22 , COORD23
$----------------------------------------------------
IDCUSON , 11 ,   0 ,  1 ,   120.0 ,     0.0 ,     0.0 ,   120.0 ,   100.0 ,     0.0 , $下側のカーブ
IDCUSON , 12 ,     ,    ,   120.0 ,     0.0 ,    80.0 ,   120.0 ,   100.0 ,    80.0 , $上側のカーブ
$----------------------------------------------------
$フィレット
$       , ID , RADIUS , CU1 , CUn
$----------------------------------------------------
ESOFI   , 13,   40.0 ,  11,  12
$----------------------------------------------------
$ソリッドのサーフェイスIDの設定 シェル化用
$       , ID , PID , SO , COORD11 , COORD12 , COORD13 , COORD21 , COORD22 , COORD23
$----------------------------------------------------
IDSUSON , 21 ,   0 ,  1 ,     0.0 ,     0.0 ,     0.0 ,    80.0 ,   100.0 ,     0.0 , $下面 平面
IDSUSON , 22 ,     ,    ,    80.0 ,     0.0 ,     0.0 ,   120.0 ,   100.0 ,    40.0 , $下側 曲面
IDSUSON , 23 ,     ,    ,   120.0 ,     0.0 ,    40.0 ,    80.0 ,   100.0 ,    80.0 , $上側 曲面
IDSUSON , 24 ,     ,    ,     0.0 ,     0.0 ,    80.0 ,    80.0 ,   100.0 ,    80.0 , $上面 平面
$----------------------------------------------------
$         ID , THICKNESS , SO , SU1, SUn
$----------------------------------------------------
ESOSH   , 25 ,      18.0 ,  1 , 21 , 22 , 23 , 24
$----------------------------------------------------
$ソリッドデータ プリミティブ 円筒
$     ,  ID , PID , OPE, DIR,SHAPE, SIZE1 , SIZE2 , SIZE3 ,  ORIX ,  ORIY ,IDSOLID,  TITLE  ,DV1,DV2,DV3,DVn
$----------------------------------------------------
SoPr  ,  31 ,   0 ,  0 ,  1 ,   2 ,  20.0 ,       , 100.0 ,  80.0 ,  40.0 ,     , Solid-2
$----------------------------------------------------
$ワークプレーンデータ 穴用
$    ,  ID ,TYPE,   X1 ,   Y1 ,   Z1  ,   X2  ,  Y2  ,  Z2  ,  X3  ,  Y3  ,  Z3
$    ,  ID ,TYPE,   P1 ,   P2 ,   P3
$----------------------------------------------------
WSY  ,   1 ,  0 ,  0.0 ,  0.0 ,    0.0
$----------------------------------------------------
$ワークプレーン設定
$    , ID WIDE , S1 , S2 ,   Sn
$----------------------------------------------------
WPC  ,  1 ,  1 ,  31
$----------------------------------------------------
$ソリッドの編集 ソリッドの差
$      , ID , SO , SO1
$----------------------------------------------------
ESoRemo, 32 ,  1 , 31 , $直方体から円筒で穴をあける
$----------------------------------------------------
$ソリッドIDと座標値でカーブIDを作成
$        , ID , PID ,SO , COORD11 , COORD12 , COORD13 , COORD21 , COORD22 , COORD23
$----------------------------------------------------
IDCUSON  , 41 ,   0 , 1 ,    18.0 ,    18.0 ,     0.0 ,    18.0 ,    18.0 ,   80.0 ,$Y軸の小さい方
IDCUSON  , 42 ,     , 1 ,    18.0 ,    82.0 ,     0.0 ,    18.0 ,    82.0 ,   80.0 ,$Y軸の大きい方
$----------------------------------------------------
$ソリッドの編集 フィレット
$      , ID ,  RAD , Cu1,Cu2
$----------------------------------------------------
ESoFi  , 43 ,  7.0 , 41
ESoFi  , 44 ,  7.0 , 42
$----------------------------------------------------
$ソリッドの分割 平面でスライス フィレット部で分割
$      , ID , DEL ,IROTA,DEPTHVECT1,DEPTHVECT2,DEPTHVECT3,DIRVEC11,DIRVEC12,DIRVEC13,DIRVEC21,DIRVEC22,DIRVEC23,SO1,SO2 SOn
$----------------------------------------------------
SsoNPl , 45 ,  -1 ,  0  ,     25.0 ,      0.0 ,      0.0 ,   25.0 ,    1.0 ,    0.0 ,   25.0 ,    0.0 ,    1.0 , 1 , $フィレット部でスライス
$----------------------------------------------------
$座標値でソリッドID作成
$      , ID , PID , COORD11 , COORD12 , COORD13 , COORD21 , COORD22 , COORD23
$----------------------------------------------------
IdSoN  , 51 ,     ,     0.0 ,     0.0 ,     0.0 ,     0.0 ,   100.0 ,    80.0 , $付根
IdSoN  , 52 ,     ,    25.0 ,     0.0 ,         ,    80.0 ,    18.0 ,         , $穴部 Y軸の小さい方
IdSoN  , 53 ,     ,    25.0 ,    82.0 ,         ,    80.0 ,   100.0 ,         , $穴部 Y軸の小さい方
$----------------------------------------------------
$ソリッドの分割 平面でスライス 穴中心で縦にスライス
$      , ID   DEL ,IROTA,DEPTHVECT1,DEPTHVECT2,DEPTHVECT3,DIRVEC11,DIRVEC12,DIRVEC13,DIRVEC21,DIRVEC22,DIRVEC23,SO1,SO2 SOn
$----------------------------------------------------
SsoNPl , 54 ,  -1 ,   0 ,     80.0 ,      0.0 ,      0.0 ,   80.0 ,    1.0 ,    0.0 ,   80.0 ,    0.0 ,    1.0 , 52, $穴部 Y軸の小さい方 IDは体積が大きい方が52,小さい方が54
SsoNPl , 55 ,  -1 ,   0 ,     80.0 ,      0.0 ,      0.0 ,   80.0 ,    1.0 ,    0.0 ,   80.0 ,    0.0 ,    1.0 , 53, $穴部 Y軸の大きい方 IDは体積が大きい方が53,小さい方が55
$----------------------------------------------------
$サーフェイスメッシュサイズ
$     ,ID ,IDF ,IDL ,INC, MESHSIZE,MINEDGE,MAXANGLE,MAXONSMALL,SMALLSIZE,VERTEXASPECT,MAPPEDREFINEMENT,GROWTHFACTOR,REFINERATIO
$----------------------------------------------------
MSusi , 1 ,  0 ,    ,   ,  0.0    ,    3  ,  25.0  ,      6   , 0.0     ,     0.0    ,       1        ,    1.0     ,    0.1
jump , $マップドメッシュなしの場合はJump
$----------------------------------------------------
$座標値でソリッドのポイントID作成 サーフェイスアプローチデータ用
$      , ID , SO , COORD11 , COORD12 , COORD13
$----------------------------------------------------
IdPoSo , 61 , 52 ,    80.0 ,     0.0 ,   60.0 , $穴部 X軸の小さい方 穴内側 上側 Z:60
IdPoSo , 62 ,    ,    80.0 ,     0.0 ,   80.0 , $穴部 X軸の小さい方 穴外側 上側 Z:80
IdPoSo , 63 ,    ,    80.0 ,     0.0 ,    0.0 , $穴部 X軸の小さい方 穴内側 下側 Z: 0
IdPoSo , 64 ,    ,    80.0 ,     0.0 ,   20.0 , $穴部 X軸の小さい方 穴外側 下側 Z:20
$
IdPoSo , 71 , 54 ,    80.0 ,     0.0 ,   20.0 , $穴部 X軸の大きい方 穴外側 下側 Z:20
IdPoSo , 72 ,    ,    80.0 ,     0.0 ,    0.0 , $穴部 X軸の大きい方 穴内側 下側 Z: 0
IdPoSo , 73 ,    ,    80.0 ,     0.0 ,   80.0 , $穴部 X軸の大きい方 穴外側 上側 Z:80
IdPoSo , 74 ,    ,    80.0 ,     0.0 ,   60.0 , $穴部 X軸の大きい方 穴内側 上側 Z:60
$----------------------------------------------------
$ソリッドのサーフェイスIDの設定 サーフェイスアプローチデータ用
$       , ID , PID , SO , COORD11 , COORD12 , COORD13 , COORD21 , COORD22 , COORD23
$----------------------------------------------------
IDSUSON , 81 ,   0 , 52 ,    25.0 ,     0.0 ,     0.0 ,    80.0 ,     0.0 ,    80.0 , $穴部 X軸の小さい方 Y:  0
IDSUSON , 82 ,     ,    ,    25.0 ,    18.0 ,     0.0 ,    80.0 ,    18.0 ,    80.0 , $穴部 X軸の小さい方 Y: 18
IDSUSON , 83 ,     , 53 ,    25.0 ,    82.0 ,     0.0 ,    80.0 ,    82.0 ,    80.0 , $穴部 X軸の小さい方 Y: 82
IDSUSON , 84 ,     ,    ,    25.0 ,   100.0 ,     0.0 ,    80.0 ,   100.0 ,    80.0 , $穴部 X軸の小さい方 Y:100
$
IDSUSON , 91 ,   0 , 54 ,    80.0 ,     0.0 ,     0.0 ,    80.0 ,     0.0 ,    60.0 , $穴部 X軸の大きい方 Y:  0
IDSUSON , 92 ,     ,    ,    80.0 ,    18.0 ,     0.0 ,    80.0 ,    18.0 ,    60.0 , $穴部 X軸の大きい方 Y: 18
IDSUSON , 93 ,     , 55 ,    80.0 ,    82.0 ,     0.0 ,    80.0 ,    82.0 ,    60.0 , $穴部 X軸の大きい方 Y: 82
IDSUSON , 94 ,     ,    ,    80.0 ,   100.0 ,     0.0 ,    80.0 ,   100.0 ,    60.0 , $穴部 X軸の大きい方 Y:100
$----------------------------------------------------
$サーフェイスアプローチデータ
$      , ID , IDF , IDL ,INC,APPROACH , P1 , P2 , P3 , P4
$----------------------------------------------------
MSuAp  ,  1 ,  81 ,  84 , 1 ,    3    , 61 , 62 , 63 , 64 , $穴部 X軸の小さい方
MSuAp  ,  3 ,  91 ,  94 , 1 ,    3    , 71 , 72 , 73 , 74 , $穴部 X軸の大きい方
$----------------------------------------------------
$ソリッドのオートメッシュ
$      , ID ,IDF ,IDL ,INC ,ELEMSHAPE,SURFACEMESHINLY,TETGROWTH,CHECKSURFELEM,DELETESURF,MIDSIDEGEOM,MIDSIDEANGLE
$----------------------------------------------------
MSOAU  ,  1 , 51 , 55 ,  1 ,       6 ,             0 ,     2.0 ,           1 ,        1 ,         1 ,        30.0
endj
$----------------------------------------------------
$ソリッドのサイズ設定
$      , ID ,IDF ,IDL ,INC ,HEXMESH,MESHSIZE,REPLACEALL,MINEDGE,MAXANGLE,MAXONSMALL,SMALLSIZE,VERTEXASPECT,MAPPEDREFINEMENT,GROWTHFACTOR,REFINERATIO,REFINESURF,MATCHADJACENT,ADJUSTCOLOR
$----------------------------------------------------
MSOSI  ,  1 , 51 , 55 ,  1 ,     6 ,8.851708,          ,       ,        ,          ,         ,            ,                ,            ,           ,          ,           1 ,           
$----------------------------------------------------
$ソリッドID作成をしてプロパティを設定しメッシュ分割
$      , ID , PID , SO
$----------------------------------------------------
IdSaSo , 101 ,   1 , 51 ,$付根
IdSaSo , 102 ,   2 , 52 ,$穴部付根側 Y軸の小さい方
IdSaSo , 103 ,     , 53 ,$穴部付根側 Y軸の大きい方
IdSaSo , 104 ,     , 54 ,$穴部先端側 Y軸の小さい方
IdSaSo , 105 ,     , 55 ,$穴部先端側 Y軸の大きい方
$----------------------------------------------------
$拘束条件 付根部完全拘束
$   , ID , SID ,   COMP , COORD
$----------------------------------------------------
BCX ,  1 ,  11 , 123456 , 0.0
$----------------------------------------------------
$ソリッドのサーフェイスIDの設定 荷重用
$       , ID , PID , SO , COORD11 , COORD12 , COORD13 , COORD21 , COORD22 , COORD23
$----------------------------------------------------
IDSUSON , 111 ,   0 , 54 ,    80.0 ,     0.0 ,    20.0 ,   100.0 ,    18.0 ,    40.0 , $穴部 Y軸の小さい方 下
IDSUSON , 112 ,   0 ,    ,   100.0 ,     0.0 ,    40.0 ,    80.0 ,    18.0 ,    60.0 , $穴部 Y軸の小きい方 上
IDSUSON , 121 ,   0 , 55 ,    80.0 ,    82.0 ,    20.0 ,   100.0 ,   100.0 ,    40.0 , $穴部 Y軸の大きい方 下
IDSUSON , 122 ,   0 ,    ,   100.0 ,    82.0 ,    40.0 ,    80.0 ,   100.0 ,    60.0 , $穴部 Y軸の大きい方 上
$----------------------------------------------------
$面圧データ
$   ,  ID , LID , TITLE  , TYPE ,   SC  ,LOADX,LOADY,LOADZ, S2 , Cn
$----------------------------------------------------
LO  ,   1 ,   5 , 穴面FX , FORS , 100.0 , 1.0 , 0.0 , 0.0 , 111 , 112 , 121 , 122
Z-CUIインプットをダウンロード

3.5.3 解析モデル作成例
表3-5-2に示すインプットデータを基に表3-5-3に示すモデル作成条件で解析モデルデータを作成しZ-CUIを使用して実行した結果を以下に示す。
なお、本モデルはメッシュサイズを指定して分割している。
表3-5-3 例題モデル5 モデル作成条件
モデル作成条件 内容
1 基本モデル
2 基本モデルのメッシュ分割方法をマップドメッシュ分割に変更
3 モデル作成条件2のモデルのモデル寸法などを変更
4 モデル作成条件2のモデルより一次要素から二次要素に変更

analysismodel/example05_solid-u/picture/fig3-5-1-1_examples5_solid-u_input_form.png
図3-5-1-1 例題モデル5 モデル作成条件1 モデル作成Excelインプットシート
インプットシートを含むExcelファイルをダウンロード
Z-CUIのCSV形式ファイルをダウンロード
NX/NASTRANのインプットファイルをダウンロード
Femapモデルファイルをダウンロード(Femapがインストールされていないと使用できません)
analysismodel/example05_solid-u/picture/fig3-5-1-2_examples5_solid-u_femap_model.bmp
図3-5-1-2 例題モデル5 モデル作成条件1 解析条件
analysismodel/example05_solid-u/picture/fig3-5-1-3_examples5_solid-u_femap_output.bmp
図3-5-1-3 例題モデル5 モデル作成条件1 解析結果
analysismodel/example05_solid-u/picture/fig3-5-2-1_examples5_solid-u_input_form_1.png
図3-5-2-1 例題モデル5 モデル作成条件2 モデル作成Excelインプットシート
インプットシートを含むExcelファイルをダウンロード
Z-CUIのCSV形式ファイルをダウンロード
NX/NASTRANのインプットファイルをダウンロード
Femapモデルファイルをダウンロード(Femapがインストールされていないと使用できません)
analysismodel/example05_solid-u/picture/fig3-5-2-2_examples5_solid-u_1_femap_model.bmp
図3-5-2-2 例題モデル5 モデル作成条件2 解析条件
analysismodel/example05_solid-u/picture/fig3-5-2-3_examples5_solid-u_1_femap_output.bmp
図3-5-2-3 例題モデル5 モデル作成条件2 解析結果
analysismodel/example05_solid-u/picture/fig3-5-3-1_examples5_solid-u_input_form_2.png
図3-5-3-1 例題モデル5 モデル作成条件3 モデル作成Excelインプットシート
インプットシートを含むExcelファイルをダウンロード
Z-CUIのCSV形式ファイルをダウンロード
NX/NASTRANのインプットファイルをダウンロード
Femapモデルファイルをダウンロード(Femapがインストールされていないと使用できません)
analysismodel/example05_solid-u/picture/fig3-5-3-2_examples5_solid-u_2_femap_model.bmp
図3-5-3-2 例題モデル5 モデル作成条件3 解析条件
analysismodel/example05_solid-u/picture/fig3-5-3-3_examples5_solid-u_2_femap_output.bmp
図3-5-3-3 例題モデル5 モデル作成条件3 解析結果
analysismodel/example05_solid-u/picture/fig3-5-4-1_examples5_solid-u_input_form_higher_element.png
図3-5-4-1 例題モデル5 モデル作成条件4 モデル作成Excelインプットシート
インプットシートを含むExcelファイルをダウンロード
Z-CUIのCSV形式ファイルをダウンロード
NX/NASTRANのインプットファイルをダウンロード
Femapモデルファイルをダウンロード(Femapがインストールされていないと使用できません)
analysismodel/example05_solid-u/picture/fig3-5-4-2_examples5_solid-u_higher_element_femap_model.bmp
図3-5-4-2 例題モデル5 モデル作成条件4 解析条件
analysismodel/example05_solid-u/picture/fig3-5-4-3_examples5_solid-u_higher_element_femap_output.bmp
図3-5-4-3 例題モデル5 モデル作成条件4 解析結果
3.6 モデル6(コンロッド4面体ソリッド要素、圧力)
コンロッドを4面体ソリッド要素で作成したモデルの例題を示す。Z-CUIのインプットデータは下記に示す項目のデータで作成されている。なお、荷重は面圧(節点荷重)を与えている。
・ファイル設定
・タイトル
・計算制御
・計算条件
・ビュー
・物性値
・ソリッドプロパティ
・ポイント
・ライン
・カーブ
・ワークプレーン
・ワークプレーン設定
・バウンダリサーフェイス
・サーフェイスの押し出し
・ソリッドの和
・ソリッドの差
・ソリッドのスライス
・ソリッドメッシュサイズ
・ソリッドオートメッシュ
・ジオメトリID設定
・拘束条件
・節点変位面圧(節点荷重)
3.6.1 解析条件
解析モデルの条件は表3-6-1とする。
表3-6-1 例題モデル6 解析条件
解析コード NX/NASTRAN
要素タイプ ソリッド要素(1次)CTETRA
解析タイプ 静荷重
荷重 面圧(節点荷重)

3.6.2 解析モデル
解析モデルの寸法図を図3-6-1に、インプットデータを作成するための法記号及び解析条件図とジオメトリID図を図3-6-2及び図3-6-3示す。
基本モデルのZ-CUIインプットデータを表3-6-2に示す。
analysismodel/example06_conrod/picture/fig3-6-1_example06_conrod_dimension.jpg
図3-6-1 例題モデル6 解析モデル寸法図
analysismodel/example06_conrod/picture/fig3-6-2_example06_conrod_symbol.jpg
図3-6-2 例題モデル6 寸法記号及び解析条件図
analysismodel/example06_conrod/picture/fig3-6-3_example06_conrod_id.png
図3-6-3 例題モデル6 ジオメトリID図
表3-6-2 例題モデル6 Z-CUIインプットデータ
$------------------------------------
$ファイル設定
$------------------------------------
Fp , F:\z-cui_Example\AnalysisModel\Example06_Conrod
Fe , Example06_CONROD-01.dat
Ff , Example06_CONROD-01.modfem
Fc , Example06_CONROD-01.lst
$----------------------------------------------------
$タイトル
$----------------------------------------------------
Ti , コンロッド
St , 4面体 面圧荷重
$----------------------------------------------------
$計算制御データ
$anatype:解析タイプ番号 0=静解析、1=固有値解析、2=動解析
$solver:ソルバー番号 0=MSC/NASTRAN,1=NX/NASTRAN
$----------------------------------------------------
An , 0 , 1
$----------------------------------------------------
$計算条件データ
$step:処理ステップ№
$0=解析、1=エクスポート、2=モデル作成、3=ジオメトリ作成
$sid:拘束id、mid:多点拘束id、load:荷重id、meth:固有値計算id、dload:動解析荷重id
$----------------------------------------------------
Cn , 0 , 11 , 0 , 5 , 0 , 0
$----------------------------------------------------
$ビューデータ
$    ,ID , TITLE,TYPE,  ROTAX   ,  ROTAY , ROTAZ
$----------------------------------------------------
$VIRO , 1 , 二等角 ,  8 
$----------------------------------------------------
$物性値データ
$----------------------------------------------------
Ma , 1  , Material Type 1 , 2.0E5 ,    0.0 ,    0.3 ,   7.85E-09
$----------------------------------------------------
$ソリッドプロパティデータ
$  , PID, TITLE ,MID,TYPE,MAP
$----------------------------------------------------
So ,  1 , Solid1 , 1 ,  4 , 0
So ,  2 , Solid2 , 1 ,  4 , 0
$----------------------------------------------------
$ポイント
$  ,   ID , X , Y , Z
$----------------------------------------------------
PO ,    1 ,  -30.0 ,    0.0 ,    0.0
PO ,    2 ,  -20.0
PO ,    3 ,    0.0
PO ,    4 ,   20.0
PO ,    5 ,   30.0
PO ,    6 ,   43.0 ,        ,    4.0
PO ,    7 ,   55.0
PO ,    8 ,  110.0
PO ,    9 ,  124.0
PO ,   10 ,  140.0 ,        ,    0.0
PO ,   11 ,  152.5
PO ,   12 ,  180.0
PO ,   13 , 54.56364 , 11.99206 , 4.0
PO ,   14 ,109.49091 , 13.99074
PO ,   15 ,19.26136,   23.0     , 0.0
PO ,   17 ,  138.0 ,   38.0
PO ,   19 ,  145.0 ,   38.0
PO ,   20 ,        ,   48.0
PO ,   21 ,  180.0 ,   27.5
PO ,   22 ,        ,   40.0
PO ,   23 ,        ,   48.0
PO ,   24 ,  145.0 ,   58.0
PO ,   25 ,  180.0
$----------------------------------------------------
$カーブ
$       ID , PID , P1 , P2 , P3
$----------------------------------------------------
CUPCSE,  1 ,   0 ,  3 ,  4 ,  2
CUPCSE,  2 ,     ,  3 ,  5 ,  1
CUPCSE,  3 ,     ,  7 , 13 ,  6
CUPCSE,  4 ,     ,  8 ,  9 , 14
CUPCSE,  5 ,     , 12 , 21 , 11
CUPCSE,  6 ,     , 12 , 22 , 10
$LIP  , ID , PID , P1 , P2
LIP   ,  7 ,   0 ,  1 ,  2
LIP   ,  8 ,     ,  4 ,  5
LIP   ,  9 ,     ,  5 , 10
LIP   , 10 ,     ,  6 ,  9
LIP   , 11 ,     , 10 , 11
LIP   , 12 ,     , 13 , 14
CUPCSE, 13 ,     ,  3 ,  5 , 15
$LIPA , ID , PID , P1 ,  LENG ,   ANG 
LIPA  , 14 ,     , 15 , 100.0 ,   2.0
LIPA  , 15 ,     , 19 ,  20.0 , 250.0
$ECPFI, ID , PID , C1 , C2 ,  P , rad , ITRIM
ECPFI , 16 ,   0 , 14 , 15 , 17 , 7.0 , 0
$LIP  , ID , PID , P1 , P2
LIP   , 17 ,     , 19 , 20
LIP   , 18 ,     , 21 , 22
LIP   , 19 ,     , 22 , 23
LIP   , 20 ,     , 20 , 23
LIP   , 21 ,     , 20 , 24
LIP   , 22 ,     , 23 , 25
LIP   , 23 ,     , 24 , 25
$----------------------------------------------------
$カーブのポイントIDを作成 X座標の大きいポイント
$         ID   CU
$----------------------------------------------------
IDPOCUX2, 29 , 14
$----------------------------------------------------
$ワークプレーンデータ
$    ,  ID ,TYPE,   X1 ,   Y1 ,   Z1  ,   X2  ,  Y2  ,  Z2  ,  X3  ,  Y3  ,  Z3
$    ,  ID ,TYPE,   P1 ,   P2 ,   P3
$----------------------------------------------------
WSZ  ,   1 , 0  ,  0.0 ,  0.0 ,  4.0 ,$穴のカーブ
WSX  ,   2 , 0  ,180.0 , 48.0 ,  0.0 ,$ボルト穴のソリッド
$----------------------------------------------------
$ワークプレーン設定
$    , ID ,WID , C1 , C2 ,   Cn
$----------------------------------------------------
WPC  ,  1 ,  1 ,  3 ,  4 ,$穴のカーブ
WPS  ,  2 ,  2 , 46      ,$ボルト穴のソリッド
$----------------------------------------------------
$バウンダリサーフェス
$     , ID , PID , C1 , C2 , C3 , C4 , Cn
$----------------------------------------------------
SUBC  , 31 ,   0 ,  7 ,  1 ,  8 ,  2                          , $リング 小
SUBC  , 32 ,     , 11 ,  5 , 18 ,  6                          , $リング 大
SUBC  , 33 ,     , 10 ,  4 , 12 ,  3                          , $軸 穴部
SUBC  , 34 ,     ,  9 ,  6 , 19 , 20 , 17 , 15 , 16 , 14 , 13 , $軸
SUBC  , 35 ,     , 20 , 21 , 22 , 23                          , $軸 ボルト部
$----------------------------------------------------
$ソリッド 押し出し
$     , ID , PID ,OPERATION,DEPTHMODE,DIRMODE,IROTA,DEPTHVEC1,DEPTHVEC2,DEPTHVEC3,DIRVEC11,DIRVEC12,DIRVEC13,DIRVEC21,DORVEC22,DIRVEC23,IDSURF,IDSOLID,DV1,DVn
$----------------------------------------------------
SONEX , 41 ,   0 ,       0 ,       0 ,     0 ,   0 ,    15.0 ,         ,         ,    0.0 ,    0.0 ,    0.0 ,    0.0 ,    0.0 ,     1.0,   31 , $リング 小
SONEX , 42 ,     ,       0 ,       0 ,     0 ,   0 ,    20.0 ,         ,         ,    0.0 ,    0.0 ,    0.0 ,    0.0 ,    0.0 ,     1.0,   32 , $リング 大
SONEX , 43 ,     ,       0 ,       0 ,     0 ,   0 ,     6.0 ,         ,         ,    0.0 ,    0.0 ,    0.0 ,    0.0 ,    0.0 ,     1.0,   33 , $軸 穴部
SONEX , 44 ,     ,       0 ,       0 ,     0 ,   0 ,    10.0 ,         ,         ,    0.0 ,    0.0 ,    0.0 ,    0.0 ,    0.0 ,     1.0,   34 , $軸
$     , ID , PID ,OPERATION,ANGLEMODE,DIRMODE,ANGLEVEC, P1 , P3 , IDSURF , IDSOLID , DV1 , DV2 , DV3 , DVn
SOPRE , 45 ,     ,       0 ,       0 ,     0 ,    90.0 , 20 , 23 ,     35 ,$ボルト部ソリッド
$SOPR , ID , PID ,OPERATION,DIRMODE  , SHAPE ,   SIZE1 , SIZE2 , SIZE3 , ORIX , ORIY , IDSOLID , TITLE ,DV1,DVn
SOPR  , 46 ,   0 ,       0 ,       1 ,     2 ,     4.0 ,       ,   35.0 , 0.0 ,  0.0 , $ボルト穴ソリッド
$----------------------------------------------------
$ソリッドの編集 ソリッドの和
$      , ID , SO1, SO2
$----------------------------------------------------
ESoAd  , 47 , 44 , 45
$----------------------------------------------------
$ソリッドの編集 ソリッドの差
$      , ID , SO , SO1
$----------------------------------------------------
ESoRemo, 48 , 44 , 43 , $軸に穴をあける
ESoRemo, 49 , 44 , 46 , $軸にボルト穴をあける
$      , ID , PID , SO , COORD1 , COORD12 , COORD13 , COORD21 , COORD22 , COORD23
IDSUSON, 50 ,   0 , 44 ,   43.0 ,     0.0 ,     4.0 ,   124.0 ,     0.0 ,     4.0
$      , ID , DEL , DIRMODE , CURVEOPT , P1 , P2 , OFFSET , SU
SSOPEM , 51,   -1 ,       0 ,        0 ,    ,    ,        , 50
$----------------------------------------------------
$ソリッドの分割 平面でスライス
$      ,  ID , DEL ,   P , S1 , Sn
$----------------------------------------------------
SSOPPLX,  52 , -12 ,   3 , 41 , $リング小 IDはXが小さい方が41、大きい方が52
SSONPLZ,  53 , -32 ,10.0 , 41 , $リング小 IDはZが小さい方が41、大きい方が53
SSONPLZ,  54 , -32 ,     , 52 , $リング小 IDはZが小さい方が52、大きい方が54
SSONPLZ,  55 , -32 ,     , 42 , $リング大 IDはZが小さい方が42、大きい方が55
$----------------------------------------------------
$ソリッドの分割 スライスマッチ
$      ,  ID , DEL ,IROTA,DEPTHVECT1,DEPTHVECT2,DEPTHVECT3,DIRVEC11,DIRVEC12,DIRVEC13,DIRVEC21,DIRVEC22,DIRVEC23,SO1,SO2,SOn
$----------------------------------------------------
SSONMA ,  56 , -12 ,  0 ,       0.0 ,      0.0 ,      0.0 ,19.26136,   23.0 ,    0.0 ,19.26136,   23.0 ,   10.0 , 52 , $リング小 下段 IDはXが小さい方が52、大きい方が56
SSONMA ,  57 ,     ,  0 ,       0.0 ,      0.0 ,      0.0 ,19.26136,   23.0 ,    0.0 ,19.26136,   23.0 ,   10.0 , 54 , $リング小 上段 IDはXが小さい方が54、大きい方が57
SSONMA ,  58 ,     ,  0 ,     180.0 ,      0.0 ,      0.0 , 167.51 ,   38.0 ,    0.0 , 167.51 ,   38.0 ,   10.0 , 42 , $リング大 下段 IDはXが小さい方が42、大きい方が58
SSONMA ,  59 ,     ,  0 ,     180.0 ,      0.0 ,      0.0 , 167.51 ,   38.0 ,    0.0 , 167.51 ,   38.0 ,   10.0 , 55 , $リング大 上段 IDはXが小さい方が55、大きい方が59
$----------------------------------------------------
$ソリッドの分割 平面でスライス
$      ,  ID , DEL ,   P , S1 , Sn
$----------------------------------------------------
SSOPPLX,  60 , -12 ,  29 , 44 , $軸 軸穴とリング大の間 IDはXが小さい方が44、大きい方が56
SSOPPLY,  61 , -12 ,  19 , 60 , $軸 ボルト部 IDはYが小さい方が56,大きい方が57
$----------------------------------------------------
$ソリッドのサイズ設定
$      , ID ,IDF ,IDL ,INC ,HEXMESH,MESHSIZE,REPLACEALL,MINEDGE,MAXANGLE,MAXONSMALL,SMALLSIZE,VERTEXASPECT,MAPPEDREFINEMENT,GROWTHFACTOR,REFINERATIO,REFINESURF,MATCHADJACENT,ADJUSTCOLOR
$----------------------------------------------------
MSOSI  ,  1 , 41 , 61 ,  1 ,     6 , 3.0    ,          ,       ,        ,          ,         ,            ,                ,            ,           ,          ,           1 ,           
$----------------------------------------------------
$ソリッドのオートメッシュ
$      , ID ,IDF ,IDL ,INC ,ELEMSHAPE,SURFACEMESHINLY,TETGROWTH,CHECKSURFELEM,DELETESURF,MIDSIDEGEOM,MIDSIDEANGLE
$----------------------------------------------------
MSOAU  ,  1 , 41 , 61 ,  1 ,       6 ,             0 ,     2.0 ,           1 ,        1 ,         1 ,        30.0
$----------------------------------------------------
$ソリッドID作成をしてプロパティを設定しメッシュ分割
$      , ID , PID , SO
$----------------------------------------------------
IdSaSo , 101 ,   1 , 41 ,$リング小 下段 荷重90゚部
IdSaSo , 102 ,    , 52 ,$リング小 下段 分割間
IdSaSo , 103 ,     , 53 ,$リング小 上段 荷重90゚部
IdSaSo , 104 ,     , 54 ,$リング小 上段 分割間
IdSaSo , 105 ,     , 56 ,$リング小 下段 軸部
IdSaSo , 106 ,     , 57 ,$リング小 上段 軸部
IdSaSo , 107 ,     , 42 ,$リング大 下段
IdSaSo , 108 ,     , 58 ,$リング大 下段
IdSaSo , 109 ,     , 55 ,$リング大 上段
IdSaSo , 110 ,     , 59 ,$リング大 上段
IdSaSo , 111 ,   2 , 44 ,$軸
IdSaSo , 112 ,     , 51 ,$軸 溝
IdSaSo , 113 ,     , 60 ,$軸 リング大 付根
IdSaSo , 114 ,     , 61 ,$軸 ボルト側 付根
$----------------------------------------------------
$拘束条件 付根部完全拘束
$   , ID , SID ,   COMP , COORD
$----------------------------------------------------
BCY ,  1 ,  11 , 246    ,   0.0 , $XZ面の固定
BCZ ,  2 ,     , 345    ,   0.0 , $XY面の固定
BCX ,  3 ,     , 1      , 180.0 , $YZ面の固定
$----------------------------------------------------
$ソリッドのサーフェイスIDの設定 荷重面 リング小内面
$       ,  ID , PID ,  SO , COORD11 , COORD12 , COORD13 , COORD21 , COORD22 , COORD23
$----------------------------------------------------
IDSUSON , 201 ,   0 , 101 ,   -20.0 ,     0.0 ,     0.0 ,     0.0 ,    20.0 ,    10.0 , $リング 下側 X小
IDSUSON , 202 ,     , 103 ,   -20.0 ,     0.0 ,    10.0 ,     0.0 ,    20.0 ,    15.0 , $リング 上側 X小
$----------------------------------------------------
$面圧データ
$   ,  ID , LID , TITLE  , TYPE ,   SC  , LOADX,LOADY,LOADZ, S2 , Cn
$----------------------------------------------------
LO  ,   1 ,   5 , 穴面FX , FORS , 100.0 , -0.4 , 0.0 , 0.0 , 201
LO  ,   2 ,     , 穴面FX , FORS , 100.0 , -0.6 , 0.0 , 0.0 , 202
Z-CUIインプットをダウンロード

3.6.3 解析モデル作成例
表3-6-2に示すインプットデータを基に表3-6-3に示すモデル作成条件で解析モデルデータを作成しZ-CUIを使用して実行した結果を以下に示す。
なお、本モデルはメッシュサイズを指定して分割している。
表3-6-3 例題モデル6 モデル作成条件
モデル作成条件 内容
1 基本モデル
2 基本モデルよりメッシュサイズの変更
3 基本モデルより寸法の変更

analysismodel/example06_conrod/picture/fig3-6-1-1_example06_conrod_input_form.png
図3-6-1-1 例題モデル6 モデル作成条件1 モデル作成Excelインプットシート
インプットシートを含むExcelファイルをダウンロード
Z-CUIのCSV形式ファイルをダウンロード
NX/NASTRANのインプットファイルをダウンロード
Femapモデルファイルをダウンロード(Femapがインストールされていないと使用できません)
analysismodel/example06_conrod/picture/fig3-6-1-2_example06_conrod_femap_model.bmp
図3-6-1-2 例題モデル6 モデル作成条件1 解析条件
analysismodel/example06_conrod/picture/fig3-6-1-3_example06_conrod_femap_output.bmp
図3-6-1-3 例題モデル6 モデル作成条件1 解析結果
analysismodel/example06_conrod/picture/fig3-6-2-1_example06_conrod_input_form_1.png
図3-6-2-1 例題モデル6 モデル作成条件2 モデル作成Excelインプットシート
インプットシートを含むExcelファイルをダウンロード
Z-CUIのCSV形式ファイルをダウンロード
NX/NASTRANのインプットファイルをダウンロード
Femapモデルファイルをダウンロード(Femapがインストールされていないと使用できません)
analysismodel/example06_conrod/picture/fig3-6-2-2_example06_conrod_1_femap_model.bmp
図3-6-2-2 例題モデル6 モデル作成条件2 解析条件
analysismodel/example06_conrod/picture/fig3-6-2-3_example06_conrod_1_femap_output.bmp
図3-6-2-3 例題モデル6 モデル作成条件2 解析結果
analysismodel/example06_conrod/picture/fig3-6-3-1_example06_conrod_input_form_2.png
図3-6-3-1 例題モデル6 モデル作成条件3 モデル作成Excelインプットシート
インプットシートを含むExcelファイルをダウンロード
Z-CUIのCSV形式ファイルをダウンロード
NX/NASTRANのインプットファイルをダウンロード
Femapモデルファイルをダウンロード(Femapがインストールされていないと使用できません)
analysismodel/example06_conrod/picture/fig3-6-3-2_example06_conrod_2_femap_model.bmp
図3-6-3-2 例題モデル6 モデル作成条件3 解析条件
analysismodel/example06_conrod/picture/fig3-6-3-3_example06_conrod_2_femap_output.bmp
図3-6-3-3 例題モデル6 モデル作成条件3 解析結果
3.7 モデル7(配管同径継手4面体ソリッドモデル、圧力)
配管同径継手を4面体ソリッド要素で作成したモデルの例題を示す。Z-CUIのインプットデータは下記に示す項目のデータで作成されている。ライン及びカーブは等分割以外のバイアス比を与えた分割も使用している。なお、荷重は面圧で与えている。
・ファイル設定
・タイトル
・計算制御
・計算条件
・ビュー
・物性値
・ソリッドプロパティ
・ソリッド
・ワークプレーン
・ワークプレーン設定
・ソリッドの編集
・ジオメトリID設定
・座標系
・局所座標系
・サーフェイスメッシュサイズ
・サーフェイスアプローチ
・拘束条件
・面圧荷重
3.7.1 解析条件
解析モデルの条件は表3-7-1とする。
表3-7-1 例題モデル7 解析条件
解析コード NX/NASTRAN
要素タイプ ソリッド要素(1次)CTETRA
解析タイプ 静荷重
荷重 面圧
節点荷重

3.7.2 解析モデル
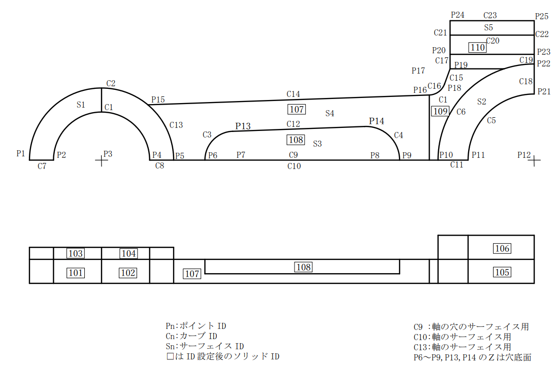
解析モデルの寸法図を図3-7-1に、インプットデータを作成するための法記号及び解析条件図とジオメトリID図を図3-7-2~図3-7-4示す。
基本モデルのZ-CUIインプットデータを表3-7-2に示す。
analysismodel/example07_pipe1/picture/fig3-7-1_example07_pipe1_dimension.jpg
図3-7-1 例題モデル7 解析モデル寸法図
analysismodel/example07_pipe1/picture/fig3-7-2_example07_pipe1_symbol.jpg
図3-7-2 例題モデル7 寸法記号及び解析条件図
analysismodel/example07_pipe1/picture/fig3-7-3_example07_pipe1_id1.png
図3-7-3 例題モデル7 ジオメトリID(1/2)
注1:□はID設定後のソリッドIDを示す。
注2:P〇はID設定後のポイントIDを示す。
analysismodel/example07_pipe1/picture/fig3-7-4_example07_pipe1_id2.png
図3-7-4 例題モデル7 ジオメトリID(2/2)
注1:□はID設定後のソリッドIDを示す。
注2:C〇はID設定後のカーブIDを示す。
表3-7-2 例題モデル7 Z-CUIインプットデータ
$------------------------------------
$ファイル設定
$------------------------------------
Fp , F:\z-cui_Example\AnalysisModel\Example07_Pipe1
Fe , Example07_Pipe1.dat
Ff , Example07_Pipe1.modfem
Fc , Example07_Pipe1.lst
$----------------------------------------------------
$タイトル
$----------------------------------------------------
Ti , ソリッドの作成 4面体
St , チーズ 同一径 等比バイアス分割含む 内圧計算 P=5
$----------------------------------------------------
$計算制御データ
$anatype:解析タイプ番号 0=静解析、1=固有値解析、2=動解析
$solver:ソルバー番号 0=MSC/NASTRAN,1=NX/NASTRAN
$----------------------------------------------------
An , 0 , 1
$----------------------------------------------------
$計算条件データ
$step:処理ステップ№
$0=解析、1=エクスポート、2=モデル作成、3=ジオメトリ作成
$sid:拘束id、mid:多点拘束id、load:荷重id、meth:固有値計算id、dload:動解析荷重id
$----------------------------------------------------
Cn , 0 , 11 , 0 , 5 , 0 , 0
$----------------------------------------------------
$ビューデータ
$    ,ID , TITLE,TYPE,  ROTAX   ,  ROTAY , ROTAZ
$----------------------------------------------------
VIRO , 1 , 等角 ,    , 35.26439 ,  -45.0 , 0.0
$----------------------------------------------------
$物性値データ
$----------------------------------------------------
Ma , 1  , Material Type 1 , 2.0E5 ,    0.0 ,    0.3 ,   7.85E-09
$----------------------------------------------------
$ソリッドプロパティデータ
$  , PID, TITLE ,MID,TYPE,MAP
$----------------------------------------------------
So ,  2 , Solid , 1 ,  4 , 0
$----------------------------------------------------
$ソリッドデータ プリミティブ
$     ,  ID , PID , OPE, DIR,SHAPE, SIZE1 , SIZE2 , SIZE3 ,  ORIX ,  ORIY ,IDSOLID,  TITLE  ,DV1,DV2,DV3,DVn
$----------------------------------------------------
SoPr  ,   1 ,   0 ,  0 ,  0 ,   2 ,  50.0 ,       , 300.0 ,   0.0 ,   0.0 ,     , Solid-1
SoPr  ,   2 ,   0 ,  0 ,  0 ,   2 ,  40.0 ,       , 300.0 ,   0.0 ,   0.0 ,     , Solid-2
SoPr  ,   3 ,   0 ,  0 ,  1 ,   2 ,  50.0 ,       , 150.0 ,   0.0 ,   0.0 ,     , Solid-3
SoPr  ,   4 ,   0 ,  0 ,  1 ,   2 ,  40.0 ,       , 150.0 ,   0.0 ,   0.0 ,     , Solid-4
$----------------------------------------------------
$ワークプレーンデータ
$    ,  ID ,TYPE,   X1 ,   Y1 ,   Z1  ,   X2  ,  Y2  ,  Z2  ,  X3  ,  Y3  ,  Z3
$    ,  ID ,TYPE,   P1 ,   P2 ,   P3
$----------------------------------------------------
WSZ  ,   1 ,  0 ,  0.0 ,  0.0 , -150.0
WSY  ,   2 ,  0 ,  0.0 ,  0.0 ,    0.0
$----------------------------------------------------
$ワークプレーン設定
$    , ID WIDE , S1 , S2 ,   Sn
$----------------------------------------------------
WPS  ,  1 ,  1 ,  1 , 2
WPS  ,  2 ,  2 ,  3 , 4
$----------------------------------------------------
$ソリッドの編集 ソリッドの和
$      , ID , SO1, SO2
$----------------------------------------------------
ESoAd  , 11 ,  1 ,  3
$----------------------------------------------------
$ソリッドの編集 ソリッドの差
$      , ID , SO , SO1
$----------------------------------------------------
ESoRemo, 12 ,  1 ,  2
ESoRemo, 13 ,  1 ,  4
$----------------------------------------------------
$ソリッドの分割 平面でスライス
$      , ID , DEL ,IROTA,DEPTHVECT1,DEPTHVECT2,DEPTHVECT3,DIRVEC11,DIRVEC12,DIRVEC13,DIRVEC21,DIRVEC22,DIRVEC23,SO1,SOn
$----------------------------------------------------
SsoNPl ,  21 ,  12  , 0 ,      0.0 ,      0.0 ,      0.0 ,    0.0 ,    1.0 ,    0.0 ,    0.0 ,    0.0 ,    1.0 ,  1 ,$全体を半分にする YZ面
SsoNPl ,  22 , -21 ,  0   ,    0.0 ,      0.0 ,     80.0 ,    1.0 ,    0.0 ,   80.0 ,    0.0 ,    1.0 ,   80.0 ,  1 ,$主管を縦にスライスして半分にする XY面
SsoNPl ,  23 ,  31 ,  0 ,      0.0 ,      0.0 ,      0.0 ,    1.0 ,    0.0 ,    0.0 ,    0.0 ,    1.0 ,    0.0 ,  1 ,$主管を縦にスライスして半分にする XY面
SsoNPl ,  24 , -22 ,  0 ,      0.0 ,    100.0 ,      0.0 ,    1.0 ,  100.0 ,    0.0 ,    0.0 ,  100.0 ,    1.0 ,  1 ,$枝管を水平に分割 XZ面
$
SsoNPl ,  25 ,     ,  0 ,      0.0 ,      0.0 ,      0.0 ,    1.0 ,    0.0 ,    0.0 ,    0.0 ,    0.0 ,    1.0 , 22 ,$主管を水平に分割 XZ面
SsoNPl ,  26 , -21 ,  0 ,      0.0 ,      0.0 ,      0.0 ,    1.0 ,    0.0 ,    0.0 ,    0.0 ,    0.0 ,    1.0 ,  1 ,$枝管を水平に分割 XZ面
$----------------------------------------------------
$ソリッドIDと座標値でカーブIDを作成
$        , ID , PID ,SO , COORD11 , COORD12 , COORD13 , COORD21 , COORD22 , COORD23
$----------------------------------------------------
IDCUSON  , 31 ,   0 , 1 ,   -50.0 ,     0.0 ,     0.0 ,     0.0 ,    50.0 ,   50.0 ,$管外側の接続部カーブ
IDCUSON  , 32 ,     , 1 ,   -40.0 ,     0.0 ,     0.0 ,     0.0 ,    40.0 ,   40.0 ,$管内側の接続部カーブ
$----------------------------------------------------
$ソリッドの編集 フィレット
$      , ID ,  RAD ,  Cu1,Cu2
$----------------------------------------------------
ESoFi  , 41 , 10.0 , 31
ESoFi  , 42 , 20.0 , 32
$----------------------------------------------------
$座標値でソリッドIDを作成 全ソリッドを再付番
$      , ID , PID,    So
$----------------------------------------------------
IDSASO , 51 ,   0 , 26
IDSASO , 52 ,     ,  1
IDSASO , 53 ,     , 22
IDSASO , 54 ,     , 25
IDSASO , 55 ,     , 24
$----------------------------------------------------
$座標系データ 円筒座標系
$  , ID , TITLE      ,TYPE,    X  ,  Y  ,   Z   ,  ROTX , ROTY , ROTZ
$----------------------------------------------------
Cs , 11 , 円筒座標系 ,  1 ,   0.0 , 0.0 ,   0.0 , 270.0 ,  0.0 ,  0.0
$----------------------------------------------------
$局所座標系データ
$     , ID ,DEFCSYS,OUTCSYS, ID1 , ID2 , IDn
$----------------------------------------------------
LnId  ,  1 ,  1 ,  0 , 101 , -138 ,$主管
LnId  ,  2 , 11 ,    , 151 , -168 ,$枝管
$----------------------------------------------------
$ポイントID設定
$----------------------------------------------------
$板厚方向 左側 下側
IdPoSo  , 101 , 51 ,   40.0 ,  270.0 ,    0.0
IdPoSo  , 102 ,    ,   50.0
$       , IDF , IDL , N1,INCl1,INCSO2,  X1  ,    Y1  ,    Z1  , N2,INCl2,INCSO2,  X1  ,    Y1  ,    Z2
CpIdSoN , 101 , 102 ,  1 ,  2 ,  0 ,    0.0 ,  -90.0 ,    0.0 ,  1 ,  4 ,  0 ,    0.0 ,    0.0 ,   80.0
$板厚方向 左側 上側
IdPoSo  , 111 , 52 ,   40.0 ,  180.0 ,    0.0
IdPoSo  , 112 ,    ,   50.0
IdPoSo  , 115 ,    ,   40.0 ,        ,   80.0
IdPoSo  , 116 ,    ,   50.0
$         IDF   IDL , N1,INCl1,INCSO2,  X1  ,    Y1  ,    Z1
CpIdSoN , 115 , 116 ,  1 ,  2 ,  0 ,    0.0 ,  -90.0 ,    0.0
$板厚方向 右側 上下
IdPoSo  , 121 , 53 ,   40.0 ,  270.0 ,   80.0
IdPoSo  , 122 ,    ,   50.0
$       , IDF , IDL , N1,INCl1,INCSO2,  X1  ,    Y1  ,    Z1  , N2,INCl2,INCSO2,  X2  ,    Y2  ,    Z2  , N2,INCl2,INCSO2,  X3  ,    Y3  ,    Z3
CpIdSoN , 121 , 122 ,  1 ,  2 ,  0 ,    0.0 ,  -90.0 ,    0.0 ,  1 ,  4 ,  0 ,    0.0 ,    0.0 ,   70.0 ,  1 , 10 ,  1 ,    0.0 ,  -90.0 ,   00.0
$板厚方向 枝管側 下側
IdPoSo  , 141 , 52 ,    0.0 ,   40.0 ,   60.0
IdPoSo  , 142 ,    ,        ,   50.0
IdPoSo  , 143 ,    ,        ,   60.0 ,   40.0
IdPoSo  , 144 ,    ,        ,        ,   50.0
$板厚方向 枝管側 上側
IdPoSo  , 151 ,    ,   40.0 ,  180.0 ,  100.0
IdPoSo  , 152 ,    ,   50.0
$         IDF   IDL , N1,INCl1,INCSO2,  X1  ,    Y1  ,    Z1
CpIdSoN , 151 , 152 ,  1 ,  2 ,  0 ,    0.0 ,   90.0 ,    0.0
$板厚方向 枝管側 上側
IdPoSo  , 161 , 55 ,   40.0 ,  180.0 ,  100.0
IdPoSo  , 162 ,    ,   50.0 ,        ,  100.0
$       , IDF , IDL , N1,INCl1,INCSO2,  X1  ,    Y1  ,    Z1  , N2,INCl2,INCSO2,  X1  ,    Y1  ,    Z2
CpIdSoN , 161 , 162 ,  1 ,  2 ,  0 ,    0.0 ,   90.0 ,    0.0 ,  1 ,  4 ,  0 ,    0.0 ,    0.0 ,   50.0
$----------------------------------------------------
$水平方向カーブID設定
$----------------------------------------------------
$主管 左側 下側
IDCUSOP , 201 ,   0 , 51 , 101 , 105 ,  6
CPIDSOP , 201 , 201 ,  3 , 1 , 0 , 1
$主管 左側 下側
IDCUSOP , 211 ,     , 52 , 111 , 115
CPIDSOP , 211 , 211 ,  1 , 1 , 0 , 1
IDCUSOP , 213 ,     ,    , 141 , 117 ,  6
IDCUSOP , 214 ,     ,    , 142 , 118
$主管 右側 上側
IDCUSOP , 221 ,     , 53 , 121 , 125 ,  6
CPIDSOP , 221 , 221 ,  3 , 1 , 0 , 1
$主管 右側 下側
IDCUSOP , 231 ,     , 54 , 131 , 135
CPIDSOP , 231 , 231 ,  3 , 1 , 0 , 1
$フィレット
IDCUSOP , 241 ,     , 52 , 141 , 143 ,  6
CPIDSOP , 241 , 241 ,  1 , 1 , 0 , 1
$枝管 下側
IDCUSOP , 251 ,     ,    , 111 , 151 ,  8
CPIDSOP , 251 , 251 ,  1 , 1 , 0 , 1
IDCUSOP , 253 ,     ,    , 143 , 153 ,  8
CPIDSOP , 253 , 253 ,  1 , 1 , 0 , 1
$枝管 上側
IDCUSOP , 261 ,     , 55 , 161 , 165 ,  4
CPIDSOP , 261 , 261 ,  3 , 1 , 0 , 1
$----------------------------------------------------
$周方向のカーブID設定
$----------------------------------------------------
$主管 下側
IDCUSOP , 271 ,     , 51 , 101 , 103 , 10
CPIDSOP , 271 , 271 ,  1 , 1 , 0 , 1 , 1 , 2 , 0 , 4
$主管 上側
IDCUSOP , 283 ,     , 52 , 115 , 117
CPIDSOP , 283 , 283 ,  1 , 1 , 0 , 1
$主管 左側、上下
IDCUSOP , 291 ,     , 53 , 121 , 123
CPIDSOP , 291 , 291 ,  1 , 1 , 0 , 1 , 1 , 2 , 0 , 4 , 1 , 10 , 1 , 10
$フィレット
IDCUSOP , 311 ,     , 52 , 111 , 141
CPIDSOP , 311 , 311 ,  1 , 1 , 0 , 1
IDCUSOP , 313 ,     ,    , 111 , 143
CPIDSOP , 313 , 313 ,  1 , 1 , 0 , 1
$枝管 下側
IDCUSOP , 321 ,     ,    , 151 , 153 , 10
CPIDSOP , 321 , 321 ,  1 , 1 , 0 , 1
$枝管 上側
IDCUSOP , 331 ,     , 55 , 161 , 163
CPIDSOP , 331 , 331 ,  1 , 1 , 0 , 1 , 1 , 2 , 0 , 4
$----------------------------------------------------
$板厚方向のカーブID設定
$----------------------------------------------------
$主管 左側 下側
IDCUSOP , 401 ,     , 51 , 101 , 102 ,  3
CPIDSOP , 401 , 401 ,  3 , 1 , 0 , 2
$主管 左側 上側
IDCUSOP , 411 ,     , 52 , 111 , 112
IDCUSOP , 412 ,     ,    , 115 , 116
IDCUSOP , 413 ,     ,    , 117 , 118
$主管 右側 上下
IDCUSOP , 421 ,     , 53 , 121 , 122
CPIDSOP , 421 , 421 ,  3 , 1 , 0 , 2 , 1 , 10 , 1 , 10
$枝管 上側
IDCUSOP , 441 ,     , 52 , 151 , 152
CPIDSOP , 441 , 441 ,  1 , 1 , 0 , 2
$枝管 上側
IDCUSOP , 451 ,     , 55 , 161 , 162
CPIDSOP , 451 , 451 ,  3 , 1 , 0 , 2
$----------------------------------------------------
$メッシュサイズデータ
$       , ID , IDF , IDL,INC,NUMELEM,MESHSIZE,MINLINE,MINCLOSED,MINOTHER,BIASMETHOD,SPACING, BIAS,BIASLOC
$BIASLOC : 0=始点を小さく、1=終点を小さく、2=中央を小さく、3=両端を小さく、
$----------------------------------------------------
MCuSi   ,  1 , 201 , 204 , 1 ,    6 ,      1 ,     1 ,       1 ,      2 ,        1 ,     0 , 3.0 ,   0 ,$主管接続部 始点を小さく
MCuSi   ,  2 , 211 , 212 , 1 ,    6 ,      1 ,     1 ,       1 ,      2 ,        1 ,     0 , 3.0 ,   0 ,$主管接続部 始点を小さく
MCuSi   ,  3 , 213 , 214 , 1 ,    6 ,      1 ,     1 ,       1 ,      2 ,        1 ,     0 , 3.0 ,   1 ,$主管接続部 終点を小さく
MCuSi   ,  4 , 251 , 254 , 1 ,    8 ,      1 ,     1 ,       1 ,      2 ,        1 ,     0 , 3.0 ,   0 ,$枝管 始点を小さく
MCuSi   ,  5 , 311 , 314 , 1 ,   10 ,      1 ,     1 ,       1 ,      2 ,        1 ,     0 , 2.5 ,   0 ,$フィレット部 始点を小さく
$----------------------------------------------------
$管接続部 メッシュアプローチ サーフェイスIDの設定
$       ,  ID ,PID, SO ,   P1 ,  P2
$----------------------------------------------------
IdSuSoP , 501 ,   , 51 ,  101 , 107 ,$主管内径面 下側
IdSuSoP , 502 ,   ,    ,  102 , 108 ,$主管外径面 下側
IdSuSoP , 503 ,   , 52 ,  111 , 117 ,$主管内径面 上側
IdSuSoP , 504 ,   ,    ,  112 , 118 ,$主管外径面 上側
IdSuSoP , 505 ,   ,    ,  111 , 153 ,$枝管内径面
IdSuSoP , 506 ,   ,    ,  112 , 154 ,$枝管外径面
IdSuSoP , 507 ,   ,    ,  111 , 141 ,$フィレット内径面
IdSuSoP , 508 ,   ,    ,  112 , 142 ,$フィレット外径面
$----------------------------------------------------
$静荷重 内圧 サーフェイスIDの設定
$       ,  ID ,PID, SO ,   P1 ,  P2
$---------------------------------------------------
$内圧
IdSuSoP , 511 ,   , 51 ,  101 , 107 ,$主管内径面 下側
IdSuSoP , 512 ,   , 52 ,  111 , 117 ,$主管内径面 上側
IdSuSoP , 513 ,   ,    ,  111 , 141 ,$主管内径面 上側 フィレット部
IdSuSoP , 514 ,   ,    ,  111 , 153 ,$主管内径面 上側 枝管側
IdSuSoP , 515 ,   , 53 ,  121 , 127 ,$主管内径面 下側
IdSuSoP , 516 ,   , 54 ,  131 , 137 ,$主管内径面 上側
IdSuSoP , 517 ,   , 55 ,  161 , 167 ,$主管内径面 枝側
$引張荷重
IdSuSoP , 521 ,   , 53 ,  125 , 128 ,$主管 側面 下側
IdSuSoP , 522 ,   , 54 ,  135 , 138 ,$主管 側面 上側
$
IdSuSoP , 531 ,   , 55 ,  165 , 168 ,$枝管 上面
$----------------------------------------------------
$サーフェイスアプローチデータ
$      , ID  , IDF, IDL ,INC,APPROACH ,  P1 ,  P2 ,  P3 ,  P4
$----------------------------------------------------
MSuAp  ,   1 , 501, 502 , 1 ,    3    , 101 , 105 , 107 , 103 
MSuAp  ,   2 , 503, 504 , 1 ,    3    , 111 , 115 , 117 , 141 
MSuAp  ,   3 , 505, 506 , 1 ,    3    , 111 , 143 , 153 , 151
MSuAp  ,   4 , 507, 508 , 1 ,    4    , 111 , 141 , 143
$----------------------------------------------------
$ソリッドIDでソリッドIDを作成 全ソリッドを再付番してメッシュ分割
$      , ID  , PID , SO
$----------------------------------------------------
IDSASO , 701 ,   2 , 51
CPIDSA , 701 , 701 ,  4 , 1 , 1
$----------------------------------------------------
$拘束条件
$   ,ID ,SID ,COMP ,  COORD
$----------------------------------------------------
BCX , 1 , 11 , 156 , 0.0
BCZ , 2 ,    , 345 , 0.0
BCP , 3 ,    , 2   , 134
$----------------------------------------------------
$静荷重 内圧
$  ,ID,LID, TITLE , TYPE ,  SC      ,  S1 ,   S2 ,   Sn
$----------------------------------------------------
LO , 1, 5 , 内圧  , PRES ,  5.0     , 511 , -517 ,$内圧
LO , 2, 5 ,       ,      , -2.8125  , 521 ,  522 ,$主管 引張荷重
LO , 3, 5 ,       ,      , -2.8125  , 531        ,$枝管 引張荷重
Z-CUIインプットをダウンロード

3.7.3 解析モデル作成例
表3-7-2に示すインプットデータを基に表3-7-3に示すモデル作成条件で解析モデルデータを作成しZ-CUIを使用して実行した結果を以下に示す。
なお、本モデルのライン及びカーブは全て分割数を指定している。
表3-7-3 例題モデル7 モデル作成条件
モデル作成条件 内容
1 基本モデル
2 基本モデルより寸法及びカーブ分割数の変更
3 基本モデルより寸法及びカーブ分割数の変更

analysismodel/example07_pipe1/picture/fig3-7-1-1_example07_pipe1_input_form.png
図3-7-1-1 例題モデル7 モデル作成条件1 モデル作成Excelインプットシート
インプットシートを含むExcelファイルをダウンロード
Z-CUIのCSV形式ファイルをダウンロード
NX/NASTRANのインプットファイルをダウンロード
Femapモデルファイルをダウンロード(Femapがインストールされていないと使用できません)
analysismodel/example07_pipe1/picture/fig3-7-1-2_example07_pipe1_femap_model.bmp
図3-7-1-2 例題モデル7 モデル作成条件1 解析条件
analysismodel/example07_pipe1/picture/fig3-7-1-3_example07_pipe1_femap_output.bmp
図3-7-1-3 例題モデル7 モデル作成条件1 解析結果
analysismodel/example07_pipe1/picture/fig3-7-2-1_example07_pipe1_input_form_t10_r10_divid_min.png
図3-7-2-1 例題モデル7 モデル作成条件2 モデル作成Excelインプットシート
インプットシートを含むExcelファイルをダウンロード
Z-CUIのCSV形式ファイルをダウンロード
NX/NASTRANのインプットファイルをダウンロード
Femapモデルファイルをダウンロード(Femapがインストールされていないと使用できません)
analysismodel/example07_pipe1/picture/fig3-7-2-2_example07_pipe1_t10_r10_divid_min_femap_model.bmp
図3-7-2-2 例題モデル7 モデル作成条件2 解析条件
analysismodel/example07_pipe1/picture/fig3-7-2-3_example07_pipe1_t10_r10_divid_min_femap_output.bmp
図3-7-2-3 例題モデル7 モデル作成条件2 解析結果
analysismodel/example07_pipe1/picture/fig3-7-3-1_example07_pipe1_input_form_t20_r15_divid_max.png
図3-7-3-1 例題モデル7 モデル作成条件3 モデル作成Excelインプットシート
インプットシートを含むExcelファイルをダウンロード
Z-CUIのCSV形式ファイルをダウンロード
NX/NASTRANのインプットファイルをダウンロード
Femapモデルファイルをダウンロード(Femapがインストールされていないと使用できません)
analysismodel/example07_pipe1/picture/fig3-7-3-2_example07_pipe1_t20_r15_divid_max_femap_model.bmp
図3-7-3-2 例題モデル7 モデル作成条件3 解析条件
analysismodel/example07_pipe1/picture/fig3-7-3-3_example07_pipe1_t20_r15_divid_max_femap_output.bmp
図3-7-3-3 例題モデル7 モデル作成条件3 解析結果
3.8 モデル8(配管異径継手6面体ソリッドモデル、圧力)
配管異径継手を6面体ソリッド要素で作成したモデルの例題を示す。Z-CUIのインプットデータは下記に示す項目のデータで作成されている。ライン及びカーブは等分割以外のバイアス比を与えた分割も使用している。なお、荷重は面圧で与えている。
・ファイル設定
・タイトル
・計算制御
・計算条件
・ビュー
・物性値
・ソリッドプロパティ
・ソリッド
・ワークプレーン
・ワークプレーン設定
・ソリッドの編集
・ジオメトリID設定
・座標系
・局所座標系
・サーフェイスメッシュサイズ
・サーフェイスアプローチ
・拘束条件
・面圧荷重
3.8.1 解析条件
解析モデルの条件は表3-8-1とする。
表3-8-1 例題モデル8 解析条件
解析コード NX/NASTRAN
要素タイプ ソリッド要素(1次)CHEXA
解析タイプ 静荷重
荷重 面圧
節点荷重

3.8.2 解析モデル
解析モデルの寸法図を図3-8-1に、インプットデータを作成するための法記号及び解析条件図とジオメトリID図を図3-8-2~図3-8-4示す。
基本モデルのZ-CUIインプットデータを表3-8-2に示す。
analysismodel/example08_pipe2/picture/fig3-8-1_example08_pipe2_dimension.jpg
図3-8-1 例題モデル8 解析モデル寸法図
analysismodel/example08_pipe2/picture/fig3-8-2_example08_pipe2_symbol.jpg
図3-8-2 例題モデル8 寸法記号及び解析条件図
analysismodel/example08_pipe2/picture/fig3-8-3_example08_pipe2_id1.png
図3-8-3 例題モデル8 ジオメトリID(1/2)
注1:□はID設定後のソリッドIDを示す。
注2:P〇はID設定後のポイントIDを示す。
analysismodel/example08_pipe2/picture/fig3-8-4_example08_pipe2_id2.png
図3-8-4 例題モデル8 ジオメトリID(2/2)
注1:□はID設定後のソリッドIDを示す。
注2:C〇はID設定後のカーブIDを示す。
表3-8-2 例題モデル8 Z-CUIインプットデータ
$------------------------------------
$ファイル設定
$------------------------------------
Fp , F:\z-cui_Example\AnalysisModel\Example08_Pipe2
Fe , Example08_Pipe2.dat
Ff , Example08_Pipe2.modfem
Fc , Example08_Pipe2.lst
$----------------------------------------------------
$タイトル
$----------------------------------------------------
Ti , ソリッドの作成 6面体
St , チーズ 異径 等比バイアス分割含む 内圧計算 P=5
$----------------------------------------------------
$計算制御データ
$anatype:解析タイプ番号 0=静解析、1=固有値解析、2=動解析
$solver:ソルバー番号 0=MSC/NASTRAN,1=NX/NASTRAN
$----------------------------------------------------
An , 0 , 1
$----------------------------------------------------
$計算条件データ
$step:処理ステップ№
$0=解析、1=エクスポート、2=モデル作成、3=ジオメトリ作成
$sid:拘束id、mid:多点拘束id、load:荷重id、meth:固有値計算id、dload:動解析荷重id
$----------------------------------------------------
Cn , 0 , 11 , 0 , 5 , 0 , 0
$----------------------------------------------------
$ビューデータ
$    ,ID , TITLE,TYPE,  ROTAX   ,  ROTAY , ROTAZ
$----------------------------------------------------
VIRO , 1 , 等角 ,    , 35.26439 ,  -45.0 , 0.0
$----------------------------------------------------
$物性値データ
$----------------------------------------------------
Ma , 1  , Material Type 1 , 2.0E5 ,    0.0 ,    0.3 ,   7.85E-09
$----------------------------------------------------
$ソリッドプロパティデータ
$  , PID, TITLE ,MID,TYPE,MAP
$----------------------------------------------------
So ,  2 , Solid , 1 , 6 , 0
$----------------------------------------------------
$ソリッドデータ プリミティブ
$     ,  ID , PID , OPE, DIR,SHAPE, SIZE1 , SIZE2 , SIZE3 ,  ORIX ,  ORIY ,IDSOLID,  TITLE  ,DV1,DV2,DV3,DVn
$----------------------------------------------------
SoPr  ,   1 ,   0 ,  0 ,  0 ,   2 ,  50.0 ,       , 300.0 ,   0.0 ,   0.0 ,     , Solid-1
SoPr  ,   2 ,   0 ,  0 ,  0 ,   2 ,  40.0 ,       , 300.0 ,   0.0 ,   0.0 ,     , Solid-2
SoPr  ,   3 ,   0 ,  0 ,  1 ,   2 ,  40.0 ,       , 150.0 ,   0.0 ,   0.0 ,     , Solid-3
SoPr  ,   4 ,   0 ,  0 ,  1 ,   2 ,  30.0 ,       , 150.0 ,   0.0 ,   0.0 ,     , Solid-4
$----------------------------------------------------
$ワークプレーンデータ
$    ,  ID ,TYPE,   X1 ,   Y1 ,   Z1  ,   X2  ,  Y2  ,  Z2  ,  X3  ,  Y3  ,  Z3
$    ,  ID ,TYPE,   P1 ,   P2 ,   P3
$----------------------------------------------------
WSZ  ,   1 , 0 ,  0.0 ,  0.0 , -150.0
WSY  ,   2 , 0 ,  0.0 ,  0.0 ,    0.0
$----------------------------------------------------
$ワークプレーン設定
$    , ID WIDE , S1 , S2 ,   Sn
$----------------------------------------------------
WPS  ,  1 ,  1 ,  1 , 2
WPS  ,  2 ,  2 ,  3 , 4
$----------------------------------------------------
$ソリッドの編集 ソリッドの和
$      , ID , SO1, SO2
$----------------------------------------------------
ESoAd  , 11 ,  1 ,  3
$----------------------------------------------------
$ソリッドの編集 ソリッドの差
$      , ID , SO , SO1
$----------------------------------------------------
ESoRemo, 12 ,  1 ,  2
ESoRemo, 13 ,  1 ,  4
$----------------------------------------------------
$ソリッドの分割 平面でスライス
$      , ID , DEL ,IROTA,DEPTHVECT1,DEPTHVECT2,DEPTHVECT3,DIRVEC11,DIRVEC12,DIRVEC13,DIRVEC21,DIRVEC22,DIRVEC23,SO1,SOn
$----------------------------------------------------
SsoNPl ,  21 ,  12 ,  0 ,      0.0 ,      0.0 ,      0.0 ,    0.0 ,    1.0 ,    0.0 ,    0.0 ,    0.0 ,    1.0 ,  1 ,$全体を半分にする YZ面
SsoNPl ,  22 , -21 ,  0   ,    0.0 ,      0.0 ,     80.0 ,    1.0 ,    0.0 ,   80.0 ,    0.0 ,    1.0 ,   80.0 ,  1 ,$主管を縦にスライスして半分にする XY面
SsoNPl ,  23 ,  31 ,  0 ,      0.0 ,      0.0 ,      0.0 ,    1.0 ,    0.0 ,    0.0 ,    0.0 ,    1.0 ,    0.0 ,  1 ,$主管を縦にスライスして半分にする XY面
SsoNPl ,  24 , -22 ,  0 ,      0.0 ,    100.0 ,      0.0 ,    1.0 ,  100.0 ,    0.0 ,    0.0 ,  100.0 ,    1.0 ,  1 ,$主管を水平に分割 XZ面
$
SsoNPl ,  25 ,     ,  0 ,      0.0 ,      0.0 ,      0.0 ,    1.0 ,    0.0 ,    0.0 ,    0.0 ,    0.0 ,    1.0 , 22 ,$主管を水平に分割 XZ面
SsoNPl ,  26 , -21 ,  0 ,      0.0 ,      0.0 ,      0.0 ,    1.0 ,    0.0 ,    0.0 ,    0.0 ,    0.0 ,    1.0 ,  1 ,$主管を水平に分割 XZ面
$----------------------------------------------------
$ソリッドIDと座標値でカーブIDを作成
$        , ID , PID ,SO , COORD11 , COORD12 , COORD13 , COORD21 , COORD22 , COORD23
$----------------------------------------------------
IDCUSON  , 31 ,   0 , 1 ,   -40.0 ,   30.0  ,     0.0 ,     0.0 ,    50.0 ,   40.0 ,$管外側の接続部カーブ
IDCUSON  , 32 ,   0 , 1 ,   -30.0 ,  26.4575,     0.0 ,     0.0 ,    40.0 ,   30.0 ,$管内側の接続部カーブ
$----------------------------------------------------
$ソリッドの編集 フィレット
$      , ID ,  RAD ,  Cu1,Cu2
$----------------------------------------------------
ESoFi  , 41 , 10.0 ,  31
ESoFi  , 42 , 20.0 ,  32
$----------------------------------------------------
$座標値でソリッドIDを作成
$      , ID , PID,    So
$----------------------------------------------------
IDSASO , 51 ,   0 , 26
IDSASO , 52 ,     ,  1
IDSASO , 53 ,     , 22
IDSASO , 54 ,     , 25
IDSASO , 55 ,     , 24
$----------------------------------------------------
$座標系データ 円筒座標系
$  , ID , TITLE      ,TYPE,    X  ,  Y  ,   Z   ,  ROTX , ROTY , ROTZ
$----------------------------------------------------
Cs , 11 , 円筒座標系 , 1 ,    0.0 , 0.0 ,   0.0 , 270.0 ,  0.0 ,  0.0
$----------------------------------------------------
$局所座標系データ
$     , ID ,DEFCSYS,OUTCSYS, ID1 , ID2 , IDn
$----------------------------------------------------
LnId  ,  1 ,  1 ,  0 , 101 , -138 ,$主管
LnId  ,  2 , 11 ,    , 151 , -168 ,$枝管
$----------------------------------------------------
$ポイントID設定
$----------------------------------------------------
$板厚方向 左側 下側
IdPoSo  , 101 , 51 ,   40.0 ,  270.0 ,    0.0
IdPoSo  , 102 ,    ,   50.0
$       , IDF , IDL , N1,INCl1,INCSO2,  X1  ,    Y1  ,    Z1  , N2,INCl2,INCSO2,  X1  ,    Y1  ,    Z2
CpIdSoN , 101 , 102 ,  1 ,  2 ,  0 ,    0.0 ,  -90.0 ,    0.0 ,  1 ,  4 ,  0 ,    0.0 ,    0.0 ,   80.0
$板厚方向 左側 上側
IdPoSo  , 111 , 52 ,   40.0 ,  180.0 ,    0.0
IdPoSo  , 112 ,    ,   50.0
IdPoSo  , 115 ,    ,   40.0 ,        ,   80.0
IdPoSo  , 116 ,    ,   50.0
$         IDF   IDL , N1,INCl1,INCSO2,  X1  ,    Y1  ,    Z1
CpIdSoN , 115 , 116 ,  1,   2 ,   0  ,    0.0 ,  -90.0 ,    0.0
$板厚方向 右側 上下
IdPoSo  , 121 , 53 ,   40.0 ,  270.0 ,   80.0
IdPoSo  , 122 ,    ,   50.0
$       , IDF , IDL , N1,INCl1,INCSO2,  X1  ,    Y1  ,    Z1  , N2,INCl2,INCSO2,  X2  ,    Y2  ,    Z2  , N2,INCl2,INCSO2,  X3  ,    Y3  ,    Z3
CpIdSoN , 121 , 122 ,  1 ,  2 ,  0 ,    0.0 ,  -90.0 ,    0.0 ,  1 ,  4 ,  0 ,    0.0 ,    0.0 ,   70.0 ,  1 , 10 ,  1 ,    0.0 ,  -90.0 ,   00.0
$板厚方向 枝管側 下側
IdPoSo  , 141 , 52 ,-33.3333, 22.1108,    0.0
IdPoSo  , 142 ,    ,-41.6667, 27.6385
IdPoSo  , 143 ,    ,    0.0 ,   40.0 ,   50.0
IdPoSo  , 144 ,    ,        ,   50.0
IdPoSo  , 145 ,    ,  -30.0 , 33.1662,    0.0
IdPoSo  , 146 ,    ,  -40.0
IdPoSo  , 147 ,    ,    0.0 ,   60.0 ,   30.0
IdPoSo  , 148 ,    ,        ,        ,   40.0
$板厚方向 枝管側 上側
IdPoSo  , 151 ,    ,   30.0 ,  180.0 ,  100.0
IdPoSo  , 152 ,    ,   40.0
$       , IDF , IDL , N1 ,INCl1,INCSO2,    X1  ,    Y1  ,    Z1
CpIdSoN , 151 , 152 ,  1 ,   2 ,   0 ,    0.0 ,   90.0 ,    0.0
$板厚方向 枝管側 上側
IdPoSo  , 161 , 55 ,   30.0 ,  180.0 ,  100.0
IdPoSo  , 162 ,    ,   40.0 ,        ,
$       , IDF , IDL , N1,INCl1,INCSO2,  X1  ,    Y1  ,    Z1  , N2,INCl2,INCSO2,  X2  ,   Y2  ,    Z2
CpIdSoN , 161 , 162 ,  1 ,  2 ,  0 ,    0.0 ,   90.0 ,    0.0 ,  1 ,  4 ,    0 ,  0.0 ,   0.0 ,   50.0
$----------------------------------------------------
$水平方向のカーブID設定
$----------------------------------------------------
$主管 左側 下側
IDCUSOP , 201 ,     , 51 , 101 , 105 ,  5
CPIDSOP , 201 , 201 ,  3 , 1 , 0 , 1
$主管 左側 下側
IDCUSOP , 211 ,     , 52 , 111 , 115
CPIDSOP , 211 , 211 ,  1 , 1 , 0 , 1
IDCUSOP , 213 ,     ,    , 143 , 117 ,  5
IDCUSOP , 214 ,     ,    , 144 , 118
$主管 右側 下側
IDCUSOP , 221 ,     , 53 , 121 , 125 ,  5
CPIDSOP , 221 , 221 ,  3 , 1 , 0 , 1
$主管 右側 上側
IDCUSOP , 231 ,     , 54 , 131 , 135
CPIDSOP , 231 , 231 ,  3 , 1 , 0 , 1
$フィレット
IDCUSOP , 241 ,     , 52 , 141 , 145 ,  4
CPIDSOP , 241 , 241 ,  1 , 1 , 0 , 1 , 1 , 2 , 0 , 2
$枝管 下側
IDCUSOP , 251 ,     ,    , 145 , 151 ,  8
CPIDSOP , 251 , 251 ,  3 , 1 , 0 , 1
$枝管 上側
IDCUSOP , 261 ,     , 55 , 161 , 165 ,  5
CPIDSOP , 261 , 261 ,  3 , 1 , 0 , 1
$----------------------------------------------------
$周方向のカーブID設定
$----------------------------------------------------
$主管 下側
IDCUSOP , 271 ,     , 51 , 101 , 103 ,  5
CPIDSOP , 271 , 271 ,  1 , 1 , 0 , 1 , 1 , 2 , 0 , 4
$主管 上側
IDCUSOP , 281 ,     , 52 , 111 , 141 ,  5
CPIDSOP , 281 , 281 ,  1 , 1 , 0 , 1
IDCUSOP , 283 ,     ,    , 115 , 117
CPIDSOP , 283 , 283 ,  1 , 1 , 0 , 1
$主管 左側、上下
IDCUSOP , 291 ,     , 53 , 121 , 123
CPIDSOP , 291 , 291 ,  1 , 1 , 0 , 1 , 1 , 2 , 0 , 4 , 1 , 10 , 1 , 10
$フィレット
IDCUSOP , 311 ,     , 52 , 141 , 143 , 10
CPIDSOP , 311 , 311 ,  1 , 1 , 0 , 1 , 1 , 2 , 0 , 4
$枝管 下側
IDCUSOP , 321 ,     ,    , 151 , 153 , 10
CPIDSOP , 321 , 321 ,  1 , 1 , 0 , 1
$枝管 上側
IDCUSOP , 331 ,     , 55 , 161 , 163
CPIDSOP , 331 , 331 ,  1 , 1 , 0 , 1 , 1 , 2 , 0 , 4
$----------------------------------------------------
$板厚方向のカーブID設定
$----------------------------------------------------
$主管 左側 下側
IDCUSOP , 401 ,     , 51 , 101 , 102 ,  3
CPIDSOP , 401 , 401 ,  3 , 1 , 0 , 2
$主管 左側 上側
IDCUSOP , 411 ,     , 52 , 111 , 112
IDCUSOP , 412 ,     ,    , 115 , 116
IDCUSOP , 413 ,     ,    , 117 , 118
$主管 右側 上下
IDCUSOP , 421 ,     , 53 , 121 , 122
CPIDSOP , 421 , 421 ,  3 , 1 , 0 , 2 , 1 , 10 , 1 , 10
$枝管 上側
IDCUSOP , 441 ,     , 52 , 151 , 152
CPIDSOP , 441 , 441 ,  1 , 1 , 0 , 2
$枝管 上側
IDCUSOP , 451 ,     , 55 , 161 , 162
CPIDSOP , 451 , 451 ,  3 , 1 , 0 , 2
$----------------------------------------------------
$メッシュサイズデータ
$       , ID , IDF , IDL,INC,NUMELEM,MESHSIZE,MINLINE,MINCLOSED,MINOTHER,BIASMETHOD,SPACING, BIAS,BIASLOC
$BIASLOC : 0=始点を小さく、1=終点を小さく、2=中央を小さく、3=両端を小さく、
$----------------------------------------------------
MCuSi   ,  1 , 213 , 214 , 1 ,    5 ,      1 ,     1 ,       1 ,      2 ,        1 ,     0 , 3.0 ,   1 ,$フィレット部 終点を小さく
MCuSi   ,  2 , 281 , 282 , 1 ,    5 ,      1 ,     1 ,       1 ,      2 ,        1 ,     0 , 3.0 ,   1 ,$フィレット部 終点を小さく
MCuSi   ,  3 , 251 , 254 , 1 ,    8 ,      1 ,     1 ,       1 ,      2 ,        1 ,     0 , 2.5 ,   0 ,$枝管 始点を小さく
$----------------------------------------------------
$管接続部 メッシュアプローチ サーフェイスIDの設定
$       ,  ID ,PID, SO ,   P1 ,  P2
$----------------------------------------------------
IdSuSoP , 501 ,   , 52 ,  111 , 117 ,$主管内径面
IdSuSoP , 502 ,   ,    ,  112 , 118 ,$主管外径面
IdSuSoP , 503 ,   ,    ,  145 , 153 ,$枝管内径面
IdSuSoP , 504 ,   ,    ,  146 , 154 ,$枝管外径面
$----------------------------------------------------
$静荷重 内圧 サーフェイスIDの設定
$       ,  ID ,PID, SO ,   P1 ,  P2
$---------------------------------------------------
$内圧
IdSuSoP , 511 ,   , 51 ,  101 , 107 ,$主管内径面 下側
IdSuSoP , 512 ,   , 52 ,  111 , 117 ,$主管内径面 上側
IdSuSoP , 513 ,   ,    ,  141 , 147 ,$主管内径面 上側 フィレット部
IdSuSoP , 514 ,   ,    ,  145 , 153 ,$主管内径面 上側 枝管側
IdSuSoP , 515 ,   , 53 ,  121 , 127 ,$主管内径面 下側
IdSuSoP , 516 ,   , 54 ,  131 , 137 ,$主管内径面 上側
IdSuSoP , 517 ,   , 55 ,  161 , 167 ,$主管内径面 枝側
$引張荷重
IdSuSoP , 521 ,   , 53 ,  125 , 128 ,$主管 側面 下側
IdSuSoP , 522 ,   , 54 ,  135 , 138 ,$主管 側面 上側
$
IdSuSoP , 531 ,   , 55 ,  165 , 168 ,$枝管 上面
$----------------------------------------------------
$サーフェイスアプローチデータ
$      , ID  , IDF, IDL ,INC,APPROACH ,  P1 ,  P2 ,  P3 ,  P4
$----------------------------------------------------
MSuAp  ,   1 , 501, 502 , 1 ,    3    , 141 , 111 , 117 , 143
MSuAp  ,   2 , 503, 504 , 1 ,    3    , 145 , 147 , 153 , 151
$----------------------------------------------------
$ソリッドIDでソリッドIDを作成 全ソリッドを再付番してメッシュ分割
$      , ID  , PID , SO
$----------------------------------------------------
IDSASO , 601 ,   2 , 51
CPIDSA , 601 , 601 ,  4 , 1 , 1
$----------------------------------------------------
$拘束条件
$   ,ID ,SID ,COMP ,  COORD
$----------------------------------------------------
BCX , 1 , 11 , 156 , 0.0
BCZ , 2 ,    , 345 , 0.0
BCP , 3 ,    , 2   , 134
$----------------------------------------------------
$静荷重 内圧
$  ,ID,LID, TITLE , TYPE ,  SC      ,  S1 ,   S2 ,   Sn
$----------------------------------------------------
LO , 1, 5 , 内圧  , PRES ,  5.0     , 511 , -517 ,$内圧
LO , 2, 5 ,       ,      , -2.8125  , 521 ,  522 ,$主管 引張荷重
LO , 3, 5 ,       ,      , -3.88889 , 531        ,$枝管 引張荷重
Z-CUIインプットをダウンロード

3.8.3 解析モデル作成例
表3-8-2に示すインプットデータを基に表3-8-3に示すモデル作成条件で解析モデルデータを作成しZ-CUIを使用して実行した結果を以下に示す。
なお、本モデルのライン及びカーブは全て分割数を指定している。
表3-8-3 例題モデル8 モデル作成条件
モデル作成条件 内容
1 基本モデル
2 基本モデルより寸法及びカーブ分割数の変更
3 基本モデルより寸法及びカーブ分割数の変更

analysismodel/example08_pipe2/picture/fig3-8-1-1_example08_pipe2_input_form.png
図3-8-1-1 例題モデル8 モデル作成条件1 モデル作成Excelインプットシート
インプットシートを含むExcelファイルをダウンロード
Z-CUIのCSV形式ファイルをダウンロード
NX/NASTRANのインプットファイルをダウンロード
Femapモデルファイルをダウンロード(Femapがインストールされていないと使用できません)
analysismodel/example08_pipe2/picture/fig3-8-1-2_example08_pipe2_femap_model.bmp
図3-8-1-2 例題モデル8 モデル作成条件1 解析条件
analysismodel/example08_pipe2/picture/fig3-8-1-3_example08_pipe2_femap_output.bmp
図3-8-1-3 例題モデル8 モデル作成条件1 解析結果
analysismodel/example08_pipe2/picture/fig3-8-2-1_example08_pipe2_input_form_t10_r10_divid_min.png
図3-8-2-1 例題モデル8 モデル作成条件2 モデル作成Excelインプットシート
インプットシートを含むExcelファイルをダウンロード
Z-CUIのCSV形式ファイルをダウンロード
NX/NASTRANのインプットファイルをダウンロード
Femapモデルファイルをダウンロード(Femapがインストールされていないと使用できません)
analysismodel/example08_pipe2/picture/fig3-8-2-2_example08_pipe2_t10_r10_divid_min_femap_model.bmp
図3-8-2-2 例題モデル8 モデル作成条件2 解析条件
analysismodel/example08_pipe2/picture/fig3-8-2-3_example08_pipe2_t10_r10_divid_min_femap_output.bmp
図3-8-2-3 例題モデル8 モデル作成条件2 解析結果
analysismodel/example08_pipe2/picture/fig3-8-3-1_example08_pipe2_input_form_t20_r15_divid_max.png
図3-8-3-1 例題モデル8 モデル作成条件3 モデル作成Excelインプットシート
インプットシートを含むExcelファイルをダウンロード
Z-CUIのCSV形式ファイルをダウンロード
NX/NASTRANのインプットファイルをダウンロード
Femapモデルファイルをダウンロード(Femapがインストールされていないと使用できません)
analysismodel/example08_pipe2/picture/fig3-8-3-2_example08_pipe2_t20_r15_divid_max_femap_model.bmp
図3-8-3-2 例題モデル8 モデル作成条件3 解析条件
analysismodel/example08_pipe2/picture/fig3-8-3-3_example08_pipe2_t20_r15_divid_max_femap_output.bmp
図3-8-3-3 例題モデル8 モデル作成条件3 解析結果
3.9 モデル9(配管斜角継手6面体ソリッドモデル、圧力)
配管斜角継手を6面体ソリッド要素で作成したモデルの例題を示す。Z-CUIのインプットデータは下記に示す項目のデータで作成されている。ライン及びカーブは等分割以外のバイアス比を与えた分割も使用している。なお、荷重は面圧で与えている。
・ファイル設定
・タイトル
・計算制御
・計算条件
・ビュー
・物性値
・ソリッドプロパティ
・ソリッド
・ワークプレーン
・ワークプレーン設定
・ソリッドの編集
・ジオメトリID設定
・座標系
・局所座標系
・サーフェイスメッシュサイズ
・サーフェイスアプローチ
・拘束条件
・面圧荷重
3.9.1 解析条件
解析モデルの条件は表3-9-1とする。
表3-9-1 例題モデル9 解析条件
解析コード NX/NASTRAN
要素タイプ ソリッド要素(1次)CHEXA
解析タイプ 静荷重
荷重 面圧
節点荷重

3.9.2 解析モデル
解析モデルの寸法図を図3-9-1に、インプットデータを作成するための法記号及び解析条件図とジオメトリID図を図3-9-2~図3-9-4示す。
基本モデルのZ-CUIインプットデータを表3-9-2に示す。
analysismodel/example09_pipe3/picture/fig3-9-1_example08_pipe3_dimension.jpg
図3-9-1 例題モデル9 解析モデル寸法図
analysismodel/example09_pipe3/picture/fig3-9-2_example08_pipe3_symbol.jpg
図3-9-2 例題モデル9 寸法記号及び解析条件図
analysismodel/example09_pipe3/picture/fig3-9-3_example08_pipe3_id1.png
図3-9-3 例題モデル9 ジオメトリID(1/2)
注1:□はID設定後のソリッドIDを示す。
注2:P〇はID設定後のポイントIDを示す。
analysismodel/example09_pipe3/picture/fig3-9-4_example08_pipe3_id2.png
図3-9-4 例題モデル9 ジオメトリID(2/2)
注1:□はID設定後のソリッドIDを示す。
注2:C〇はID設定後のカーブIDを示す。
表3-9-2 例題モデル9 Z-CUIインプットデータ
$------------------------------------
$ファイル設定
$------------------------------------
Fp , F:\z-cui_Example\AnalysisModel\Example09_Pipe3
Fe , Example09_Pipe3.dat
Ff , Example09_Pipe3.modfem
Fc , Example09_Pipe3.lst
$----------------------------------------------------
$タイトル
$----------------------------------------------------
Ti , ソリッドの作成 6面体
St , チーズ 斜角  メッシュサイズ指定 内圧計算 P=5
$----------------------------------------------------
$計算制御データ
$anatype:解析タイプ番号 0=静解析、1=固有値解析、2=動解析
$solver:ソルバー番号 0=MSC/NASTRAN,1=NX/NASTRAN
$----------------------------------------------------
An , 0 , 1
$----------------------------------------------------
$計算条件データ
$step:処理ステップ№
$0=解析、1=エクスポート、2=モデル作成、3=ジオメトリ作成
$sid:拘束id、mid:多点拘束id、load:荷重id、meth:固有値計算id、dload:動解析荷重id
$----------------------------------------------------
Cn , 0 , 11 , 0 , 5 , 0 , 0
$----------------------------------------------------
$ビューデータ
$    ,ID , TITLE,TYPE,  ROTAX   ,  ROTAY , ROTAZ
$----------------------------------------------------
VIRO , 1 , 等角 ,    , 35.26439 ,  -45.0 , 0.0
$----------------------------------------------------
$物性値データ
$----------------------------------------------------
Ma , 1  , Material Type 1 , 2.0E5 ,    0.0 ,    0.3 ,   7.85E-09
$----------------------------------------------------
$ソリッドプロパティデータ
$  , PID, TITLE ,MID,TYPE,MAP
$----------------------------------------------------
So ,  2 , Solid , 1 ,  6 , 0
$----------------------------------------------------
$ソリッドデータ プリミティブ
$     ,  ID , PID , OPE, DIR,SHAPE, SIZE1 , SIZE2 , SIZE3 ,  ORIX ,  ORIY ,IDSOLID,  TITLE  ,DV1,DV2,DV3,DVn
$----------------------------------------------------
SoPr  ,   1 ,   0 ,  0 ,  0 ,   2 ,  50.0 ,       , 220.0 ,   0.0 ,   0.0 ,       , Solid-1 ,$主管 中心外径円柱
SoPr  ,   2 ,   0 ,  0 ,  0 ,   2 ,  40.0 ,       , 220.0 ,   0.0 ,   0.0 ,       , Solid-2 ,$主管 中心内径円柱
SoPr  ,   3 ,   0 ,  0 ,  0 ,   2 ,  50.0 ,       ,  80.0 ,   0.0 ,   0.0 ,       , Solid-3 ,$主管 左端外径円柱
SoPr  ,   4 ,   0 ,  0 ,  0 ,   2 ,  40.0 ,       ,  80.0 ,   0.0 ,   0.0 ,       , Solid-4 ,$主管 左端内径円柱
SoPr  ,   5 ,   0 ,  0 ,  0 ,   2 ,  50.0 ,       ,  80.0 ,   0.0 ,   0.0 ,       , Solid-5 ,$主管 右端外径円柱
SoPr  ,   6 ,   0 ,  0 ,  0 ,   2 ,  40.0 ,       ,  80.0 ,   0.0 ,   0.0 ,       , Solid-6 ,$主管 右端内径円柱
SoPr  ,   7 ,   0 ,  0 ,  0 ,   2 ,  40.0 ,       , 250.0 ,   0.0 ,   0.0 ,       , Solid-7 ,$枝管 枝管外径円柱
SoPr  ,   8 ,   0 ,  0 ,  0 ,   2 ,  30.0 ,       , 250.0 ,   0.0 ,   0.0 ,       , Solid-8 ,$枝管 枝管内径円柱
$----------------------------------------------------
$ワークプレーンデータ
$    ,  ID ,TYPE,   X1 ,   Y1 ,   Z1  ,   X2  ,  Y2  ,  Z2  ,  X3  ,  Y3  ,  Z3
$    ,  ID ,TYPE,   P1 ,   P2 ,   P3
$----------------------------------------------------
WSZ  ,   1 , 0  ,  0.0 ,  0.0 ,  -50.0                                           ,$主管
WSZ  ,   2 , 0  ,  0.0 ,  0.0 , -130.0                                           ,$主管
WSZ  ,   3 , 0  ,  0.0 ,  0.0 ,  170.0                                           ,$主管
WSN  ,   4 , 0  ,  0.0 ,  0.0 ,    0.0 ,  1.0 ,  0.0 ,  0.0 ,  0.0 ,  1.0 , -1.0 ,$枝管 45゚
$----------------------------------------------------
$ワークプレーン設定
$    , ID WIDE , S1 , S2 ,   Sn
$----------------------------------------------------
WPS  ,  1 ,  1 ,  1 ,  2 ,$主管
WPS  ,  2 ,  2 ,  3 ,  4 ,$主管
WPS  ,  3 ,  3 ,  5 ,  6 ,$主管
WPS  ,  4 ,  4 ,  7 ,  8 ,$枝管 45゚
$----------------------------------------------------
$ソリッドの編集 ソリッドの和
$      , ID , SO1, SO2
$----------------------------------------------------
ESoAd  , 11 ,  1 ,  7
$----------------------------------------------------
$ソリッドの編集 ソリッドの差
$      , ID , SO , SO1
$----------------------------------------------------
ESoRemo, 12 ,  1 ,  2 ,$主管をくり抜き
ESoRemo, 13 ,  3 ,  4 ,$主管をくり抜き
ESoRemo, 14 ,  5 ,  6 ,$主管をくり抜き
ESoRemo, 15 ,  1 ,  8 ,$枝管をくり抜き
$----------------------------------------------------
$ソリッドIDと座標値でカーブIDを作成
$        , ID , PID ,SO ,COORD11,COORD12,COORD13,COORD21,COORD22,COORD23
$----------------------------------------------------
IDCUSON  , 21 ,   0 , 1 , -40.0 ,  30.0 ,  30.0 ,  40.0 ,30.0   , 30.0    ,$管外側の接続部カーブ
IDCUSON  , 22 ,   0 , 1 ,  30.0 ,26.4575,26.4575, -30.0 ,26.4575, 26.4575 ,$管内側の接続部カーブ
$----------------------------------------------------
$ソリッドの編集 フィレット
$      , ID ,  RAD ,  Cu1,Cu2
$----------------------------------------------------
ESoFi  , 31 , 10.0 , 21 ,$管外側の接続部カーブ
ESoFi  , 32 , 20.0 , 22 ,$管内側の接続部カーブ
$----------------------------------------------------
$ソリッドの分割 平面でスライス
$      , ID , DEL ,IROTA,DEPTHVECT1,DEPTHVECT2,DEPTHVECT3,DIRVEC11,DIRVEC12,DIRVEC13,DIRVEC21,DIRVEC22,DIRVEC23,SO1,SOn
$----------------------------------------------------
$主管を縦にスライス YZ面
SsoNPl , 41 ,  12 ,    0 ,      0.0 ,     0.0 ,      0.0 ,    0.0 ,    1.0 ,    0.0 ,    0.0 ,    0.0 ,    1.0 ,  3
SsoNPl , 42 ,     ,    0 ,      0.0 ,     0.0 ,      0.0 ,    0.0 ,    1.0 ,    0.0 ,    0.0 ,    0.0 ,    1.0 ,  1
SsoNPl , 43 ,     ,    0 ,      0.0 ,     0.0 ,      0.0 ,    0.0 ,    1.0 ,    0.0 ,    0.0 ,    0.0 ,    1.0 ,  5
$主管を水平にスライス XZ面
SsoNPl , 44 , -21 ,    0 ,      0.0 ,     0.0 ,      0.0 ,    1.0 ,    0.0 ,    0.0 ,    0.0 ,    0.0 ,    1.0 ,  3
SsoNPl , 45 ,     ,    0 ,      0.0 ,     0.0 ,      0.0 ,    1.0 ,    0.0 ,    0.0 ,    0.0 ,    0.0 ,    1.0 ,  1
SsoNPl , 46 ,     ,    0 ,      0.0 ,     0.0 ,      0.0 ,    1.0 ,    0.0 ,    0.0 ,    0.0 ,    0.0 ,    1.0 ,  5
$管パイプを水平に近いスライス X'Z'面
SsoNPl , 47 , -22 ,    0 ,      0.0 ,   120.0 ,    120.0 ,    0.0 ,  119.0 ,122.4142,    1.0 ,  120.0 ,  120.0 ,  1
$----------------------------------------------------
$座標値でソリッドIDを作成 全ソリッドを再付番
$      , ID , PID,    So
$----------------------------------------------------
IDSASO, 51 ,   0 ,    44 , $主管 左下
IDSASO, 52 ,     ,     3 , $主管 左上
IDSASO, 53 ,     ,    45 , $主管 中央下
IDSASO, 54 ,     ,     1 , $主管 中央上
IDSASO, 55 ,     ,    46 , $主管 右下
IDSASO, 56 ,     ,     5 , $主管 右上
IDSASO, 57 ,     ,    47 , $枝管上
$----------------------------------------------------
$座標系データ 円筒座標系
$  , ID , TITLE      ,TYPE,    X  ,  Y  ,   Z   ,  ROTX , ROTY , ROTZ
$----------------------------------------------------
Cs , 11 , 円筒座標系 ,  1 ,   0.0 , 0.0 ,   0.0 , 315.0 ,  0.0 ,  0.0
$----------------------------------------------------
$局所座標系データ
$     , ID ,DEFCSYS,OUTCSYS, ID1 , ID2 , IDn
$----------------------------------------------------
LnId  ,  1 ,     1 ,     0 , 101 ,-158 ,$主管
LnId  ,  2 ,    11 ,       , 201 ,-206 ,$枝管
$----------------------------------------------------
$ポイントID設定
$----------------------------------------------------
$板厚方向 左側 下側
IdPoSo  , 101 , 51 ,   40.0 ,  270.0 , -130.0
IdPoSo  , 102 ,    ,   50.0
$       , IDF , IDL , N1,INCl1,INCSO2,  X1  ,    Y1  ,    Z1  , N2,INCl2,INCSO2,  X2  ,    Y2  ,    Z2  , N2,INCl2,INCSO2,  X3  ,    Y3  ,    Z3
CpIdSoN , 101 , 102 ,  1 ,  2 ,  0 ,    0.0 ,  -90.0 ,    0.0 ,  1 ,  4 ,  0 ,    0.0 ,    0.0 ,   80.0 ,  1 , 10 ,  1 ,    0.0 ,  -90.0 ,    0.0
IdPoSo  , 121 , 53 ,   40.0 ,  270.0 ,  -50.0
IdPoSo  , 122 ,    ,   50.0
$       , IDF , IDL , N1,INCl1,INCSO2,  X1  ,    Y1  ,    Z1  , N2,INCl2,INCSO2,  X2  ,    Y2  ,    Z2  , N2,INCl2,INCSO2,  X3  ,    Y3  ,    Z3
CpIdSoN , 121 , 122 ,  1 ,  2 ,  0 ,    0.0 ,  -90.0 ,    0.0 ,  1 ,  4 ,  0 ,    0.0 ,    0.0 ,  220.0 ,  1 , 10 ,  1 ,    0.0 ,  -90.0 ,    0.0
IdPoSo  , 141 , 55 ,   40.0 ,  270.0 ,  170.0
IdPoSo  , 142 ,    ,   50.0
$       , IDF , IDL , N1,INCl1,INCSO2,  X1  ,    Y1  ,    Z1  , N2,INCl2,INCSO2,  X2  ,    Y2  ,    Z2  , N2,INCl2,INCSO2,  X3  ,    Y3  ,    Z3
CpIdSoN , 141 , 142 ,  1 ,  2 ,  0 ,    0.0 ,  -90.0 ,    0.0 ,  1 ,  4 ,  0 ,    0.0 ,    0.0 ,   80.0 ,  1 , 10 ,  1 ,    0.0 ,  -90.0 ,    0.0
$フィレット周方向 ①
IdPoSo  , 161 , 54 ,    0.0 ,   40.0 ,-10.7107
IdPoSo  , 162 ,    ,-33.3333, 22.1108, 33.1662
IdPoSo  , 163 ,    ,    0.0 ,   40.0 , 130.71
IdPoSo  , 164 ,    ,    0.0 ,   50.0 ,-10.7101
IdPoSo  , 165 ,    ,-41.6667, 27.6385, 33.1662
IdPoSo  , 166 ,    ,    0.0 ,   50.0 ,130.711
$フィレット周方向 ②
IdPoSo  , 171 ,    ,    0.0 , 45.8579, 3.43146
IdPoSo  , 172 ,    ,  -30.0 , 33.1662, 33.166
IdPoSo  , 173 ,    ,    0.0 , 74.1421,116.569
IdPoSo  , 174 ,    ,    0.0 , 52.9289,-3.63961
IdPoSo  , 175 ,    ,  -40.0 , 33.1662, 33.1662
IdPoSo  , 176 ,    ,    0.0 , 67.071 ,123.64
$板厚方向 枝管 下管
IdPoSo  , 181 ,    ,    0.0 , 132.426,   90.0
IdPoSo  , 182 ,    ,    0.0 , 136.569,   80.0
IdPoSo  , 183 ,    ,  -30.0 , 120.0  ,  120.0
IdPoSo  , 184 ,    ,  -40.0 , 120.0  ,  120.0
IdPoSo  , 185 ,    ,    0.0 , 107.574,  150.0
IdPoSo  , 186 ,    ,    0.0 , 103.431,  160.0
IdPoSo  , 191 , 57 ,    0.0 , 132.426,   90.0
IdPoSo  , 192 ,    ,    0.0 , 136.569,   80.0
IdPoSo  , 193 ,    ,  -30.0 , 120.0  ,  120.0
IdPoSo  , 194 ,    ,  -40.0 , 120.0  ,  120.0
IdPoSo  , 195 ,    ,    0.0 , 107.574,  150.0
IdPoSo  , 196 ,    ,    0.0 , 103.431,  160.0
$板厚方向 枝管 上側
IdPoSo  , 201 ,    ,   30.0 ,   90.0 ,  250.0
IdPoSo  , 202 ,    ,   40.0
$       , IDF , IDL , N1 ,INCl1,INCSO2,    X1  ,    Y1  ,    Z1
CpIdSoN , 201 , 202 ,  2 ,   2 ,  0   ,    0.0 ,   90.0 ,    0.0
$----------------------------------------------------
$水平方向カーブID設定
$----------------------------------------------------
$主管 左側
IDCUSOP , 301 ,     , 51 , 101 , 105 ,  4
CPIDSOP , 301 , 301 ,  3 , 1 , 0 , 1 , 1 , 10 ,  1 , 10
$主管 中央
IDCUSOP , 321 ,     , 53 , 121 , 125 , 10
CPIDSOP , 321 , 321 ,  3 , 1 , 0 , 1
IDCUSOP , 331 ,     , 54 , 131 , 135
CPIDSOP , 331 , 331 ,  1 , 1 , 0 , 1
IDCUSOP , 333 ,     ,    , 133 , 161 ,  5
IDCUSOP , 334 ,     ,    , 134 , 164
IDCUSOP , 335 ,     ,    , 163 , 137
IDCUSOP , 336 ,     ,    , 166 , 138
$主管 右側
IDCUSOP , 341 ,     , 55 , 141 , 145 ,  4
CPIDSOP , 341 , 341 ,  3 , 1 , 0 , 1 , 1 , 10 ,  1 , 10
$フィレット
IDCUSOP , 361 ,     , 54 , 161 , 171 ,  4
CPIDSOP , 361 , 361 ,  1 , 1 , 0 , 3 , 2 , 2 , 0 , 1
$枝管 下側
IDCUSOP , 371 ,     ,    , 171 , 181 ,  8
IDCUSOP , 372 ,     ,    , 174 , 182
IDCUSOP , 373 ,     ,    , 172 , 183
IDCUSOP , 374 ,     ,    , 175 , 184
IDCUSOP , 375 ,     ,    , 173 , 185
IDCUSOP , 376 ,     ,    , 176 , 186
$枝管 上側
IDCUSOP , 381 ,     , 57 , 191 , 201 ,  5
CPIDSOP , 381 , 381 ,  5 , 1 , 0 , 1
$----------------------------------------------------
$周方向のカーブID設定
$----------------------------------------------------
$主管
IDCUSOP , 401 ,     , 51 , 101 , 103 ,  5
CPIDSOP , 401 , 401 ,  1 , 1 , 0 , 1 , 1 , 2 , 0 , 4 , 5 , 10 , 1 , 10
$フィレット
IDCUSOP , 461 ,     , 54 , 161 , 162 , 10
CPIDSOP , 461 , 461 ,  1 , 1 , 0 , 1 , 1 , 2 , 0 , 3 , 1 , 10 , 0 , 10
$枝管 下側
IDCUSOP , 481 ,     ,    , 181 , 183
CPIDSOP , 481 , 481 ,  1 , 1 , 0 , 1 , 1 , 2 , 0 , 2
$枝管 上側
IDCUSOP , 491 ,     , 57 , 191 , 193
CPIDSOP , 491 , 491 ,  1 , 1 , 0 , 1 , 1 , 2 , 0 , 2 , 1 , 10 , 0 , 10
$----------------------------------------------------
$板厚方向のカーブID設定
$----------------------------------------------------
$主管
IDCUSOP , 601 ,     , 51 , 101 , 102 ,  3
CPIDSOP , 601 , 601 ,  3 , 1 , 0 , 2 , 5 , 10 , 1 , 10
$主管
IDCUSOP , 661 ,     , 54 , 181 , 182
CPIDSOP , 661 , 661 ,  1 , 1 , 0 , 4
$主管
IDCUSOP , 671 ,     , 57 , 191 , 192
CPIDSOP , 671 , 671 ,  1 , 1 , 0 , 4 , 1 , 10 , 0 , 10
$----------------------------------------------------
$メッシュサイズデータ
$       , ID , IDF , IDL,INC,NUMELEM,MESHSIZE,MINLINE,MINCLOSED,MINOTHER,BIASMETHOD,SPACING, BIAS,BIASLOC
$BIASLOC : 0=始点を小さく、1=終点を小さく、2=中央を小さく、3=両端を小さく、
$----------------------------------------------------
MCuSi   ,  1 , 333 , 334 , 1 ,    5 ,      1 ,     1 ,       1 ,      2 ,        1 ,     0 , 3.0 ,   0 ,$主管左側
MCuSi   ,  2 , 335 , 336 , 1 ,    5 ,      1 ,     1 ,       1 ,      2 ,        1 ,     0 , 3.0 ,   1 ,$主管右側
MCuSi   ,  3 , 371 , 372 , 1 ,    8 ,      1 ,     1 ,       1 ,      2 ,        1 ,     0 , 3.5 ,   1 ,$枝管左側
MCuSi   ,  4 , 373 , 376 , 1 ,    8 ,      1 ,     1 ,       1 ,      2 ,        1 ,     0 , 2.5 ,   0 ,$枝管中央右側
$----------------------------------------------------
$管接続部 メッシュアプローチ サーフェイスIDの設定
$       ,  ID ,PID, SO ,   P1 ,  P2
$----------------------------------------------------
IdSuSoP , 701 ,   , 54 ,  131 , 137 ,$主管内径面
IdSuSoP , 702 ,   ,    ,  132 , 138 ,$主管外径面
IdSuSoP , 703 ,   ,    ,  161 , 172 ,$フィレット内面 左側
IdSuSoP , 704 ,   ,    ,  164 , 175 ,$フィレット外面 左側
IdSuSoP , 705 ,   ,    ,  162 , 173 ,$フィレット内面 右側
IdSuSoP , 706 ,   ,    ,  165 , 176 ,$フィレット外面 右側
IdSuSoP , 707 ,   ,    ,  171 , 183 ,$枝管内径面 上側
IdSuSoP , 708 ,   ,    ,  174 , 184 ,$枝管外径面 上
IdSuSoP , 709 ,   ,    ,  172 , 185 ,$枝管内径面 下側
IdSuSoP , 710 ,   ,    ,  175 , 186 ,$枝管外径面 下側
$----------------------------------------------------
$静荷重 内圧 サーフェイスIDの設定
$       ,  ID ,PID, SO ,   P1 ,  P2
$---------------------------------------------------
$内圧
IdSuSoP , 711 ,   , 51 ,  101 , 107 ,$主管内径面 左側 下側
IdSuSoP , 712 ,   , 52 ,  111 , 117 ,$主管内径面 左側 上側
IdSuSoP , 713 ,   , 53 ,  121 , 127 ,$主管内径面 中央 下側
IdSuSoP , 714 ,   , 54 ,  131 , 137 ,$主管内径面 中央 上側
IdSuSoP , 715 ,   ,    ,  161 , 172 ,$主管内径面 上側 フィレット部
IdSuSoP , 716 ,   ,    ,  162 , 173 ,$主管内径面 上側 フィレット部
IdSuSoP , 717 ,   ,    ,  171 , 183 ,$主管内径面 上側 枝管側部
IdSuSoP , 718 ,   ,    ,  172 , 185 ,$主管内径面 上側 枝管側
IdSuSoP , 719 ,   , 55 ,  141 , 147 ,$主管内径面 下側
IdSuSoP , 720 ,   , 56 ,  151 , 157 ,$主管内径面 上側
IdSuSoP , 721 ,   , 57 ,  191 , 203 ,$主管内径面 枝側
IdSuSoP , 722 ,   ,    ,  193 , 205 ,$主管内径面 枝側
$引張荷重
IdSuSoP , 731 ,   , 55 ,  145 , 148 ,$主管 側面 下側
IdSuSoP , 732 ,   , 56 ,  155 , 158 ,$主管 側面 上側
$
IdSuSoP , 741 ,   , 57 ,  201 , 206 ,$枝管 上面
$----------------------------------------------------
$サーフェイスアプローチデータ
$      , ID  , IDF, IDL ,INC,APPROACH ,  P1 ,  P2 ,  P3 ,  P4
$----------------------------------------------------
MSuAp  ,   1 , 701, 702 , 1 ,    3    , 161 , 133 , 137 , 163 ,$主管
MSuAp  ,   2 , 703, 704 , 1 ,    3    , 161 , 162 , 172 , 171 ,$フィレット 左側
MSuAp  ,   3 , 705, 706 , 1 ,    3    , 162 , 163 , 173 , 172 ,$フィレット 右側
MSuAp  ,   4 , 707, 708 , 1 ,    3    , 171 , 172 , 183 , 181 ,$枝管 左側
MSuAp  ,   5 , 709, 710 , 1 ,    3    , 172 , 173 , 185 , 183 ,$枝管 右側
$----------------------------------------------------
$ソリッドIDでソリッドIDを作成 全ソリッドを再付番してメッシュ分割
$      , ID  , PID ,SO
$----------------------------------------------------
IDSASO , 751 ,   2 , 51
CPIDSA , 751 , 751 ,  6 , 1 , 1
$----------------------------------------------------
$拘束条件
$   ,ID ,SID ,COMP ,  COORD
$----------------------------------------------------
BCX , 1 , 11 , 156 ,    0.0
BCZ , 2 ,    , 345 , -130.0
BCP , 3 ,    , 2  , 134 , 154
$----------------------------------------------------
$静荷重 内圧
$  ,ID,LID, TITLE , TYPE ,  SC      ,  S1 ,   S2 ,   Sn
$----------------------------------------------------
LO , 1, 5 , 内圧  , PRES ,  5.0     , 711 , -722 ,$内圧
LO , 2, 5 ,       ,      , -2.8125  , 731 ,  732 ,$主管 引張荷重
LO , 3, 5 ,       ,      , -3.88889 , 741        ,$枝管 引張荷重
Z-CUIインプットをダウンロード

3.9.3 解析モデル作成例
表3-9-2に示すインプットデータを基に表3-9-3に示すモデル作成条件で解析モデルデータを作成しZ-CUIを使用して実行した結果を以下に示す。
なお、本モデルのライン及びカーブは全て分割数を指定している。
表3-9-3 例題モデル9 モデル作成条件
モデル作成条件 内容
1 基本モデル
2 基本モデルより寸法及びカーブ分割数の変更
3 基本モデルより寸法及びカーブ分割数の変更
4 基本モデルより寸法及びカーブ分割数の変更

analysismodel/example09_pipe3/picture/fig3-9-1-1_example08_pipe3_input_form.png
図3-9-1-1 例題モデル9 モデル作成条件1 モデル作成Excelインプットシート
インプットシートを含むExcelファイルをダウンロード
Z-CUIのCSV形式ファイルをダウンロード
NX/NASTRANのインプットファイルをダウンロード
Femapモデルファイルをダウンロード(Femapがインストールされていないと使用できません)
analysismodel/example09_pipe3/picture/fig3-9-1-2_example08_pipe3_femap_model.bmp
図3-9-1-2 例題モデル9 モデル作成条件1 解析条件
analysismodel/example09_pipe3/picture/fig3-9-1-3_example08_pipe3_femap_output.bmp
図3-9-1-3 例題モデル9 モデル作成条件1 解析結果
analysismodel/example09_pipe3/picture/fig3-9-2-1_example08_pipe3_input_form_a45_t12_r13_divid_min.png
図3-9-2-1 例題モデル9 モデル作成条件2 モデル作成Excelインプットシート
インプットシートを含むExcelファイルをダウンロード
Z-CUIのCSV形式ファイルをダウンロード
NX/NASTRANのインプットファイルをダウンロード
Femapモデルファイルをダウンロード(Femapがインストールされていないと使用できません)
analysismodel/example09_pipe3/picture/fig3-9-2-2_example08_pipe3_a45_t12_r13_divid_max_femap_model.bmp
図3-9-2-2 例題モデル9 モデル作成条件2 解析条件
analysismodel/example09_pipe3/picture/fig3-9-2-3_example08_pipe3_a45_t12_r13_divid_max_femap_output.bmp
図3-9-2-3 例題モデル9 モデル作成条件2 解析結果
analysismodel/example09_pipe3/picture/fig3-9-3-1_example08_pipe3_input_form_a45_t12_r13_divid_max.png
図3-9-3-1 例題モデル9 モデル作成条件3 モデル作成Excelインプットシート
インプットシートを含むExcelファイルをダウンロード
Z-CUIのCSV形式ファイルをダウンロード
NX/NASTRANのインプットファイルをダウンロード
Femapモデルファイルをダウンロード(Femapがインストールされていないと使用できません)
analysismodel/example09_pipe3/picture/fig3-9-3-2_example08_pipe3_a60_t10_r15_divid_max_femap_model.bmp
図3-9-3-2 例題モデル9 モデル作成条件3 解析条件
analysismodel/example09_pipe3/picture/fig3-9-3-3_example08_pipe3_a60_t10_r15_divid_max_femap_output.bmp
図3-9-3-3 例題モデル9 モデル作成条件3 解析結果
analysismodel/example09_pipe3/picture/fig3-9-4-1_example08_pipe3_input_form_a60_t20_r15_divid_max.png
図3-9-4-1 例題モデル9 モデル作成条件4 モデル作成Excelインプットシート
インプットシートを含むExcelファイルをダウンロード
Z-CUIのCSV形式ファイルをダウンロード
NX/NASTRANのインプットファイルをダウンロード
Femapモデルファイルをダウンロード(Femapがインストールされていないと使用できません)
analysismodel/example09_pipe3/picture/fig3-9-4-2_example08_pipe3_a60_t20_r15_divid_max_femap_model.bmp
図3-9-4-2 例題モデル9 モデル作成条件4 解析条件
analysismodel/example09_pipe3/picture/fig3-9-4-3_example08_pipe3_a60_t20_r15_divid_max_femap_output.bmp
図3-9-4-3 例題モデル9 モデル作成条件4 解析結果
3.10 モデル10(ダクト板要素モデル、加速度荷重)
スウィープ機能を使用してダクトを板要素で作成した例題を示す。Z-CUIのインプットデータは下記に示す項目のデータで作成されている。
・ファイル設定
・タイトル
・計算制御
・計算条件
・物性値
・板プロパティ
・ポイント
・ライン
・カーブ
・ワークプレーン
・ワークプレーン設定
・サーフェイスデータ
・サーフェイスオートメッシュ
・拘束条件
・加速度
・アウトプット
3.10.1 解析条件
解析モデルの条件は表3-10-1とする。
表3-10-1 例題モデル10 解析条件
解析コード NX/NASTRAN
要素タイプ 板要素要素(1次)CQUAD4
解析タイプ 静荷重
荷重 加速度

3.10.2 解析モデル
解析モデルの寸法図を図3-10-1に、インプットデータを作成するためのジオメトリID図を図3-10-2に示す。
基本モデルのZ-CUIインプットデータを3-10-2に示す。
analysismodel/example10_duct/picture/fig3-10-1_example10_duct_dimension.jpg
図3-10-1 例題モデル10 解析モデル寸法図
analysismodel/example10_duct/picture/fig3-10-2_example10_duct_comdision.jpg
図3-10-2 例題モデル10 ジオメトリID及び解析条件図
表3-10-2 例題モデル10 Z-CUIインプットデータ
$------------------------------------
$ファイル設定
$------------------------------------
Fp , F:\z-cui_Example\AnalysisModel\Example10_Duct
Fe , Example10_Duct.dat
Ff , Example10_Duct.modfem
Fc , Example10_Duct.lst
$----------------------------------------------------
$タイトル
$----------------------------------------------------
Ti , ダクト
St , スイープサーフェイス 自重
$----------------------------------------------------
$計算制御データ
$anatype   : 解析タイプ番号 0=静解析、1=固有値解析、2=動解析
$solver    : ソルバー番号 0=MSC/NASTRAN、1=NX/NASTRAN、4=ABAQUS
$dimension : 次元 2=2次元、3=3次元
$----------------------------------------------------
An , 0 , 1 , 3
$----------------------------------------------------
$計算条件データ
$step:処理ステップ№
$0=解析、1=エクスポート、2=モデル作成、3=ジオメトリ作成
$sid:拘束id、mid:多点拘束id、load:荷重id、meth:固有値計算id、dload:動解析荷重id
$----------------------------------------------------
Cn , 0 , 1 , 0 , 2 , 0 , 0
$----------------------------------------------------
$    ,ID , TITLE ,TYPE, ROTAX , ROTAY , ROTAZ
$----------------------------------------------------
VIRO , 1 , 二等角 ,   , -60.0 ,   0.0 , -54.74
VIRO , 2 , XY     , 1
VIRO , 3 , ZX     ,   , -90.0 ,   0.0 ,   0.0
VIRO , 4 , YZ     ,   , -90.0 ,   0.0 , -90.0
$----------------------------------------------------
$物性値データ
$  , ID ,   TITLE         ,   E   ,     G  ,     P  ,     R
$----------------------------------------------------
Ma , 1  , Material Type 1 , 2.1E5 ,    0.0 ,    0.3 ,   7.85E-09
$----------------------------------------------------
$板プロパティデータ
$  , ID ,  TITLE       ,MID, THIC ,ELEMSHAPE,MAPPEDLEVEL
$----------------------------------------------------
Sh , 31 , Shell Type 1 , 1 ,  2.0 ,       4 , 1
$----------------------------------------------------
$ポイントデータ
$    , ID ,    X    ,    Y     ,   Z
$----------------------------------------------------
Po   ,  1 ,     0.0 ,      0.0 ,   500.0
Po   ,  2 ,   500.0
Po   ,  3 ,   850.0 ,    350.0
Po   ,  4 ,         ,    950.0
Po   ,  5 ,         ,   1200.0 ,   750.0
Po   ,  6 ,         ,          ,  2250.0
Po   ,  7 ,         ,   1450.0 ,  2500.0
Po   ,  8 ,         ,   1750.0 ,
Po   , 11 ,     0.0 ,   -150.0 ,   400.0
Po   , 12 ,         ,    150.0 ,
Po   , 13 ,         ,          ,   600.0
Po   , 14 ,         ,   -150.0 ,
$----------------------------------------------------
$ラインデータ
$   , ID , PID ,  P1  ,  P2  ,  DV
$----------------------------------------------------
LiP ,  1 ,   0 ,    1 ,    2
LiP ,  3 ,     ,    3 ,    4
LiP ,  5 ,     ,    5 ,    6
LiP ,  7 ,     ,    7 ,    8
LiP , 11 ,     ,   11 ,   12
LiP , 12 ,     ,   12 ,   13
LiP , 13 ,     ,   13 ,   14
LiP , 14 ,     ,   14 ,   11
$----------------------------------------------------
$カーブデータ
$      ,  ID , PID ,  P1 ,   P2 ,  ANGD , DV ,  X  ,  Y  ,  Z
$----------------------------------------------------
CuPSea ,   2 ,   0 ,   2 ,    3 , 90.0
CuPSea ,   4 ,     ,   4 ,    5 , 90.0
CuPSea ,   6 ,     ,   7 ,    6 , 90.0
$----------------------------------------------------
$ワークプレーンデータ
$    ,  ID ,TYPE,   X1 ,   Y1 ,   Z1  ,   X2  ,  Y2  ,  Z2  ,  X3  ,  Y3  ,  Z3
$----------------------------------------------------
WSZ  ,   1 , 0 ,   0.0 ,  0.0 , 500.0
WSX  ,   2 , 0 , 850.0 ,  0.0 ,   0.0
$----------------------------------------------------
$ワークプレーンデータ
$    , ID , WID, C1 , C2 ,   Cn
$----------------------------------------------------
WPC  ,  1 ,  1 ,  2 ,  4
WPC  ,  2 ,  2 ,  4 ,  6
$----------------------------------------------------
$サーフェイスデータ
$     ,  ID , PID ,  C1 ,  C2 , C3 , Cn
$----------------------------------------------------
SuSw  , 501 ,  31 ,  11 , -14 , END ,  1 , -7 , END , 6 ,  4 ,  6 ,  4 ,  4 ,  6 ,  8 , 6 ,  10 ,  6 ,  3
$----------------------------------------------------
$サーフェイスオートメッシュ
$      ,ID , IDF , IDL,INC , ELEMSHAPE,MESHER,MIDSIDEGEOM,MIDSIDEANGLE,CONNECTEDGENODETOL,SMOOTHLAPLACIAN,SMOOTHITER,SMOOTHTOLERANCE,OFFSETFROM,OFFSET,MAPPEDLEVEL,MAPANGLEDEVIATION,MAPMINCORNERANGLE,MAPEQUALONLY,MAPSUBDIVISIONS,MAPSPLITQUADS,MAPALTTRI,MAPRIGHTBIAS,POSTMESHCLEANUP,QUADMESHLAYERS,QUADCUTANGLE,MINBETWEEN,MAXASPECT,QUICKCUTNODES
$----------------------------------------------------
MSuAu  , 1, 501 , 501 ,  1 ,     4    ,   0  ,     0     ,     10     ,      1.0E-08     ,         0     ,    20    ,       0.001   ,     0    ,  0.0 ,     1     ,      30.0       ,       30.0      ,      0     ,        0      ,       0     ,     1   ,      0     ,       0       ,        2     ,     60.0   ,     1    ,    2.0  , 300
$----------------------------------------------------
$拘束条件データ
$   , ID ,SID,  COMP  ,   Cn
$----------------------------------------------------
BCC ,  1 , 1 , 123456 , 11
CPBCC , 1 , 1 , 3 , 1 , 1
BCY, 11 , 1 , 123456 , 1750.0
$----------------------------------------------------
$加速度データ
$    , ID , LID, TITLE            , TYPE , SC      ,LOADX,LOADY,LOADZ 
$----------------------------------------------------
Lo   ,  1 ,  2 , 自重             , GRAV , -1000.0 , 0.0 , 0.0 , 1.0
Z-CUIインプットをダウンロード

3.10.3 解析モデル作成例
表3-10-2に示すインプットデータを基に表3-10-3に示すモデル作成条件で解析モデルデータを作成しZ-CUIを使用して実行した結果を以下に示す。
なお、本モデルのライン及びカーブは全て分割数を指定している。
表3-10-3 例題モデル10 モデル作成条件
モデル作成条件 内容
1 基本モデル
2 基本モデルより寸法及びカーブ分割数の変更

analysismodel/example10_duct/picture/fig3-10-1-1_example10_duct_input_form.png
図3-10-1-1 例題モデル10 モデル作成条件1 モデル作成Excelインプットシート
インプットシートを含むExcelファイルをダウンロード
Z-CUIのCSV形式ファイルをダウンロード
NX/NASTRANのインプットファイルをダウンロード
Femapモデルファイルをダウンロード(Femapがインストールされていないと使用できません)
analysismodel/example10_duct/picture/fig3-10-1-2_example10_duct_femap_model.bmp
図3-10-1-2 例題モデル10 モデル作成条件1 解析条件
analysismodel/example10_duct/picture/fig3-10-1-3_example10_duct_femap_output.bmp
図3-10-1-3 例題モデル10 モデル作成条件1 解析結果
analysismodel/example10_duct/picture/fig3-10-2-1_example10_duct_1_input_form.png
図3-10-2-1 例題モデル10 モデル作成条件2 モデル作成Excelインプットシート
インプットシートを含むExcelファイルをダウンロード
Z-CUIのCSV形式ファイルをダウンロード
NX/NASTRANのインプットファイルをダウンロード
Femapモデルファイルをダウンロード(Femapがインストールされていないと使用できません)
analysismodel/example10_duct/picture/fig3-10-2-2_example10_duct_1_femap_model.bmp
図3-10-2-2 例題モデル10 モデル作成条件2 解析条件
analysismodel/example10_duct/picture/fig3-10-2-3_example10_duct_1_femap_output.bmp
図3-10-2-3 例題モデル10 モデル作成条件2 解析結果
3.11 モデル11(タンク板要素モデル、圧力荷重)
タンクを板要素で作成したモデルの例題を示す。Z-CUIのインプットデータは下記に示す項目のデータで作成されている。なお、タンクと脚部は剛体要素で結合している。
・ファイル設定
・タイトル
・計算制御
・計算条件
・ビー
・ワークプレーンデータ
・ワークプレーン設定データ
・レイヤ
・物性値
・板プロパティ
・ポイント
・ラインデータ
・カーブ
・バウンダリサーフェイス
・回転押し出しサーフェイス
・サーフェイスオートメッシュ
・ID設定
・要素のリバース
・剛体要素
・座標系
・局所座標系
・拘束条件
・面圧
・同一節点距離オプション
・アウトプット
3.11.1 解析条件
解析モデルの条件は表3-11-1とする。
表3-11-1 例題モデル11 解析条件
解析コード NX/NASTRAN
要素タイプ 板要素要素(1次)CQUAD4
剛体要素(RBE2)
解析タイプ 面圧
荷重 加速度

3.11.2 解析モデル
解析モデルの寸法図を図3-11-1に、インプットデータを作成するための法記号及び解析条件図とジオメトリID図を図3-11-2~図3-11-5に示す。
基本モデルのZ-CUIインプットデータを表3-11-2に示す。
analysismodel/example11_tank/picture/fig3-11-1_example11_tank_dimension.jpg
図3-11-1 例題モデル11 解析モデル寸法図
analysismodel/example11_tank/picture/fig3-11-2_example11_tank_condition.jpg
図3-11-2 例題モデル11 寸法記号及び解析条件図
analysismodel/example11_tank/picture/fig3-11-3_example11_tank_geometryId_1.png
図3-11-3 例題モデル11 ジオメトリID(1/3)
analysismodel/example11_tank/picture/fig3-11-4_example11_tank_geometryId_2.png
図3-11-4 例題モデル11 ジオメトリID(2/3)
analysismodel/example11_tank/picture/fig3-11-5_example11_tank_geometryId_3.png
図3-11-5 例題モデル11 ジオメトリID(3/3)
表3-11-2 例題モデル11 Z-CUIインプットデータ
$------------------------------------
$ファイル設定
$------------------------------------
Fp , F:\z-cui_Example\AnalysisModel\Example11_Tank
Fe , Example11_Tank.dat
Ff , Example11_Tank.modfem
Fc , Example11_Tank.lst
$----------------------------------------------------
$タイトル
$----------------------------------------------------
Ti , プレート要素 タンク
St , タンク内圧 剛体要素 プレート要素リバース
$----------------------------------------------------
$計算制御データ
$anatype:解析タイプ番号 0=静解析、1=固有値解析、2=動解析
$solver:ソルバー番号 0=MSC/NASTRAN,1=NX/NASTRAN
$----------------------------------------------------
An , 0 , 1
$----------------------------------------------------
$計算条件データ
$step:処理ステップ№
$0=解析、1=エクスポート、2=モデル作成、3=ジオメトリ作成
$sid:拘束id、mid:多点拘束id、load:荷重id、meth:固有値計算id、dload:動解析荷重id
$----------------------------------------------------
Cn , 0 , 11 , 0 , 6 , 0 , 0
$----------------------------------------------------
$ビューデータ
$    ,ID , TITLE  ,TYPE, ROTAX , ROTAY , ROTAZ
$----------------------------------------------------
VIRO , 1 , 二等角 ,  8 , -60.0 ,   0.0 , -54.74
VIRO , 2 , XY上   ,  1
VIRO , 3 , YZ右   ,    , -90.0 ,   0.0 , -90.0
VIRO , 4 , ZX前   ,    , -90.0 ,   0.0 ,   0.0
$----------------------------------------------------
$ワークプレーンデータ
$    ,  ID ,TYPE,   X1  ,  Y1  ,  Z1
$----------------------------------------------------
WSX  ,   1 ,  0 , -600.0 ,  0.0 , 800.0
WSX  ,   4 ,  0 ,  400.0 ,  0.0 , 800.0
WSY  ,  11 ,  0 ,    0.0 ,  0.0 ,   0.0
$タンク部 円弧作成のためのワークプレーン
WSP  ,  21 ,  0 , 271 , 302 , 304
WSP  ,  22 ,  0 , 271 , 312 , 314
WSP  ,  23 ,  0 , 271 , 322 , 324
WSP  ,  24 ,  0 , 271 , 332 , 334
$----------------------------------------------------
$ワークプレーンデータコピー
$    , IDF , IDL , N1 ,INCW1,  COORD
$----------------------------------------------------
CPWSX,   1 ,   1 ,  2 ,   1 ,  100.0
CPWSX,   4 ,   4 ,  2 ,   1 ,  100.0
$----------------------------------------------------
$ワークプレーン設定データ
$    , ID , WID ,  P1 ,   P2 ,   Pn
$----------------------------------------------------
WPC  ,  1 ,   1 ,   8 ,  -10
WPC  ,  4 ,   4 ,  48 ,  -50
WPC  , 11 ,  11 , 201 , -210
$タンク部 円弧作成のためのワークプレーン
WPC  , 21 ,  21 , 406 ,  407
WPC  , 22 ,  22 , 416 ,  417
WPC  , 23 ,  23 , 426 ,  427
WPC  , 24 ,  24 , 436 ,  437
$----------------------------------------------------
$ワークプレーン設定データコピー
$     ,IDF ,IDL , N1 , INC , INCW ,INCC1
$----------------------------------------------------
CPWPC ,  1 ,  1 ,  2 ,   1 ,   1 ,  10
CPWPC ,  4 ,  4 ,  2 ,   1 ,   1 ,  10
$----------------------------------------------------
$レイヤデータ
$    , ID , TITLE
$----------------------------------------------------
LS   ,  2 , 支持脚
LS   , 10 , タンク
$----------------------------------------------------
$レイヤデータ
$    , ID ,LAYER,  P1 ,   P2 ,   Pn
$----------------------------------------------------
LYP  ,  1 ,   2 ,   1 ,  -30
LYC  ,  2 ,   2 ,   1 ,  -40
LYS  ,  3 ,   2 , 301 , -310
LYP  , 21 ,  10 , 201 , -400
LYC  , 22 ,  10 , 201 , -500
LYS  , 23 ,  10 , 501 , -600
$----------------------------------------------------
$レイヤデータコピー
$     , IDF, IDL, N1 ,INCL1, INCP1
$----------------------------------------------------
CPLYP ,  1 ,  1 ,  1 ,  10 ,  30
CPLYC ,  2 ,  2 ,  1 ,  10 ,  40
CPLYS ,  3 ,  3 ,  1 ,  10 ,  10
$----------------------------------------------------
$物性値データ
$  , ID ,   TITLE         ,   E   ,   G    ,   P    ,    R
$----------------------------------------------------
Ma ,  1 , Material Type 1 , 2.0E5 ,    0.0 ,    0.3 ,   7.85E-09
Ma ,  2 , Material Type 2 , 3.0E5 ,    0.0 ,    0.3 ,   7.85E-09
$----------------------------------------------------
$板プロパティデータ
$  , ID ,  TITLE         ,MID, THIC , ELEMSHAPE , MAPPEDLEVEL
$----------------------------------------------------
Sh ,  1 , 脚部 底板 t20 , 1 , 20.0
Sh ,  2 , 脚部 リブ t15 , 1 , 15.0
Sh ,  3 , 脚部 上板 t15 , 1 , 15.0
Sh ,  4 , タンク t10     , 2 , 10.0
$----------------------------------------------------
$ポイントデータ
$    , ID  ,    X    ,   Y     ,   Z
$----------------------------------------------------
$脚部 底面 基本座標系
Po   ,   1 ,  -600.0 ,  -392.5 ,    10.0
Po   ,   2 ,         ,  -157.5 ,
Po   ,   3 ,         ,   157.5 ,
Po   ,   4 ,         ,   392.5 ,
$脚部 上面 円筒座標系
Po   ,   6 ,   507.5 ,   -50.66,  -600.0
Po   ,   7 ,         ,   -18.08,
Po   ,   8 ,         ,    18.08,
Po   ,   9 ,         ,    50.66,
CPPO ,   1 ,  4 ,  2 , 10 , 100.0 ,   0.0 ,   0.0 , 1 , 30 , 1000.0 ,    0.0 ,    0.0
CPPO ,   6 ,  9 ,  2 , 10 ,   0.0 ,   0.0 , 100.0 , 1 , 30 ,   0.0 ,    0.0 , 1000.0
$タンク部 基本座標系
Po   , 201 ,     0.0 ,     0.0 ,  -600.0
CPPO , 201 , 201 , 2 , 10 , 0.0 , 0.0 ,  100.0 , 1 , 30 , 0.0 , 0.0 , 1000.0
Po   , 202 ,     0.0 ,     0.0 ,  -995.0
Po   , 203 ,   495.0 ,         ,  -995.0
Po   , 204 ,         ,         ,  -600.0
Po   , 205 ,         ,         ,  -400.0
Po   , 206 ,         ,         ,   400.0
Po   , 207 ,         ,         ,   600.0
Po   , 208 ,         ,         ,   995.0
Po   , 209 ,     0.0 ,         ,   995.0
Po   , 261 ,     0.0 ,     0.0 ,  -200.0
Po   , 271 ,     0.0 ,     0.0 ,   200.0
$
CPPO , 201 , 209 , 1 , 100 , 0.0 ,-50.66 ,  0.0
CPPO , 201 , 209 , 1 , 110 , 0.0 ,-18.08 ,  0.0
CPPO , 201 , 209 , 1 , 120 , 0.0 , 18.08 ,  0.0
CPPO , 201 , 209 , 1 , 130 , 0.0 , 50.66 ,  0.0
$----------------------------------------------------
$ラインデータ
$      , ID , PID ,  P1 ,  P2 , DV , X , Y , Z
$----------------------------------------------------
$脚部
LiP   ,   1 ,   0 ,   1 ,   2 ,
CPLIP ,   1 ,   1 ,   2 ,   1 ,  1
LiP   ,   4 ,     ,   1 ,   6 ,
CPLIP ,   4 ,   4 ,   3 ,   1 ,  1
LiP   ,  31 ,     ,   1 ,  21 ,
CPLIP ,  31 ,  31 ,   3 ,   1 ,  1
LiP   ,  35 ,     ,   6 ,  26 ,
CPLIP ,  35 ,  35 ,   3 ,   1 ,  1
$タンク部
LiP   , 201 ,     , 203 , 204
CPLIP , 201 , 201 ,   4 ,  1 ,  1
$----------------------------------------------------
$カーブデータ
$      , ID ,PID ,  P1 ,  P2 ,  P3 , DV , X , Y , Z
$----------------------------------------------------
$脚部
CuPCse,   8 ,  0 , 201 ,   6 ,   7 ,
CuPCse,   9 ,    , 201 ,   7 ,   8 ,
CuPCse,  10 ,    , 201 ,   8 ,   9 ,
CPLIP ,   1 ,   7 ,  2 , 10 , 10
CPLIP ,   8 ,  10 ,  2 , 10 , 10
CPLIP ,   1 ,  38 ,  1 , 40 , 30
$タンク部
CuPCsa, 206 ,    , 271 , 202 ,  30.0
CuPCsa, 207 ,    , 261 , 209 , -30.0
EcPfi , 208 ,  0 , 201 , 206 , 201 , 145.0 , 0 ,$フィレット
EcPfi , 209 ,    , 205 , 207 , 251 , 145.0 , 0 ,$フィレット
$----------------------------------------------------
$サーフェイスデータ 脚部 底板とリブ
$     ,  ID , PID ,   C1 ,  C2 ,  C3 ,  C4 ,         , Cn  ,DV1 ,DV2 ,DVn
$----------------------------------------------------
SuBc  , 301 ,   1 ,   31 ,  21 , -23 ,  34 ,  3 , -1 , END ,  4 ,  4 ,  4 , 4 ,  4 ,  4 ,  4 , 4 , $底面
SuBc  , 302 ,   2 ,   31 ,  24 ,  35 ,   4 ,  END ,  4 ,  4 ,  4 , 4 , $縦リブ
CpSUC , 302 , 302 ,   3 ,  1 ,  1
SuBc  , 306 ,   2 ,   11 , -13 ,  17 ,  20 , -18 , 14 ,  END ,  4 ,  4 ,  4 , 4 ,  4 ,  4 ,  4 , 4 , $横リブ(中心)
$----------------------------------------------------
$サーフェイスデータ(円弧の押し出し) 脚部 上板
$     ,  ID , PID ,TYPE, EVX1 ,  EVY1 ,  EVZ1 ,  EVX2 ,  EVY2 ,  EVZ2 , C1 , C2 , C3 , Cn  ,DV1,DV2,DV3,DV4,DV5,DV6,DVn
$----------------------------------------------------
SuEx  , 307 ,   3 , 0  ,  0.0 ,   0.0 ,   0.0 , 200.0 ,   0.0 ,   0.0 ,  8 ,  9 , 10 , END , 4 , 4 , 4 , 4 , 4 , 4 , 4
CpSUC , 301 , 307 , 1  , 10 , 40
$----------------------------------------------------
$タンク部 カーブデータ
$     ,  ID , PID ,  P1 , P2 , ANG
$----------------------------------------------------
CPLIP , 201 , 205 ,  1 , 200 , 100
CuPCsa, 406 ,     , 271 , 302 ,  30.0 , $角度30.0はフィレットするため適当な数値(C406~C437)
CuPCsa, 407 ,     , 261 , 309 , -30.0
CPLIP , 401 , 405 ,  3 , 10 , 10
CuPCsa, 416 ,     , 271 , 312 ,  30.0
CuPCsa, 417 ,     , 261 , 319 , -30.0
CuPCsa, 426 ,     , 271 , 322 ,  30.0
CuPCsa, 427 ,     , 261 , 329 , -30.0
CuPCsa, 436 ,     , 271 , 332 ,  30.0
CuPCsa, 437 ,     , 261 , 339 , -30.0
EcPfi , 408 ,     , 401 , 406 , 201 , 145.0 , 0 ,$フィレット
EcPfi , 409 ,     , 405 , 407 , 251 , 145.0 , 0 ,$フィレット
CPLIPC, 408 , 409 ,  3 , 10 , 0 , 10
$----------------------------------------------------
$サーフェイスデータ(回転押し出し) タンク部
$     ,  ID , PID,  ANG   ,TYPE,    EVX1 ,  EVY1 ,  EVZ1 ,EVX2 ,  EVY2 ,EVZ2 ,   C1 ,   C2 ,  Cn  ,DV1,DV2,DV3,DV4,DV5,DV6,DV7,DV8,DV9,DVn
$----------------------------------------------------
SuEr  , 501 ,  4 ,  32.58 ,  0 ,  -995.0 ,   0.0 , 800.0 , 1.0 ,   0.0 , 0.0 ,  401 , -409 ,  END , 4 , 4 ,12 , 4 , 4 , 5 , 5 , 3 , 3 , 4
SuEr  , 502 ,    ,  36.16 ,  0 ,  -995.0 ,   0.0 , 800.0 , 1.0 ,   0.0 , 0.0 ,  411 , -419 ,  END , 4 , 4 ,12 , 4 , 4 , 5 , 5 , 3 , 3 , 4
SuEr  , 503 ,    ,  32.58 ,  0 ,  -995.0 ,   0.0 , 800.0 , 1.0 ,   0.0 , 0.0 ,  421 , -429 ,  END , 4 , 4 ,12 , 4 , 4 , 5 , 5 , 3 , 3 , 4
SuEr  , 504 ,    , 258.68 ,  0 ,  -995.0 ,   0.0 , 800.0 , 1.0 ,   0.0 , 0.0 ,  431 , -439 ,  END , 4 , 4 ,12 , 4 , 4 , 5 , 5 , 3 , 3 ,40
$----------------------------------------------------
$ID設定 タンクのサーフェイス
$       ,  ID , PID ,  SU ,  C1 ,  C2
$----------------------------------------------------
IdSuSuC , 511 ,   0 , 501 , 401 , 411
CPIDSuC  , 511 , 511 , 2 , 1 , 1 , 10
IdSuSuC , 514 ,   0 , 504 , 431 , 401
CPIDSuC  , 511 , 514 , 8 , 10 , 0 , 1
$----------------------------------------------------
$ID設定 タンクのサーフェイス 要素のリバース
$       ,  ID , PID ,  SU , IREV
$----------------------------------------------------
IdSaSu  , 601 ,   0 , 571 , 1
CPIDSA  , 601 , 601 , 3 , 1 , 1 , 1 , 10 , 10
$----------------------------------------------------
$ID設定 脚部のタンクとの接合ライン 脚部上面側 剛体要素作成用
$       ,  ID , PID ,  SU , COORD11  ,  COORD12 ,  COORD13 ,  COORD21 ,  COORD22 ,  COORD23
$----------------------------------------------------
IdCuSuN , 701 ,   0 , 307 , -600.0   , -392.499 ,  478.285 , -600.0   , -157.5   ,  317.558
IdCuSuN , 702 ,     ,     ,          , -157.5   ,  317.558 ,          ,  157.5   ,  317.558
IdCuSuN , 703 ,     ,     ,          ,  392.499 ,  478.285 ,          ,          ,
IdCuSuN , 704 ,     ,     , -400.0   , -392.499 ,  478.285 , -400.0   , -157.5   ,  317.558
IdCuSuN , 705 ,     ,     ,          , -157.5   ,  317.558 ,          ,  157.5   ,  317.558
IdCuSuN , 706 ,     ,     ,          ,  392.499 ,  478.285 ,          ,          ,
IdCuSuN , 707 ,     ,     , -600.0   , -392.499 ,  478.285 , -400.0   , -392.499 ,  478.285
IdCuSuN , 708 ,     ,     ,          ,  392.499 ,          ,          ,  392.499 ,
CPIDSUN , 701 , 708 ,  1 , 10 , 10 , 1000.0 , 0.0 , 0.0
$----------------------------------------------------
$ID設定 タンクの脚部との接合ライン タンク側 剛体要素作成用
$       ,  ID , PID ,  SU , COORD11  ,  COORD12 ,  COORD13 ,  COORD21 ,  COORD22 ,  COORD23
$----------------------------------------------------
IdCuSuN , 721 ,     , 501 , -600.0   , -382.832 ,  486.209 , -600.0   , -153.621 ,  329.441
IdCuSuN , 722 ,     , 502 ,          , -153.621 ,  329.441 ,          ,  153.621 ,  329.441
IdCuSuN , 723 ,     , 503 ,          ,  382.832 ,  486.209 ,          ,          ,
IdCuSuN , 724 ,     , 501 , -400.0   , -382.832 ,  486.209 , -400.0   , -153.621 ,  329.441
IdCuSuN , 725 ,     , 502 ,          , -153.621 ,  329.441 ,          ,  153.621 ,  329.441
IdCuSuN , 726 ,     , 503 ,          ,  382.832 ,  486.209 ,          ,          ,
IdCuSuN , 727 ,     , 501 , -600.0   , -382.832 ,  486.209 , -400.0   , -382.832 ,  486.209
IdCuSuN , 728 ,     , 503 ,          ,  382.832 ,          ,          ,  382.832 ,
CPIDSUN , 721 , 728 ,  1 , 10 ,  0 , 1000.0 , 0.0 , 0.0
$----------------------------------------------------
$剛体要素 脚部とタンクの接続
$     ,  ID , COMP  , , , CU1 , CU2
$----------------------------------------------------
Rbe2C ,   1 , 123456, , , 701 , 721
CPREC ,   1 , 1 , 7 , 1 , 1 , 1 , 1 , 10 , 10 , 10
$----------------------------------------------------
$座標系データ 円筒座標系
$  , ID  , TITLE      ,TYPE,   X   , Y   ,  Z    , ROTX , ROTY , ROTZ
$----------------------------------------------------
Cs , 10 , TANK CENTER ,  1 ,   0.0 , 0.0 , 800.0 ,  0.0 , 90.0 ,  0.0
$----------------------------------------------------
$局所座標系データ
$タンク中心 円筒座標系 円弧を作成するための座標系
$     ,  ID ,DEFCSYS,OUTCSYS, ID1 , ID2 , IDn
$----------------------------------------------------
LnPo  ,   1 ,   -10 ,     0 ,   6 ,   -9
CpLnpo, 1 , 1 , 5 ,  1 , 10
LnPo  ,  11 ,   -10 ,     0 , 201 , -400
$----------------------------------------------------
$拘束条件データ
$     , ID ,SID ,  COMP  ,    X   ,    Y   ,    Z
$----------------------------------------------------
BCN   ,  1 , 11 , 123456 , -550.0 , -275.0 ,   10.0
CPBCN , 1 , 1 , 1 , 1 , 100.0 , 0.0 , 0.0 , 2 ,  2 , 0.0 , 275.0 , 0.0 , 1 , 10 , 1000.0 , 0.0 , 0.0
$----------------------------------------------------
$タンク内圧
$  , ID , LID, TITLE , TYPE ,  SC  ,  S1 ,   Sn
$----------------------------------------------------
LO ,  1 ,  6 , P=1.5 , PRES ,  1.5 , 511 , -564
LO ,  2 ,    ,       ,      , -1.5 , 571 , -584
LO ,  3 ,    ,       ,      ,  1.5 , 591 , -594
$----------------------------------------------------
$節点の同一最大距離データ
$タンクの脚部間に剛体要素を作成する場合に距離があるため初期値を変更
$    , ERDOU , ERDOA  , ERRBE  , ERMPC
$----------------------------------------------------
OPND , 0.2   , 0.0005 , 20.0   , 2.0
$----------------------------------------------------
$アウトプット
$----------------------------------------------------
OuN , DISP , OLOA , SPCF
OuC , FORC , STRE , STRA , ESE
Z-CUIインプットをダウンロード

3.11.3 解析モデル作成例
表3-11-2に示すインプットデータを基に表3-11-3に示すモデル作成条件で解析モデルデータを作成しZ-CUIを使用して実行した結果を以下に示す。
なお、本モデルのライン及びカーブは全て分割数を指定している。
表3-11-3 例題モデル11 モデル作成条件
モデル作成条件 内容
1 基本モデル
2 基本モデルより寸法及びカーブ分割数の変更

analysismodel/example11_tank/picture/fig3-11-1-1_example11_tank.png
図3-11-1-1 例題モデル11 モデル作成条件1 モデル作成Excelインプットシート
インプットシートを含むExcelファイルをダウンロード
Z-CUIのCSV形式ファイルをダウンロード
NX/NASTRANのインプットファイルをダウンロード
Femapモデルファイルをダウンロード(Femapがインストールされていないと使用できません)
analysismodel/example11_tank/picture/fig3-11-1-2_example11_tank_model.bmp
図3-11-1-2 例題モデル11 モデル作成条件1 解析条件
analysismodel/example11_tank/picture/fig3-11-1-3_example11_tank_output.bmp
図3-11-1-3 例題モデル11 モデル作成条件1 解析結果
analysismodel/example11_tank/picture/fig3-11-2-1_example11_tank_1.png
図3-11-2-1 例題モデル11 モデル作成条件2 モデル作成Excelインプットシート
インプットシートを含むExcelファイルをダウンロード
Z-CUIのCSV形式ファイルをダウンロード
NX/NASTRANのインプットファイルをダウンロード
Femapモデルファイルをダウンロード(Femapがインストールされていないと使用できません)
analysismodel/example11_tank/picture/fig3-11-2-2_example11_tank_1_model.bmp
図3-11-2-2 例題モデル11 モデル作成条件2 解析条件
analysismodel/example11_tank/picture/fig3-11-2-3_example11_tank_1_output.bmp
図3-11-2-3 例題モデル11 モデル作成条件2 解析結果
4.Excelマクロを使用した解析モデル作成方法
2項の解析モデル作成方法にExcelでの解析モデルの変更方法を記載していますが、寸法値など増分値を与えて複数の解析モデルを作成する方法の例を以下に示す。
例として3.1項のExcelデータを使用した例を示す。本例題ではプレートの幅と高さを変更したモデルを作成します。
4.1 モデルデータ
平板穴あきを板要素で作成したモデルの例題を以下に示す。図4-1-1に入力データのシート、図4-1-2~図4-1-4にモデルデータを示す。
analysismode_picture/fig4-1-1.png
図4-1-1 例題モデル1 モデル作成条件
analysismode_picture/fig4-1-2.png
図4-1-2 例題モデル1 モデルデータ(1/3)
analysismode_picture/fig4-1-3.png
図4-1-3 例題モデル1 モデルデータ(2/3)
analysismode_picture/fig4-1-4.png
図4-1-4 例題モデル1 モデルデータ(3/3)
4.2 VBA概要
図4-1-3に示すプレートの幅と高さを変更します。入力データは以下として初期の幅及び高さに増分値をプラスして複数回繰り返します。
なお、入力データはインプットボックスから入力する方法とフォームから入力する方法の2つの方法を示す。
例題のプロジェクト及びコードウィンドを図4-2-1にプロジェクト及びフォームを図4-2-2に示す。VBAの詳細については4.3項及び4.4項に示す。
注:入力方法としてはシートに入力データのテーブルを作成して処理する方法もある。
入力データ
a.幅
b.幅の増分
c.幅の増分の繰り返し回数
d.高さ
e.高さ増分
f.高さ増分の繰り返し回数
Excelマクロファイルをダウンロード
analysismode_picture/fig4-2-1.png
図4-2-1 例題モデル1 プロジェクト及びコードウィンド
analysismode_picture/fig4-2-2.png
図4-2-2 例題モデル1 プロジェクト及びフォーム
4.3 VBAコード
図4-2-2に示すフォームを使用してデータを入力する場合のコードを表4-3-1に示す。サブルーチンはインプットボックスから入力する「Example01_Plate_Main_InputBox」とフォームから入力する「Example01_Plate_Main_Form」がありますのでどちらかを参考に変更して下さい。
変更は表4-3-1~表4-3-7中の以下の①~⑥の個所をユーザーが変更して下さい。
①定数及び変数の設定
②変更前値の値を保存およびレジストリより初期値の読み込み
③インプットボックスにより入力データ読み込み
④「入力データ」シートの幅と高さを変更
⑤変更前の値を戻す
⑥入力データをレジストリに保存
表4-3-1 例題モデル1 標準モジュール
'********************************************************************************
'プレートモデルの【幅】と【高さ】をパラメータとしてモデルデータシートを作成
'・「入力データ」で「Z-CUIモデルデータ」の赤字セルに数式を入れてデータを変えられるように作成
'・入力値で求めた幅と高さで「入力データ」シートの値を変更し「Z-CUIモデルデータ」シートをコピーして追加
'・コピーしたシートは数式で作成されているため全データをコピーし値のみでペースト
'
'実行方法
'入力データはインプットボックスまたはフォームから入力する2つのタイプがあります。
'次の2つのどちらかを実行して下さい。
'Example01_Plate_Main_InputBox : インプットボックス入力
'Example01_Plate_Main_Form     : フォーム入力
'ユーザーが変更する場合は何方かを選んで変更を行って下さい。
'ユーザーフォームが変更できる方はフォームを変更して下さい。
'********************************************************************************
Option Explicit
'■■■■■■■■①ユーザー変更開始箇所■■■■■■■■■■■
Const InputSheet = "入力データ"         '「入力データ」シート名
Const ModelSheet = "Z-CUIモデルデータ"  '「モデルデータ」シート名
Const APP_REGKEY = "Example01_Plate"    'マクロ名(レジストリに保管用)、出力ファイル名

'パラメータ変数
Public BaseWidth As Double   'プレート幅の初期値
Public IncWidth As Double    'プレート幅の増分
Public LoopWidth As Double   'プレート幅の繰り返し数

Public BaseHeight As Double  'プレート高さの初期値
Public IncHeight As Double   'プレート高さの増分
Public LoopHeight As Double  'プレート高さの繰り返し数
'■■■■■■■■①ユーザー変更終了箇所■■■■■■■■■■■

'================================================================================
'Example01_Plateのメインルーチン
'インプットボックスでデータを入力
'================================================================================
Sub Example01_Plate_Main_InputBox()
  Dim errMsg As String 'エラーメッセージ(使用していない)
  
  '元のデータを保存して終了時に元に戻す
  Dim SaveFile As String 'ファイル名
  Dim SaveWidth As Double '幅
  Dim SaveHeight As Double '高さ
  
  Dim nSheet As Long  '作成したシート数
  Dim nRow As Long    '「モデルデータ」シートの最大行数
  Dim nCol As Long    '「モデルデータ」シートの最大列数
  Dim i, j As Long    'カウンタ
  Dim buf As String   '文字列
  
  '■■■■■■■■②ユーザー変更開始箇所■■■■■■■■■■■
  SaveFile = Sheets(InputSheet).Cells(5, 2).Value    'ファイル名
  SaveWidth = Sheets(InputSheet).Cells(11, 2).Value  '幅
  SaveHeight = Sheets(InputSheet).Cells(12, 2).Value '高さ
  
  '入力値をレジストリから読み込み
  BaseWidth = GetSetting(APP_REGKEY, "Input", "BaseWidth", 200)   '幅
  IncWidth = GetSetting(APP_REGKEY, "Input", "IncWidth", 100)     '幅の増分
  LoopWidth = GetSetting(APP_REGKEY, "Input", "LoopWidth", 3)     '幅の繰り返し数
  
  BaseHeight = GetSetting(APP_REGKEY, "Input", "BaseHeight", 100) '高さ
  IncHeight = GetSetting(APP_REGKEY, "Input", "IncHeight", 50)    '高さの増分
  LoopHeight = GetSetting(APP_REGKEY, "Input", "LoopHeight", 2)   '高さの繰り返し数
  '■■■■■■■■②ユーザー変更終了箇所■■■■■■■■■■■
      
  '■■■■■■■■③ユーザー変更開始箇所■■■■■■■■■■■
  'インプットボックスを表示して入力データを取得
  buf = InputBox("プレートの幅(W)を入力して下さい。", "データ入力", BaseWidth)
  Do
    If Len(buf) = 0 Then End '文字が空の場合は終了、キャンセルを含む
    BaseWidth = Val(buf)
    If BaseWidth > 0 Then
      Exit Do
    End If
    buf = InputBox("プレートの幅(W)には0より大きい値を入力して下さい。", "データ入力", BaseWidth)
  Loop
  
  buf = InputBox("プレートの幅の増分を入力して下さい。", "データ入力", IncWidth)
  Do
    If Len(buf) = 0 Then End '文字が空の場合は終了、キャンセルを含む
    IncWidth = Val(buf)
    If IncWidth > 0 Then
      Exit Do
    End If
    buf = InputBox("プレート幅の増分には0より大きい値を入力して下さい。", "データ入力", IncWidth)
  Loop
  
  buf = InputBox("プレートの幅増分の繰り返し数を入力して下さい。", "データ入力", LoopWidth)
  Do
    If Len(buf) = 0 Then End '文字が空の場合は終了、キャンセルを含む
    LoopWidth = Val(buf)
    If LoopWidth > 0 Then
      Exit Do
    End If
    buf = InputBox("プレートの幅増分の繰り返し数には0より大きい値を入力して下さい。", "データ入力", LoopWidth)
  Loop
  
  buf = InputBox("プレートの高さ(H)を入力して下さい。", "データ入力", BaseHeight)
  Do
    If Len(buf) = 0 Then End '文字が空の場合は終了、キャンセルを含む
    BaseHeight = Val(buf)
    If BaseHeight > 0 Then
      Exit Do
    End If
    buf = InputBox("プレートの高さ(H)には0より大きい値を入力して下さい。", "データ入力", BaseHeight)
  Loop
  
  buf = InputBox("プレートの高さの増分を入力して下さい。", "データ入力", IncHeight)
  Do
    If Len(buf) = 0 Then End '文字が空の場合は終了、キャンセルを含む
    IncHeight = Val(buf)
    If IncHeight > 0 Then
      Exit Do
    End If
    buf = InputBox("プレートの高さの増分には0より大きい値を入力して下さい。", "データ入力", IncHeight)
  Loop
  
  buf = InputBox("プレートの高さ増分の繰り返し数を入力して下さい。", "データ入力", LoopHeight)
  Do
    If Len(buf) = 0 Then End '文字が空からの場合は終了、キャンセルを含む
    LoopHeight = Val(buf)
    If LoopHeight > 0 Then
      Exit Do
    End If
    buf = InputBox("プレートの高さ増分の繰り返し数には0より大きい値を入力して下さい。", "データ入力", LoopHeight)
  Loop
  '■■■■■■■■③ユーザー変更終了箇所■■■■■■■■■■■
  
  Application.ScreenUpdating = False '画面のちらつきをなくす

  '「モデルデータ」シートの最大行数と列数を求める
  errMsg = MaxRowCol(ModelSheet, nRow, nCol)
  
  '■■■■■■■■④ユーザー変更開始箇所■■■■■■■■■■■
  'パラメータ個所をユーザーが変更
  '幅の繰り返し■■■ユーザー変更箇所■■■
  For i = 1 To LoopWidth
    '幅 ■■■ユーザー変更箇所 セル位置と寸法値■■■
    Sheets(InputSheet).Cells(11, 2).Value = BaseWidth + (i - 1) * IncWidth
    
    '高さの繰り返し ■■■ユーザー変更箇所■■■
    For j = 1 To LoopHeight
      nSheet = nSheet + 1
      Sheets(InputSheet).Cells(5, 2).Value = APP_REGKEY & "_" & Trim(str(nSheet)) '出力ファイル名
     '高さ ■■■ユーザー変更箇所 セル位置と寸法値■■■
      Sheets(InputSheet).Cells(12, 2).Value = BaseHeight + (j - 1) * IncHeight
      '■■■■■■■■④ユーザー変更終了箇所■■■■■■■■■■■
      
      Sheets(ModelSheet).Copy After:=Sheets(Sheets.Count) '「モデルデータ」シートのコピー
      
      With ActiveSheet
        Range(Cells(1, 1), Cells(nRow, nCol)).Copy  '「モデルデータ」シートの全セルのコピー
        Cells(1, 1).PasteSpecial xlPasteValues      '「モデルデータ」シートの全セルの値のみをペースト
        Cells(1, 1).Select
        .Name = ModelSheet & "_" & Trim(str(nSheet)) 'シート名の変更
      End With
    Next
  Next
  
  Application.CutCopyMode = False 'コピー状態の解除
  
  Sheets(ModelSheet).Select '「モデルデータ」シートをアクティヴ
  Sheets(ModelSheet).Cells(1, 1).Select
   
  '■■■■■■■■⑤ユーザー変更開始箇所■■■■■■■■■■■
  Sheets(InputSheet).Cells(5, 2).Value = SaveFile     'ファイル名
  Sheets(InputSheet).Cells(11, 2).Value = SaveWidth   '幅
  Sheets(InputSheet).Cells(12, 2).Value = SaveHeight  '高さ
  
  Sheets(InputSheet).Select '「入力データ」シートをアクティヴ
  Sheets(InputSheet).Cells(1, 1).Select
  '■■■■■■■■⑤ユーザー変更終了箇所■■■■■■■■■■■
  
  Application.ScreenUpdating = True '画面のちらつきを戻す
  
  '■■■■■■■■⑥ユーザー変更開始箇所■■■■■■■■■■■
  '入力値をレジストリに保存
  Call SaveSetting(APP_REGKEY, "Input", "BaseWidth", BaseWidth)   '幅
  Call SaveSetting(APP_REGKEY, "Input", "IncWidth", IncWidth)     '幅の増分
  Call SaveSetting(APP_REGKEY, "Input", "LoopWidth", LoopWidth)   '幅の繰り返し数
  
  Call SaveSetting(APP_REGKEY, "Input", "BaseHeight", BaseHeight) '高さ
  Call SaveSetting(APP_REGKEY, "Input", "IncHeight", IncHeight)   '高さの増分
  Call SaveSetting(APP_REGKEY, "Input", "LoopHeight", LoopHeight) '高さの繰り返し数
  '■■■■■■■■⑥ユーザー変更終了箇所■■■■■■■■■■■
  
  MsgBox nSheet & "のシートを追加しました。" & vbCrLf & "Xlsx(マクロを含まない)形式で保存して下さい。", vbOKOnly, "終了"
  
End Sub

'================================================================================
'Example01_Plateのメインルーチン
'フォームでデータを入力
'================================================================================
Sub Example01_Plate_Main_Form()
  Dim errMsg As String 'エラーメッセージ(使用していない)
  
  '元のデータを保存して終了時に元に戻す
  Dim SaveFile As String 'ファイル名
  Dim SaveWidth As Double '幅
  Dim SaveHeight As Double '高さ
  
  Dim nSheet As Long  '作成したシート数
  Dim nRow As Long    '「モデルデータ」シートの最大行数
  Dim nCol As Long    '「モデルデータ」シートの最大列数
  Dim i, j As Long    'カウンタ
  
  '■■■■■■■■②ユーザー変更開始箇所■■■■■■■■■■■
  SaveFile = Sheets(InputSheet).Cells(5, 2).Value    'ファイル名
  SaveWidth = Sheets(InputSheet).Cells(11, 2).Value  '幅
  SaveHeight = Sheets(InputSheet).Cells(12, 2).Value '高さ
  
  '入力値をレジストリから読み込み
  BaseWidth = GetSetting(APP_REGKEY, "Input", "BaseWidth", 200)   '幅
  IncWidth = GetSetting(APP_REGKEY, "Input", "IncWidth", 100)     '幅の増分
  LoopWidth = GetSetting(APP_REGKEY, "Input", "LoopWidth", 3)     '幅の繰り返し数
  
  BaseHeight = GetSetting(APP_REGKEY, "Input", "BaseHeight", 100) '高さ
  IncHeight = GetSetting(APP_REGKEY, "Input", "IncHeight", 50)    '高さの増分
  LoopHeight = GetSetting(APP_REGKEY, "Input", "LoopHeight", 2)   '高さの繰り返し数
  '■■■■■■■■②ユーザー変更終了箇所■■■■■■■■■■■
  
  'フォームを表示して入力データを取得
  FomInput.Show
  
  Application.ScreenUpdating = False '画面のちらつきをなくす

  '「モデルデータ」シートの最大行数と列数を求める
  errMsg = MaxRowCol(ModelSheet, nRow, nCol)
  
  '■■■■■■■■④ユーザー変更開始箇所■■■■■■■■■■■
  'パラメータ個所をユーザーが変更
  '幅の繰り返し■■■ユーザー変更箇所■■■
  For i = 1 To LoopWidth
    '幅 ■■■ユーザー変更箇所 セル位置と寸法値■■■
    Sheets(InputSheet).Cells(11, 2).Value = BaseWidth + (i - 1) * IncWidth
    
    '高さの繰り返し ■■■ユーザー変更箇所■■■
    For j = 1 To LoopHeight
      nSheet = nSheet + 1
      Sheets(InputSheet).Cells(5, 2).Value = APP_REGKEY & "_" & Trim(str(nSheet)) '出力ファイル名
     '高さ ■■■ユーザー変更箇所 セル位置と寸法値■■■
      Sheets(InputSheet).Cells(12, 2).Value = BaseHeight + (j - 1) * IncHeight
      '■■■■■■■■④ユーザー変更終了箇所■■■■■■■■■■■
      
      Sheets(ModelSheet).Copy After:=Sheets(Sheets.Count) '「モデルデータ」シートのコピー
      
      With ActiveSheet
        Range(Cells(1, 1), Cells(nRow, nCol)).Copy  '「モデルデータ」シートの全セルのコピー
        Cells(1, 1).PasteSpecial xlPasteValues      '「モデルデータ」シートの全セルの値のみをペースト
        Cells(1, 1).Select
        .Name = ModelSheet & "_" & Trim(str(nSheet)) 'シート名の変更
      End With
    Next
  Next
  
  Application.CutCopyMode = False 'コピー状態の解除

  Sheets(ModelSheet).Select '「モデルデータ」シートをアクティヴ
  Sheets(ModelSheet).Cells(1, 1).Select
    
  '■■■■■■■■⑤ユーザー変更開始箇所■■■■■■■■■■■
  Sheets(InputSheet).Cells(5, 2).Value = SaveFile     'ファイル名
  Sheets(InputSheet).Cells(11, 2).Value = SaveWidth   '幅
  Sheets(InputSheet).Cells(12, 2).Value = SaveHeight  '高さ
  
  Sheets(InputSheet).Select '「入力データ」シートをアクティヴ
  Sheets(InputSheet).Cells(1, 1).Select
  '■■■■■■■■⑤ユーザー変更終了箇所■■■■■■■■■■■
  
  Application.ScreenUpdating = True '画面のちらつきを戻す
     
  '■■■■■■■■⑥ユーザー変更開始箇所■■■■■■■■■■■
  '入力値をレジストリに保存
  Call SaveSetting(APP_REGKEY, "Input", "BaseWidth", BaseWidth)   '幅
  Call SaveSetting(APP_REGKEY, "Input", "IncWidth", IncWidth)     '幅の増分
  Call SaveSetting(APP_REGKEY, "Input", "LoopWidth", LoopWidth)   '幅の繰り返し数
  
  Call SaveSetting(APP_REGKEY, "Input", "BaseHeight", BaseHeight) '高さ
  Call SaveSetting(APP_REGKEY, "Input", "IncHeight", IncHeight)   '高さの増分
  Call SaveSetting(APP_REGKEY, "Input", "LoopHeight", LoopHeight) '高さの繰り返し数
  '■■■■■■■■⑥ユーザー変更終了箇所■■■■■■■■■■■
  
  MsgBox nSheet & "のシートを追加しました。" & vbCrLf & "Xlsx(マクロを含まない)形式で保存して下さい。", vbOKOnly, "終了"
  
End Sub

'================================================================================
'シートの最大行数と列数を求める
'GetSheet : シート名
'nRow     : 行数
'nCol     : 列数
'================================================================================
Function MaxRowCol(ByVal GetSheet As String, ByRef nRow As Long, ByRef nCol As Long) As String
  Dim aRow As Long 'アクティヴ行
  Dim aCol As Long 'アクティヴ列
  Dim i As Long    'カウンタ
    
  With Sheets(GetSheet)
    aRow = ActiveCell.Row     'アクティヴ行
    aCol = ActiveCell.Column  'アクティヴ列
    nRow = Cells(Rows.Count, 1).End(xlUp).Row '最大行数
    
    '最大列数を求める
    For i = 1 To Columns.Count
      If Cells(Rows.Count, i).End(xlUp).Row = 1 Then '列に何もなければ終了
        nCol = i - 1
        Exit For
      End If
    Next
    Cells(aRow, nRow).Activate '元のセルをアクティヴにする
  End With
  MaxRowCol = ""
End Function
4.4 VBAフォーム
図4-2-2に示すフォームを使用してデータを入力する場合のコードを表4-4-1に示す。この例題では以下の値を取得しますが、ユーザーは表4-4-1に示すコードを参考に作成して下さい。
変更は表4-4-1中の以下の⑦⑧の個所をユーザーが変更して下さい。
⑦テキストボックスの初期値の設定
⑧テキストボックスに入力されたデータの読み込み
プレート幅の変数
BaseWidth : プレート幅の初期値
IncWidth : プレート幅の増分
LoopWidth : プレート幅の繰り返し数
プレート高さの変数
BaseHeight : プレート高さの初期値
IncHeight : プレート高さの増分
LoopHeight : プレート高さの繰り返し数
表4-4-1 例題モデル1 フォームモジュール
'********************************************************************************
'ユーザー入力フォーム
'・入力フォームはこのフォームを参考にユーザーがすべて設定して下さい。
'・イニシャライズで初期値をテキストボックスに表示する。
'・「OK」ボタンがクリックされたらテキストボックスのデータを読み込みフォームを閉じる。
'・「Cancel」ボタンがクリックされたらマクロを終了する。
'
'フォームの設定
'・フォームに入力するデータ数のラベル及びテキストを表示して以下の設定を行って下さい。
'・フォームに入力するデータの説明をラベルに設定して下さい。
'・フォームに入力するデータのテキストボックスを設定して下さい。
'・テキストボックスのControlTipTextに入力するデータの説明を設定して下さい。
'********************************************************************************
Option Explicit

'================================================================================
'フォームのイニシャライズ
'================================================================================
Private Sub UserForm_Initialize()
  '■■■■■■■■⑦ユーザー変更開始箇所■■■■■■■■■■■
  'テキストボックスに入力値を設定
  Me.TxtBaseWidth.Text = BaseWidth    '幅
  Me.TxtIncWidth.Text = IncWidth      '幅の増分
  Me.TxtLoopWidth.Text = LoopWidth    '幅の繰り返し数
  
  Me.TxtBaseHeight.Text = BaseHeight  '高さ
  Me.TxtIncHeight.Text = IncHeight    '高さの増分
  Me.TxtLoopHeight.Text = LoopHeight  '高さの繰り返し数
  '■■■■■■■■⑦ユーザー変更終了箇所■■■■■■■■■■■
End Sub

'================================================================================
'「OK」ボタンのクリック
'================================================================================
Private Sub ComOk_Click()
  '■■■■■■■■⑧ユーザー変更開始箇所■■■■■■■■■■■
  'テキストボックスに入力されたデータの読み込み
  BaseWidth = Val(Me.TxtBaseWidth.Text)   '幅
  IncWidth = Val(Me.TxtIncWidth.Text)     '幅の増分
  LoopWidth = Val(Me.TxtLoopWidth.Text)   '幅の繰り返し数
  
  BaseHeight = Val(Me.TxtBaseHeight.Text) '高さ
  IncHeight = Val(Me.TxtIncHeight.Text)   '高さの増分
  LoopHeight = Val(Me.TxtLoopHeight.Text) '高さの繰り返し数

  '入力データのチェック
  If BaseWidth <= 0 Then
    Me.TxtBaseWidth.SetFocus 'フォーカスを移す
    MsgBox "プレートの幅には0より大きい値を入力して下さい。", vbOK, "警告"
    Exit Sub
  End If
  If IncWidth <= 0 Then
    Me.TxtIncWidth.SetFocus 'フォーカスを移す
    MsgBox "プレートの幅の増分には0より大きい値を入力して下さい。", vbOK, "警告"
    Exit Sub
  End If
  If LoopWidth <= 0 Then
    Me.TxtLoopWidth.SetFocus 'フォーカスを移す
    MsgBox "プレートの幅の繰り返し回数には0より大きい値を入力して下さい。", vbOK, "警告"
    Exit Sub
  End If
  
  If BaseHeight <= 0 Then
    Me.TxtBaseHeight.SetFocus 'フォーカスを移す
    MsgBox "プレートの高さには0より大きい値を入力して下さい。", vbOK, "警告"
    Exit Sub
  End If
  If IncHeight <= 0 Then
    Me.TxtIncHeight.SetFocus 'フォーカスを移す
    MsgBox "プレートの高さの増分には0より大きい値を入力して下さい。", vbOK, "警告"
    Exit Sub
  End If
  If LoopHeight <= 0 Then
    Me.TxtLoopHeight.SetFocus 'フォーカスを移す
    MsgBox "プレートの高さの繰り返し回数には0より大きい値を入力して下さい。", vbOK, "警告"
    Exit Sub
  End If
  '■■■■■■■■⑧ユーザー変更終了箇所■■■■■■■■■■■
  
  Unload Me 'フォームを閉じる
End Sub

'================================================================================
'「Cancel」ボタンのクリック
'================================================================================
Private Sub ComCancel_Click()
  End '終了
End Sub
4.5 モデル作成結果
図4-5-1に示すフォームで入力して作成したモデルデータの結果を図4-5-2~図4-5-8に示す。図4-5-2はファイル名であり他のシートについては省略している。
幅と高さの繰り返し回分(3×2)の図4-5-3~図4-5-8のシートが追加され、プレート幅、プレート高さ及びプレート中心の座標値が修正される。
なお、追加された赤字セルの値は計算式ではなく数値が保存されている。
analysismode_picture/fig4-5-1.png
図4-5-1 例題モデル1 入力データフォーム
analysismode_picture/fig4-5-2.png
図4-5-2 例題モデル1 モデル作成結果 ファイル名
analysismode_picture/fig4-5-3.png
図4-5-3 例題モデル1 モデル作成結果(1/6)
analysismode_picture/fig4-5-4.png
図4-5-4 例題モデル1 モデル作成結果(2/6)
analysismode_picture/fig4-5-5.png
図4-5-5 例題モデル1 モデル作成結果(3/6)
analysismode_picture/fig4-5-6.png
図4-5-6 例題モデル1 モデル作成結果(4/6)
analysismode_picture/fig4-5-7.png
図4-5-7 例題モデル1 モデル作成結果(5/6)
analysismode_picture/fig4-5-8.png
図4-5-8 例題モデル1 モデル作成結果(6/6)
5.例題モデルの実行方法
3項に示す例題モデルの実行方法を以下に示す。また、5.2項に例題モデルデータの内容を示す。
5.1 Z-CUI実行方法
Z-CUIを使用してのFeampの自動処理方法を以下に示す。
①Z-CUIの起動
Z-CUIを起動すると図5-1-1が表示されます。
②ファイルの読込
図5-1-2に示す「ファイル」→「ファイルを開く」コマンドを選択します。
③ファイルの選択
図5-1-3の「Z-CUIファイルを開く」ダイアログでインプットデータを選択します。
ファイルの拡張子は「inp」、「csv」、「cui」と「xlsx」が選択できます。
Excel形式の「xlsx」を選択した場合はシート名の最初が「Z」が読み込まれます。複数ある場合は「Z-CUIモデルの選択」ダイアログが表示されますのでシートを選択して下さい。
④ファイルの読み込み結果
インプットデータを読み込むと図5-1-4に示すように読み込み結果が表示されます。
⑤Femap実行
図5-1-5に示す「Femap実行」→「実行」コマンドを選択します。
⑥Femapモデル作成の終了
Femapが起動されインプットデータに従いFemapのモデルデータが作成されると図5-1-6のダイアログが表示されるので「OK」ボタンをクリックして下さい。
なお、解析を行わない場合は「Femapの終了を終了しました。」のメッセージが表示されるので「OK」ボタンをクリックして下さい。処理が終了し⑦以降は表示されません。
⑦Femapのメッセージ
図5-1-7はコーナー応力がある場合ですがFemapからメッセージが表示される場合があります。
⑧解析結果の終了
NX/NASTRANの場合、解析が終了すると図5-1-8のように「NX Nastran解析モニター」に完了のメッセージが表示されます。
⑨解析結果
図5-1-9に示す「Femap実行」→「解析結果」コマンドを選択します。
⑩解析結果の表示
解析結果が図5-1-10のように表示されます。表示の設定は静解析と固有値解析でZ-CUI内での初期設定値で表示されます。
Z-CUIのインプットデータでビューが複数設定されている場合は全てのビューが同じ設定で全ビューが表示されます。
analysismode_picture/fig5-1-1.png
図5-1-1 Z-CUI実行画面 起動画面
analysismode_picture/fig5-1-2.png
図5-1-2 Z-CUI実行画面 「ファイル」→「ファイルを開く」コマンド
analysismode_picture/fig5-1-3.png
図5-1-3 Z-CUI実行画面 「Z-CUIファイルを開く」ダイアログ
analysismode_picture/fig5-1-4.png
図5-1-4 Z-CUI実行画面 ファイル読み込み結果
analysismode_picture/fig5-1-5.png
図5-1-5 Z-CUI実行画面 「Femap実行」→「実行」コマンド
analysismode_picture/fig5-1-6.png
図5-1-6 Z-CUI実行画面 「終了」メッセージ
analysismode_picture/fig5-1-7.png
図5-1-7 Z-CUI実行画面 「Femap」メッセージ
analysismode_picture/fig5-1-8.png
図5-1-8 Femap解析終了画面
analysismode_picture/fig5-1-9.png
図5-1-9 Z-CUI実行画面 「Femap実行」→「解析結果」コマンド
analysismode_picture/fig5-1-10.png
図5-1-10 Femap解析結果画面
5.2 例題モデル一覧
3項に示す例題モデルファイルの一覧表を表5-2-1に示す。フォルダは例題モデルごとに分かれています。基本モデルはファイル名の拡張子は「inp」で保存しており、各解析モデル例はファイル名の拡張子を「csv」で保存しています。また、Excelのファイルはファイル名に「_Input_Form.xlsx」が付いた形式で保存しています。
なお、Excelマクロを使用したマクロの例は「Example_VBA」フォルダに保存しています。
表5-2-1 例題モデルファイル一覧表
例題
モデル
モデル
作成条件
内容 ファイル名
1 1 基本モデル Example01_Plate
2 基本モデルより寸法及びカーブ分割数の変更 Example01_Plate_1
3 基本モデルより一次要素から二次要素に変更 Example01_Plate_Higher_Element
2 1 基本モデル Example02_Plate
2 基本モデルより寸法及びカーブ分割数の変更 Example02_Plate_1
3 モデル2よりマップドメッシュオフ Example02_Plate_2
4 基本モデルより一次要素から二次要素に変更 Example02_Plate_Higher_Element
3 1 基本モデル 静解析 Example03_Plate_Bar
2 基本モデルより寸法及びカーブ分割数の変更 静解析 Example03_Plate_Bar_1
3 基本モデル 固有値解析 Example03_Plate_Bar_2
4 1 基本モデル Example04_Axisymmetric
2 基本モデルより寸法及びカーブ分割数の変更 Example04_Axisymmetric_1
3 基本モデルより一次要素から二次要素に変更 Example04_Axisymmetric_Higher_Element
5 1 基本モデル Example05_Solid-U
2 基本モデルのメッシュ分割方法をマップドメッシュ分割に変更 Example05_Solid-U_1
3 モデル作成条件2のモデルのモデル寸法などを変更 Example05_Solid-U_2
4 モデル作成条件2のモデルより一次要素から二次要素に変更 Example05_Solid-U_Higher_Element
6 1 基本モデル Example06_Conrod
2 基本モデルよりメッシュサイズの変更 Example06_Conrod_1
3 基本モデルより寸法の変更 Example06_Conrod_2
7 1 基本モデル Example07_Pipe1
2 基本モデルより寸法及びカーブ分割数の変更 Example07_Pipe1_T10_R10_Divid_Min
3 基本モデルより寸法及びカーブ分割数の変更 Example07_Pipe1_T20_R15_Divid_Max
8 1 基本モデル Example08_Pipe2
2 基本モデルより寸法及びカーブ分割数の変更 Example08_Pipe2_T10_R10_Divid_Min
3 基本モデルより寸法及びカーブ分割数の変更 Example08_Pipe2_T20_R15_Divid_Max
9 1 基本モデル Example09_Pipe3
2 基本モデルより寸法及びカーブ分割数の変更 Example09_Pipe3_A45_T12_R13_Divid_Min
3 基本モデルより寸法及びカーブ分割数の変更 Example09_Pipe3_A60_T10_R15_Divid_Max
4 基本モデルより寸法及びカーブ分割数の変更 Example09_Pipe3_A60_T20_R15_Divid_Max
10 1 基本モデル Example10_Duct
2 基本モデルより寸法及びカーブ分割数の変更 Example10_Duct_1
11 1 基本モデル Example11_Tank
2 基本モデルより寸法及びカーブ分割数の変更 Example11_Tank_1
Excel
マクロ例
Excelマクロ例 Example_VBA.xlsm
Excelマクロ出力 Example_VBA_1.xlsx